品牌/Brand:NTH
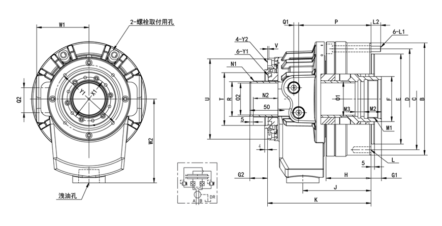
体积超短型大通孔回转油压缸,
另有内藏逆止阀自锁机构及压力泄压阀可供选购。
安装时前后锁通用。
Super short spec. light weight with large through hole.
Built-in safety check valves and pressure relief valves is available for option.
It can be mounted from front or back.
尺寸单位/Size unit: mm
|
规格 Spec
型号 Model
|
活塞面积
Piston area cm2
押侧Extend
|
活塞面积
Piston area cm2
拉侧Retract
|
活塞行程
Piston strokemm
|
最高转速
Max RPM
|
|---|---|---|---|---|
| HK-0928 | 53.2 | 50.5 | 10 | 8000 |
| HK-1036 | 70.7 | 62.8 | 15 | 8000 |
| HK-1246 | 99.1 | 88 | 15 | 7000 |
| HK-1246(A) | 99.1 | 88 | 15 | 7000 |
| HK-1246(S) | 99.1 | 88 | 15 | 7000 |
| HK-1552-13 | 135.3 | 125 | 20 | 6500 |
| HK-1875 | 179.5 | 163.5 | 25 | 5000 |
| HK-1875(S) | 179.5 | 163.5 | 25 | 5000 |
|
规格 Spec
型号 Model
|
最大使用压力
Max.Operating Pressure
Mpa(kgf/cm2)
|
惯性矩
I kg*m2
|
重量
Weight
kg
|
总流量
Total Leakage
L/min
|
|---|---|---|---|---|
| HK-0928 | 3.5(35) | 0.03 | 5 | 2 |
| HK-1036 | 4.0(40) | 0.05 | 7.4 | 2.5 |
| HK-1246 | 4.0(40) | 0.06 | 9.7 | 3 |
| HK-1246(A) | 4.0(40) | 0.06 | 9.7 | 3 |
| HK-1246(S) | 4.0(40) | 0.06 | 9.7 | 3 |
| HK-1552-13 | 4.0(40) | 0.11 | 11.8 | 3.9 |
| HK-1875 | 4.0(40) | 0.24 | 21.5 | 4.2 |
| HK-1875(S) | 4.0(40) | 0.24 | 21.5 | 4.2 |
|
规格 Spec
型号 Model
|
A 内径ID |
B | C | D |
E h7 |
F |
G1 Max |
G1 Min |
G2 Max |
G2 Min |
H | J | K | L | L1 | L2 | M1 | M2 | M3 |
|---|---|---|---|---|---|---|---|---|---|---|---|---|---|---|---|---|---|---|---|
| HK-0928 | 90 | 126 | 100 | 108 | 80 | 40 | 10 | 0 | 23 | 13 | 53 | 88 | 131 | 6~M8x20 | M8x60 | 14 | M33x1.5 | 25 | 15 |
| HK-1036 | 105 | 142 | 115 | 125 | 100 | 48 | 15 | 0 | 27 | 12 | 65 | 94 | 150 | 6~M10×20 | M8×70 | 14 | M42×1.5 | 25 | 15 |
| HK-1246 | 125 | 165 | 140 | 140 | 120 | 65 | 15 | 0 | 38 | 23 | 68 | 96 | 153 | 12~M10×20 | M8×75 | 15 | M55X2.0 | 25 | 15 |
| HK-1246(A) | 125 | 165 | 147 | 147 | 130 | 65 | 15 | 0 | 40.5 | 25.5 | 65 | 98.5 | 149.5 |
6~M10×20 |
M8×75 |
15 |
M55X2.0 |
25 | 15 |
| HK-1246(S) | 125 | 165 | 130 | 147 | 100 | 65 | 15 | 0 | 38 | 23 | 68 | 96 | 153 | 12~M10×20 | M8×75 | 15 | M55X2.0 | 30 | 15 |
| HK-1552-13 | 150 | 185 | 170 | 165 | 130 | 70 | 20 | 0 | 37 | 17 | 73 | 110 | 164 | 12~M10×20 | M8×75 | 15 | M60X2.0 | 30 | 15 |
| HK-1875 | 175 | 215 | 190 | 190 | 160 | 95 | 25 | 0 | 46 | 21 | 84 | 131 | 181 | 12~M10×20 | M10×90 | 20 | M85X2.0 | 35 | 15 |
| HK-1875(S) | 175 | 215 | 190 | 195 | 160 | 95 | 25 | 0 | 46 | 21 | 84 | 131 | 181 | 12~M10×20 | M10×90 | 20 | M85X2.0 | 35 | 15 |
|
规格 Spec
型号 Model
|
N1 | N2 |
O1 H8 |
O2 H8 |
P | Q1 | Q2 | O |
R G7 |
T | U | V | W1 | W2 | X1 | X2 | Y1 | Y2 |
|---|---|---|---|---|---|---|---|---|---|---|---|---|---|---|---|---|---|---|
| HK-0928 | M34x1.5P | 25 | 30 | 28 | 89 | 7 | 28 | PT1/4 | 32 | 65 | 86 | 2 | 63 | 80 | 43 | M4x8 | 76 | M4x7 |
| HK-1036 | M44×1.5P | 28 | 38 | 36 | 104 | 7 | 34 | PT1/4 | 42 | 73 | 98 | 2 | 66 | 106 | 54 | M5×8 | 83 | M5×6 |
| HK-1246 | M52×1.5P | 24 | 50 | 46 | 106 | 7 | 36 | PT3/8 | 50 | 90 | 116 | 2 | 79 | 119 | 63 | M6x8 | 98 | M5×6 |
|
HK-1246(A) |
M52x1.5P | 24 | 50 | 46 | 106 | 7 | 36 | PT3/8 | 50 | 90 | 116 | 2 | 79 | 119 | 63 | M6x8 | 98 | M5x6 |
|
HK-1246(S) |
M52×1.5P | 24 | 50 | 46 | 106 | 7 | 36 | PT3/8 | 50 | 90 | 116 | 2 | 79 | 119 | 63 | M6×8 | 98 | M5×6 |
| HK-1552-13 | M58×1.5P | 25 | 55 | 52 | 113 | 8 | 40 | PT1/2 | 56 | 97 | 128 | 2 | 82 | 133 | 72 | M6×8 | 110 | M5×6 |
| HK-1875 | M84×2P | 30 | 80 | 75 | 126 | 10 | 46 | PT1/2 | 81 | 125 | 163 | 2 | 98 | 160 | 98 | M6×8 | 155 | M6×8 |
| HK-1875(S) | M84×2P | 30 | 80 | 75 | 126 | 10 | 46 | PT1/2 | 81 | 125 | 163 | 2 | 98 | 160 | 98 | M6×8 | 155 | M6×8 |
保留技术更改的权利,恕不另行通知 Subject to technology changes without prior information
非标需求可定做 Non-standard requirements can be made
下一条:HK 超短型中空回转油压缸(二)
上一条:H 高速中空回转油压缸