NTH 回转油压缸

产品展示

NTH 回转油压缸

SNK 短型中实回转油压缸

ROTARY HYDRAULIC CYLINDER

点击产品图片放大

资料下载

在线询盘

产品详细介绍

品牌/Brand:NTH

回转油压缸体型短,重量轻,转速高。
安装时前后锁通用。
泄油孔油管必须单独接回油压槽,以免产生背压。
The rotary cylinder is the type of short form, light weight and high rotating speed.
it can be mounted from front or back.
The drain port should be independently connected to oil tank to avoid back pressure.

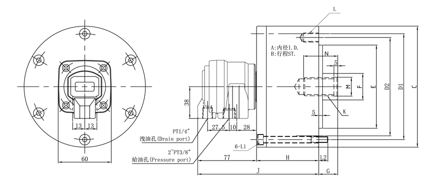
尺寸单位/Size unit: mm

规格 Spec
型号 Model
活塞面积
Piston area cm2
押侧Extend
活塞面积
Piston area cm2
拉侧Retract
活塞行程
Piston stroke
mm
最高转速
Max RPM
最大使用压力
Max.Operating Pressure
Mpa(kgf/cm2)
惯性矩
I
kg*m2
重量
Weight
kg
SNK-75 44.2 37.1 15 6000 4.0(40) 0.01 2.8
SNK-100 78.5 71.5 20 6000 4.0(40) 0.03 4.3
SNK-125 122.7 113.1 25 5500 4.0(40) 0.05 6.8
SNK-150 176.7 160.8 30 5500 4.0(40) 0.09 9.4
SNK-200 314.1 290.4 35 5500 4.0(40) 0.28 15.3


规格 Spec
型号 Model
A B C D1 D2 E H7 F G Max G Min H J K L L1 L2 M N P
SNK-75 75 15 107 90 90 65 30 45 30 57 134 M20×2.5 6~M8×16 M8×60 12 21 35 28
SNK-100 100 20 132 115 100 80 30 45 25 72 149 M20×2.5 6~M10×20 M8×75 12 21 35 26
SNK-125 125 25 160 140 130 110 35 50 25 82 159 M24×3.0 6~M12×20 M8×85 12 25 45 26
SNK-150 150 30 190 170 130 110 45 55 25 95 172 M30×3.5 12~M12×24 M10×100 16 31 45 26
SNK-200 200 35 245 220 145 120 55 70 35 115 192 M36×4.0 12~M16×30 M10×125 21 37 60 60
保留技术更改的权利,恕不另行通知 Subject to technology changes without prior information
非标需求可定做 Non-standard requirements can be made

最新新闻

  • 东莞国际机床展览会

    展会及展位信息: 时间:2025.10.29-11.01 开放时间:09:00-18:00 地点: 广东现代国际展览中心 展位号:3A-08

    深入了解
  • 玉环国际机床展览会

    展会及展位信息: 时间:2025.10.17-10.20 开放时间:09:00-18:00 地点: 浙江省台州市玉环市玉环会展中心 展位号:W2-T26

    深入了解
  • 武汉国际机床展-中国国际机电产品博览会WME

    展会及展位信息: 时间:2025年10月11日-13日 开放时间:09:00-18:00 地点:武汉国际博览中心 展位号:B1-1306 & B1-1004

    深入了解