NTH 回转油压缸

产品展示

NTH 回转油压缸

RQ-B 双活塞中空回转气压缸

DOUBLE ROD PISTON THROUGH HOLE ROTATING AIR CYLINDER

点击产品图片放大

资料下载

在线询盘

产品详细介绍

品牌/Brand:NTH

大通孔与双活塞设计,拉力大。适用于长轴类工件加工。
阀体经特殊设计,重量轻,高转速,能节减压缩空气的消耗量。
使用压缩空气时,需搭配气动三联件组合。
Large through hole and double pistons design, strong pulling force, it’s suitable for long axis workbar machining.
The valve parts is special designed, light weight and high rotating speed, The air consumption can be saved.
During working, The FRL units should be used.


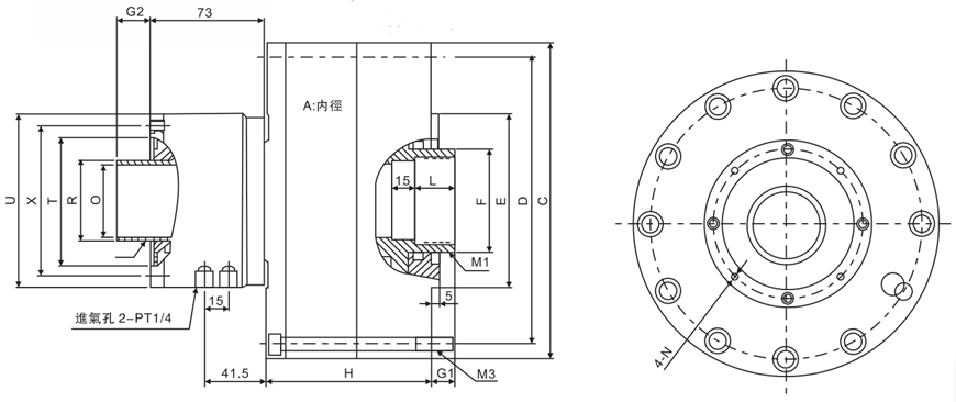
尺寸单位/Size unit: mm

规格 Spec
型号 Model
活塞面积
Piston area cm2
押侧Extend
活塞面积
Piston area cm2
拉侧Retract
活塞行程
Piston stroke
mm
最高转速
Max RPM
RQ-130B 223.03 219.3 15 5000
RQ-150B 291.19 281.76 15 4500
RQ-170B 381.52 371.3 15 4500
  

规格 Spec
型号 Model
最大使用压力
Max.Operating Pressure
Mpa(kgf/cm2)
最大推力
Max push force
Kgf(KN)
最大拉力
Max pull force
Kgf(KN)
惯性矩
I
kg*m2
重量
Weight
kg
RQ-130B 0.8(8) 1784.24(17.5) 1754.4(17.2) 0.04 12
RQ-150B 0.8(8) 2329(22.83) 2254.1(22.09) 0.06 10.3
RQ-170B 0.8(8) 3052.1(29.91) 2970.4(29.11) 0.09 12.5
  
规格 Spec
型号 Model
A B D E H7 F1 G1 Max. G1 Min. G2 Max. G2 Min. H L
RQ-130B 130 160 143 110 50 15 0 38 23 105 25
RQ-150B 150 180 163 110 65 15 0 35 20 105 25
RQ-170B 170 200 182 110 65 15 0 34 19 107 25
  

规格 Spec
型号 Model
M1 M2 M3 O H7 N R T U X
RQ-130B M38×1.5 M44×1.5 6-M8×115 34 M5×10 42 74 104 90
RQ-150B M55×2 M52×1.5 6-M8×115 46 M6×10 50 86 123 110
RQ-170B M55×2 M52×1.5 6-M8×120 46 M6×10 50 86 123 110
保留技术更改的权利,恕不另行通知 Subject to technology changes without prior information

非标需求可定做 Non-standard requirements can be made

最新新闻

  • 东莞国际机床展览会

    展会及展位信息: 时间:2025.10.29-11.01 开放时间:09:00-18:00 地点: 广东现代国际展览中心 展位号:3A-08

    深入了解
  • 玉环国际机床展览会

    展会及展位信息: 时间:2025.10.17-10.20 开放时间:09:00-18:00 地点: 浙江省台州市玉环市玉环会展中心 展位号:W2-T26

    深入了解
  • 武汉国际机床展-中国国际机电产品博览会WME

    展会及展位信息: 时间:2025年10月11日-13日 开放时间:09:00-18:00 地点:武汉国际博览中心 展位号:B1-1306 & B1-1004

    深入了解