SINGLE ROD PISTON THROUGH HOLE ROTATING AIR CYLINDER
Click on product image magnification
Online inquiryBrand:NTH
Large through hole, strong pulling force, it’s suitable for long axis workbar machining.
Light weight, high rotary speed. The valve parts is special designed, the air consumption can be saved.
During working, The FRL units should be used.
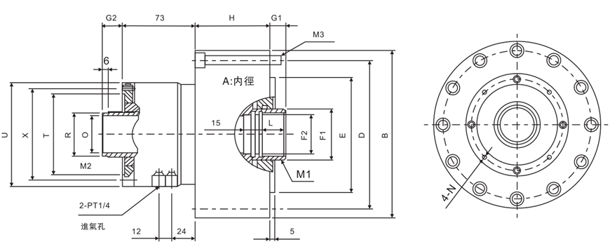
Size unit: mm
| Spec/Model |
Piston area cm2 Extend |
Piston area cm2 Retract |
Piston stroke mm |
Max RPM |
|---|---|---|---|---|
| RQ-130 | 116.8 | 116.8 | 15 | 5000 |
| RQ-150 | 153 | 143.5 | 15 | 4500 |
| RQ-170 | 198.7 | 188.5 | 15 | 4500 |
| Spec/Model |
Max.Operating Pressure Mpa(kgf/cm2) |
Max push force Kgf(KN) |
Max pull force Kgf(KN) |
Inertia kg*m2 |
Weight kg |
|---|---|---|---|---|---|
| RQ-130 | 0.8(8) | 933(9.14) | 933(9.14) | 0.04 | 8.4 |
| RQ-150 | 0.8(8) | 1224(12) | 1148(11.25) | 0.06 | 9.5 |
| RQ-170 | 0.8(8) | 1589.6(15.58) | 1549.6(15.2) | 0.09 | 11.6 |
| Spec/ Model | A | B | D | E H7 | F1 | F2 | G1 Max. | G1 Min. | G2 Max. | G2 Min. | H | L |
|---|---|---|---|---|---|---|---|---|---|---|---|---|
| RQ-130 | 130 | 160 | 143 | 110 | 45 | 36.5 | 15 | 0 | 35 | 20 | 60 | 25 |
| RQ-150 | 150 | 180 | 163 | 110 | 65 | 50 | 15 | 0 | 35 | 20 | 63 | 25 |
| RQ-170 | 170 | 200 | 182 | 110 | 65 | 50 | 15 | 0 | 35 | 20 | 63 | 25 |
| Spec/ Model | M1 | M2 | M3 | O H7 | N | R | T | U | X |
|---|---|---|---|---|---|---|---|---|---|
| RQ-130 | M38×1.5 | M44×1.5 | 6-M8×65 | 34 | M5×10 | 42 | 74 | 104 | 90 |
| RQ-150 | M55×2 | M52×1.5 | 6-M8×70 | 46 | M6×10 | 50 | 86 | 123 | 110 |
| RQ-170 | M55×2 | M52×1.5 | 6-M8×70 | 46 | M6×10 | 50 | 86 | 123 | 110 |
Next:No Products!
Exhibition:MANUFACTURING INDONESIA 2025 Date:03. - 06. December 2025 Time:10:00 am. – 06:00 pm. Add: Balai Sidang Jakarta Convention Center,Jakarta,Indonesia Booth:A-150
Learn moreExhibition:METALEX 2025 Date:From 19 to 22 November, 2025 Time:10:00 am. – 06:00 pm. Add: BITEC International Trade & Exhibition Centre,Bangkok, Thailand Booth:H101-BD01
Learn moreExhibition:MSV 2025 International Engineering Fair Date: Tuesday, October 7, 2025 - Friday, October 10, 2025 Add: Brno Exhibition Centre, Brno, Czech Republic Booth:P-115
Learn more