品牌/Brand:NTH
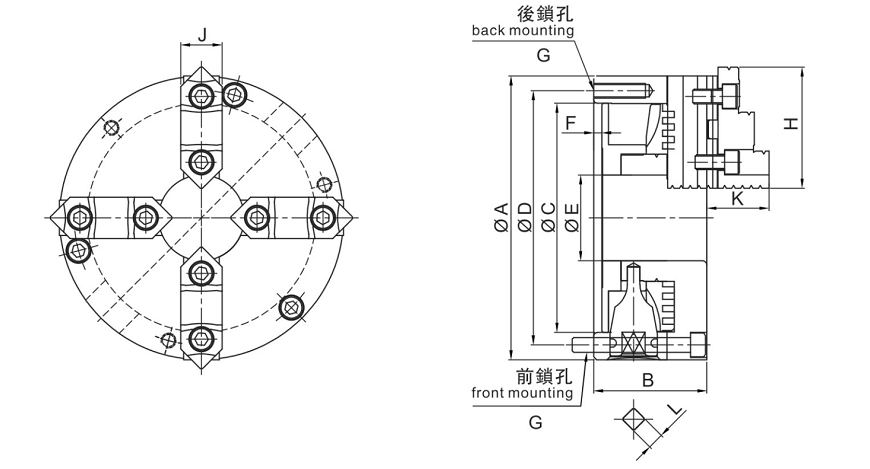
四爪强力式自定心卡盘(前后锁通用)
4 jaw universal scroll chuck(Front and back mounted)
1.直口连接
2.标配分离式硬爪一组
3.高精度重复夹持
1. Plain back
2. Standard accessories: 1 set two-piece hard jaws
3. High accuracy on clamping repeatability

规格/Specification 单位/UNIT:mm
型式/规格
最大容许扭矩
最大静夹持力
净重
最高转速
惯性矩
I
Kg*m2
夹持范围外径
夹持范围内径
SKF-04*
44
12
3.1
2500
3-90
32-84
SKF-05*
63
15
4.4
2500
3-110
35-100
SKF-06
88
31
11.4
2000
8-160
55-150
SKF-07
107
31
12.2
2000
8-180
62-170
SKF-08
128
33
16.2
2000
8-180
62-170
SKF-09
147
37
21.2
2000
11-220
70-210
SKF-10
176
46
28
1800
0.265
12-260
80-250
SKF-12
206
55
41
1800
15-300
90-290
SKF-14
225
55
54
1500
15-350
100-330
SKF-16
245
60
74
1500
30-400
110-380
Model/Spec
Max. Allowable Torque
N*m
Max. Gripping Force
KN
Weight
Kg
RPM
O.D Clamping Range
mm
I.D. Clamping Range
mm
-
0.025
0.035
0.065
0.075
0.165
0.585
1.125
1.725
型式/规格
A
B
C
D
E
F
G
H
J
K
L
SKF-04*
112
58
80
95
24
4.5
3(4)-M8x1.25P
46.5
19
32
9
SKF-05*
132
60
100
115
32
4.5
3(4)-M8x1.25P
56
22
40
9
SKF-06
167
66
130
147
45
5
3-M10x1.5P
67
25
43
11
SKF-07
193
76
155
172
58
5
3-M10x1.5P
80
30
47
11
SKF-08
203
76
160
176
58
5
3-M10x1.5P
80
30
47
11
SKF-09
233
84
190
210
70
6
3-M12x1.75P
80
30
46
14
SKF-10
273
86
230
250
89
5.5
3-M12x1.75P
95
36
54
14
SKF-12
310
96
260
285
105
7
3-M12x1.75P
110
42
63
14
SKF-14
355
122
300
328
127
7
6-M12x1.75P
110
42
63
14
SKF-16
405
122
345
375
160
8.5
6-M14x2P
130
45
72
17
Model/Spec
*注:前端连接螺丝为4个;Note: The front mounting bolts are 4 pcs
隆重推出:NTH高精密手动卡盘系列
NTH专业致力于高端卡盘的研发生产,融合世界先进技术,本着对产品高质量的要求,让用户满意的态度及责任,经全面的试机检验,在内外圆夹持及重复夹持跳动方面(任意棒检测),均达到高精度品质,现全面推向市场。各种规格齐全(另为四轴、圆盘尾座、车床等配备各种规格连接盘现货,配套价格优惠),欢迎新老客户推荐使用,并提出宝贵意见!
对于所有使用NTH高精密手动卡盘的客户,特附加以下增值服务:
1, 返厂免费检测
2, 在长久使用之后,若需要修磨卡爪,可寄回我司免费修磨卡爪夹持圆弧,使卡爪达到出厂精度标准
3, 免费提供维修方案
4, 无论卡盘使用多久均可享受以上服务。用户只须负担来回运费
5, 如有部件损坏且确定需要更换的,只需要支付更换的部件费用
保留技术更改的权利,恕不另行通知 Subject to technology changes without prior information
非标需求可定做 Non-standard requirements can be made
下一条:KM 可调式强力型三爪卡盘