
|
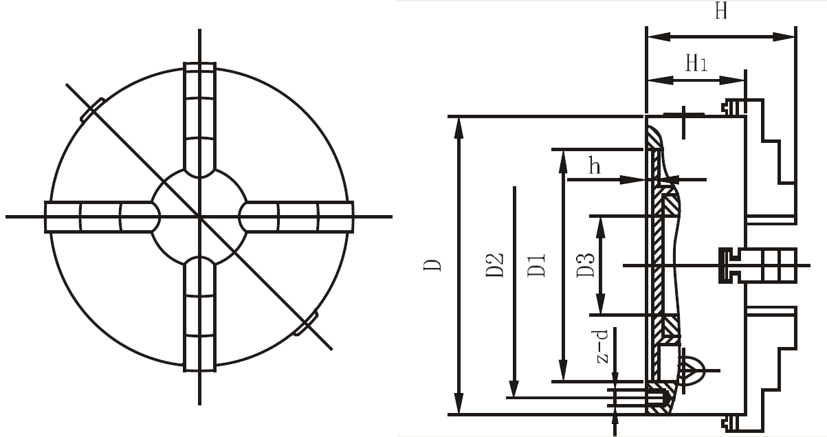
货号 Code No |
卡盘尺寸 Chuck Size |
D1 | D2 | D3 | H | H1 | h | z-d |
净重Kg N.W. |
|---|---|---|---|---|---|---|---|---|---|
| K12-125A | 125 | 95 | 108 | 30 | 95 | 58 | 4 | 3-M8 | 5 |
| K12-130A | 130 | 100 | 115 | 30 | 97 | 60 | 5 | 3-M8 | 5.6 |
| K12-160A | 160 | 130 | 142 | 45 | 109 | 65 | 5 | 3-M8 | 8.8 |
| K12-165A | 165 | 130 | 145 | 45 | 109 | 65 | 5 | 3-M8 | 9.8 |
| K12-190A | 190 | 155 | 172 | 55 | 122 | 75 | 5 | 3-M10 | 13.8 |
| K12-200A | 200 | 165 | 180 | 65 | 122 | 75 | 5 | 3-M10 | 15.5 |
| K12-240A | 240 | 195 | 215 | 70 | 136 | 80 | 8 | 3-M12 | 25 |
| K12-250A | 250 | 206 | 226 | 80 | 136 | 80 | 5 | 3-M12 | 26 |
| K12-315A | 315 | 260 | 285 | 100 | 156.5 | 90 | 6 | 3-M16 | 50 |
| K12-320A | 320 | 270 | 290 | 100 | 156.5 | 90 | 6 | 3-M16 | 53 |
| K12-325A | 325 | 272 | 296 | 100 | 156.5 | 90 | 6 | 3-M16 | 66 |
| K12-380A | 380 | 325 | 350 | 130 | 173.5 | 100 | 6 | 3-M16 | 66 |
| K12-400A | 400 | 340 | 368 | 130 | 173.5 | 100 | 6 | 3-M16 | 85 |
| K12-500A | 500 | 440 | 465 | 210 | 202 | 115 | 6 | 6-M16 | 119 |
| K12-630A | 630 | 560 | 595 | 260 | 220.5 | 135 | 6 | 6-M16 | 125 |
下一条:K13系列六爪自定心卡盘