一体爪Solid Jaws
|
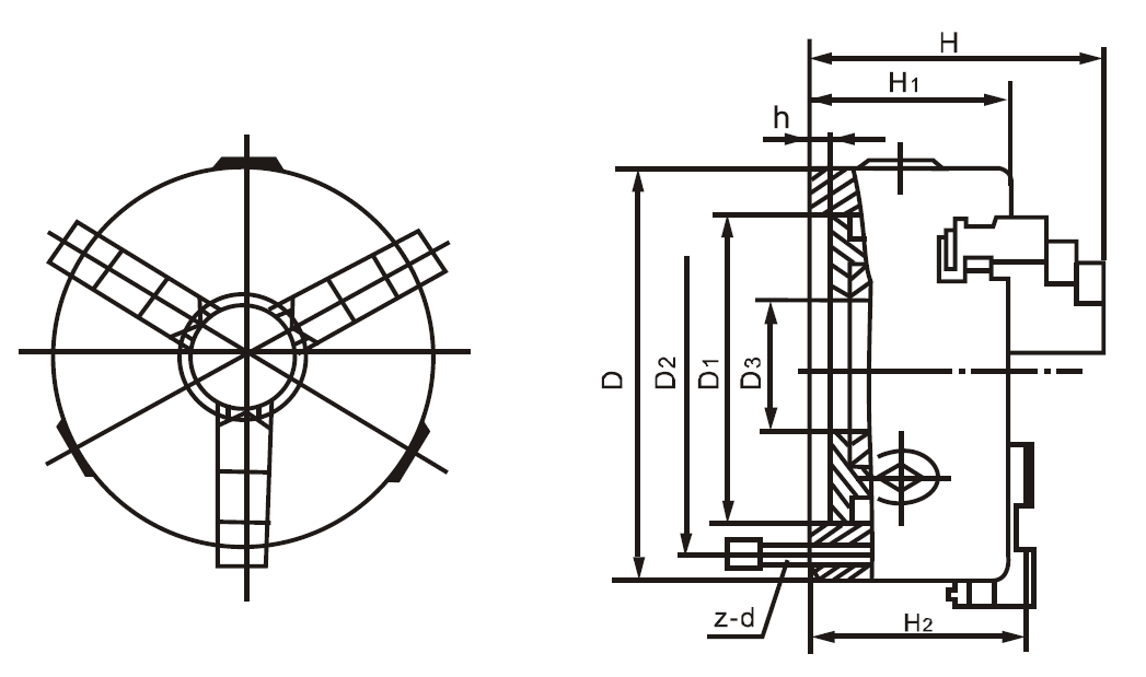
货号 Code No |
卡盘尺寸 Chuck Size |
D1 | D2 | D3 | H | H1 | h | z-d |
最高转速R.P.M Max speed |
|---|---|---|---|---|---|---|---|---|---|
| GK11-80 | 80 | 56 | 67 | 16 | 66.5 | 50 | 4 | 3-M6 | 5500 |
| GK11-85 | 85 | 62 | 72 | 18 | 66.5 | 50 | 4 | 3-M6 | 5500 |
| GK11-100 | 100 | 70 | 83 | 22 | 74.5 | 55 | 3 | 3-M8 | 4700 |
| GK11-110 | 110 | 80 | 95 | 27 | 74.5 | 55 | 3 | 3-M8 | 4700 |
| GK11-125 | 125 | 95 | 108 | 30 | 84.5 | 58 | 4 | 3-M8 | 4300 |
| GK11-140 | 140 | 105 | 120 | 40 | 84.5 | 58 | 4 | 3-M8 | 4300 |
| GK11-160 | 160 | 125 | 140 | 45 | 94 | 65 | 5 | 6-M10 | 4000 |
| GK11-200 | 200 | 160 | 176 | 65 | 109 | 75 | 5 | 6-M10 | 3500 |
| GK11-250 | 250 | 200 | 224 | 80 | 120 | 80 | 5 | 6-M12 | 3000 |
| GK11-315 | 315 | 260 | 286 | 100 | 156.5 | 90 | 6 | 6-M16 | 2300 |
| GK11-400 | 400 | 330 | 362 | 130 | 173.5 | 100 | 6 | 6-M16 | 1800 |
| GK11-500 | 500 | 420 | 458 | 210 | 205 | 115 | 6 | 6-M16 | 1200 |
| GK11-630 | 630 | 545 | 586 | 252 | 220.5 | 135 | 7 | 6-M16 | 1200 |
|
货号 Code No |
卡盘尺寸 Chuck Size |
D1 | D2 | D3 | H | H1 | h | z-d |
最高转速R.P.M Max speed |
|---|---|---|---|---|---|---|---|---|---|
| GK11-125A | 125 | 95 | 108 | 30 | 84.5 | 58 | 4 | 3-M8 | 4300 |
| GK11-140A | 140 | 105 | 120 | 40 | 84.5 | 58 | 4 | 3-M8 | 4300 |
| GK11-160A | 160 | 125 | 140 | 45 | 94 | 65 | 5 | 6-M10 | 4000 |
| GK11-200A | 200 | 160 | 176 | 65 | 109 | 75 | 5 | 6-M10 | 3500 |
| GK11-250A | 250 | 200 | 224 | 80 | 120 | 80 | 5 | 6-M12 | 3000 |
| GK11-315A | 315 | 260 | 286 | 100 | 156.5 | 90 | 6 | 6-M16 | 2300 |
| GK11-400A | 400 | 330 | 362 | 130 | 173.5 | 100 | 6 | 6-M16 | 1800 |
| GK11-500A | 500 | 420 | 458 | 210 | 205 | 115 | 6 | 6-M16 | 1200 |
| GK11-630A | 630 | 545 | 586 | 252 | 220.5 | 135 | 7 | 6-M16 | 1200 |