K11 SERIES 3-JAW SELF-CENTERING CHUCKS
Click on product image magnification
Online inquiry
|
Code No |
For front-mouting |
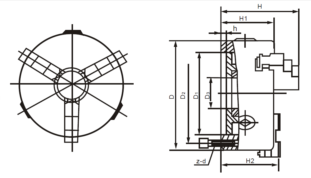
Chuck Size |
D1 | D2 | D3 | H | H1 | h | z-d |
NM Max.input torque |
R.P.M Max.speed |
KG Net wt. |
|---|---|---|---|---|---|---|---|---|---|---|---|---|
| K11-80 | K11-80F | 80 | 55 | 66 | 16 | 66.5 | 50 | 4 | 3-M6 | 40 | 4000 | 1.9 |
| K11-100 | K11-100F | 100 | 72 | 84 | 22 | 74.5 | 55 | 3 | 3-M8 | 60 | 3500 | 3.2 |
| K11-125 | K11-125F | 125 | 95 | 108 | 30 | 84.5 | 58 | 4 | 3-M8 | 100 | 3000 | 5 |
| K11-130 | K11-130F | 130 | 100 | 115 | 30 | 86.5 | 60 | 5 | 3-M8 | 100 | 3000 | 5.6 |
| K11-160 | K11-160F | 160 | 130 | 142 | 45 | 94 | 65 | 5 | 3-M8 | 160 | 2500 | 8.8 |
| K11-165 | K11-165F | 165 | 130 | 145 | 45 | 94 | 65 | 5 | 3-M8 | 160 | 2500 | 9.5 |
| K11-190 | K11-190F | 190 | 155 | 172 | 55 | 105 | 75 | 5 | 3-M10 | 250 | 2000 | 13.8 |
| K11-200 | K11-200F | 200 | 165 | 180 | 65 | 109 | 75 | 5 | 3-M10 | 250 | 2000 | 15.5 |
| K11-230 | K11-230F | 230 | 190 | 210 | 70 | 120 | 80 | 6 | 3-M12 | 250 | 2000 | 16.5 |
| K11-240 | K11-240F | 240 | 195 | 215 | 70 | 120 | 80 | 8 | 3-M12 | 320 | 1600 | 26 |
| K11-250 | K11-250F | 250 | 206 | 226 | 80 | 120 | 80 | 5 | 3-M12 | 320 | 1600 | 27.5 |
| K11-315 | K11-315F | 315 | 260 | 285 | 100 | 147.5 | 90 | 6 | 3-M16 | 400 | 1200 | 47 |
| K11-320 | K11-320F | 320 | 270 | 290 | 100 | 147.5 | 90 | 6 | 3-M16 | 400 | 1200 | 47.5 |
| K11-325 | K11-325F | 325 | 272 | 296 | 100 | 147.5 | 90 | 6 | 3-M16 | 400 | 1200 | 49 |
| K11-380 | K11-380F | 380 | 325 | 350 | 135 | 155.7 | 98 | 6 | 3-M16 | 500 | 1000 | 68 |
| K11-400 | K11-400F | 400 | 340 | 368 | 130 | 173.5 | 100 | 6 | 3-M16 | 500 | 1000 | 73 |
| K11-500 | K11-500F | 500 | 440 | 465 | 210 | 202 | 115 | 6 | 6-M16 | 630 | 800 | 121 |
| K11-630 | K11-630F | 630 | 560 | 595 | 270 | 218 | 133.5 | 7 | 6-M16 | 800 | 800 | 200 |
Exhibition:MANUFACTURING INDONESIA 2025 Date:03. - 06. December 2025 Time:10:00 am. – 06:00 pm. Add: Balai Sidang Jakarta Convention Center,Jakarta,Indonesia Booth:A-150
Learn moreExhibition:METALEX 2025 Date:From 19 to 22 November, 2025 Time:10:00 am. – 06:00 pm. Add: BITEC International Trade & Exhibition Centre,Bangkok, Thailand Booth:H101-BD01
Learn moreExhibition:MSV 2025 International Engineering Fair Date: Tuesday, October 7, 2025 - Friday, October 10, 2025 Add: Brno Exhibition Centre, Brno, Czech Republic Booth:P-115
Learn more