品牌/Brand:NTH
后拉式油压夹头作径向夹持同时强力后拉,工件不会上浮,适用于铸件及锻件的加工。
后拉式夹持将工件紧贴在基准面上,使夹持稳固,适于重切削。
圆柱滑动结构,可长期使用,并确保重复夹持的优异精度。
准确的自定中心及强力夹持工件不上浮特性,要求长度精准的加工最适宜。
可采用到位侦测,配合自动化系统。
Pull back feature of radial gripping will lead to almost no work piece uplifting displacement;OMATEI Pull Back Power Chucka are ideal for maching casting and forging parts;
By appressing the gripped work piece to the surfce,OMATEI Pull Back Power Chucks are suitable for heavy machining.
Chuck Actuators with cylindrical structure are durable and ensures high gripping repeatability.
Accurate self-centering and pull back features are adequate for precise length control machining requirements.
Optional components can be selecter for detecting the right position on automated loading machine.
尺寸单位/Size unit: mm
|
规格
Spec 型号 Model |
柱塞行程 Plunger stroke mm |
爪行程直径 Jaw stroke Dia. mm |
最高转速 Max RPM |
最大拉力 Max.pull force kgf(KN) |
最大静夹持力 Max gripping force KN |
|---|---|---|---|---|---|
| PL-06 | 10 | 5.3 | 3500 | 1420(14) | 2950(29) |
| PL-08 | 10 | 5.3 | 3000 | 2240(22) | 4890(48) |
| PL-10 | 16 | 11.6 | 2500 | 3160(31) | 4990(49) |
| PL-12 | 16 | 11.6 | 2000 | 4480(44) | 7240(71) |
|
规格
Spec 型号 Model |
最大油压压力 Max.Oil pressure kgf/cm2(Mpa) |
重量 Weight Kg |
搭配油压缸 Matching cylinder |
夹持范围 Gripping range mm |
|---|---|---|---|---|
| PL-06 | 22(2.2) | 15.4 | S-100(S-100R) | Ø35-Ø160 |
| PL-08 | 22(2.2) | 27.8 | S-125(S-125R) | Ø40-Ø210 |
| PL-10 | 30(2.9) | 45.9 | S-125(S-125R) | Ø50-Ø254 |
| PL-12 | 30(2.9) | 75.7 | S-150(S-150R) | Ø50-Ø304 |
|
规格
Spec 型号 Model |
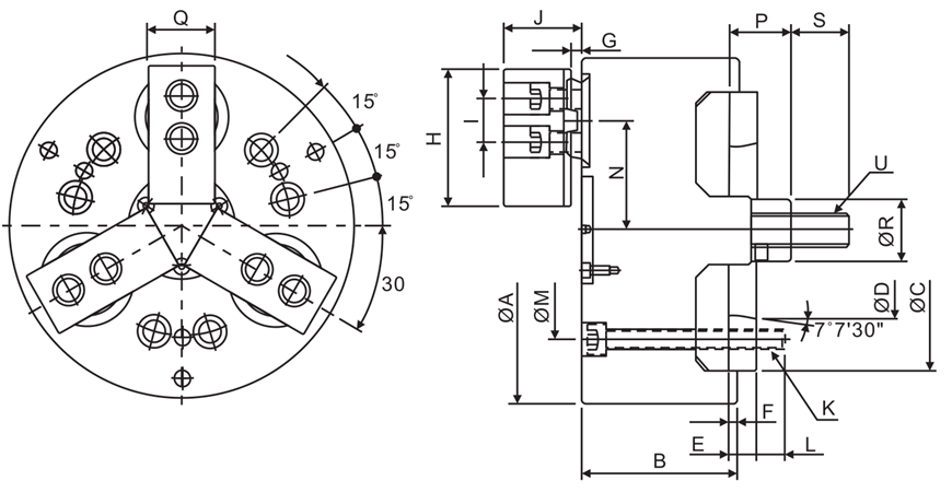
A | B | C | D | E | F | Gmax | Gmin | H | Jmax | Jmin |
|---|---|---|---|---|---|---|---|---|---|---|---|
| PL-06 | 169 | 83 | 140 | 82.563 | 15 | 5 | 15 | 5 | 70 | 46 | 36 |
| PL-08 | 210 | 97 | 170 | 106.375 | 17 | 5 | 16.5 | 6.5 | 84 | 57 | 47 |
| PL-10 | 254 | 110 | 220 | 139.719 | 18 | 5 | 22 | 6 | 100 | 68 | 52 |
| PL-12 | 304 | 125 | 220 | 139.719 | 18 | 5 | 21.5 | 5.5 | 120 | 72.5 | 56.5 |
|
规格
Spec 型号 Model |
I | K | L | M | Nmax | Nmin | Pmax | Pmin | Q | R | S | U |
|---|---|---|---|---|---|---|---|---|---|---|---|---|
| PL-06 | - | 6-M10×1.5P | 14 | 104.8 | 56.65 | 54 | 33 | 23 | 35 | 32 | 36 | M16×2P |
| PL-08 | 26 | 6-M12×1.75P | 17 | 133.4 | 69.65 | 67 | 38 | 28 | 40 | 38 | 36 | M20×2.5P |
| PL-10 | 32 | 6-M16×2P | 24 | 171.4 | 87.8 | 82 | 48 | 32 | 50 | 50 | 46 | M24×3P |
| PL-12 | 36 | 6-M16×2P | 20 | 171.4 | 102.8 | 97 | 47 | 31 | 60 | 52 | 50 | M27×3P |