其他卡盘

产品展示

其他卡盘

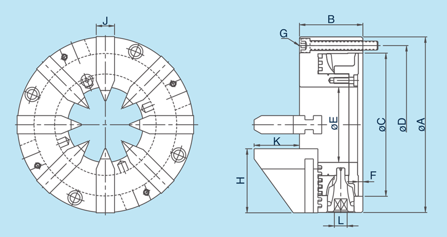
AE 锥型八爪夹头

AE 8-JAW AWL TYPE CHUCKS

点击产品图片放大

资料下载

在线询盘

产品详细介绍

规格/Specification  单位/UNIT:mm

MODEL/SPEC Max. RPM O.D.Clamping Range
mm
Weight
kg
AE-09 1000 Ø7-Ø100 21


MODEL/SPEC A B C D E F G H J K L
AE-09 233 84 190 210 100 5.5 4-M12×1.75P 85 24 60 12
保留技术更改的权利,恕不另行通知 Subject to technology changes without prior information
非标需求可定做  Non-standard requirements can be made

最新新闻

  • 东莞国际机床展览会

    展会及展位信息: 时间:2025.10.29-11.01 开放时间:09:00-18:00 地点: 广东现代国际展览中心 展位号:3A-08

    深入了解
  • 玉环国际机床展览会

    展会及展位信息: 时间:2025.10.17-10.20 开放时间:09:00-18:00 地点: 浙江省台州市玉环市玉环会展中心 展位号:W2-T26

    深入了解
  • 武汉国际机床展-中国国际机电产品博览会WME

    展会及展位信息: 时间:2025年10月11日-13日 开放时间:09:00-18:00 地点:武汉国际博览中心 展位号:B1-1306 & B1-1004

    深入了解