其他卡盘

产品展示

其他卡盘

NT 齿式三爪钢壳夹头

NT 3-JAW STEEL BODY CHUCKS

点击产品图片放大

资料下载

在线询盘

产品详细介绍

齿式钢壳夹盘特色:
1.可替代修整油压生爪成型盘。
2.爪仔可前后任意调整,加大夹持工件范围。
3.生爪及硬爪与CNC车床油压爪共用。
4.钢壳结构于高速回转时安全性高,耐磨性强,使用寿命长。
5.转动板手扭力较小操作顺畅。

Steel body chucks:
1.Can be used as a"Forming plate"for maching soft jaws.
2.Hard jaws and soft jaws can be adjusted just like on a power Chuck to increase the gripping range.
3.Hard jaws as well as Soft jaws are interchangeable with those of power chucks.
4.Chuck Body is made of steel to enhance safety oprations for high speed machining.
5.The Chuck Handle can be operated easily and smoothly.

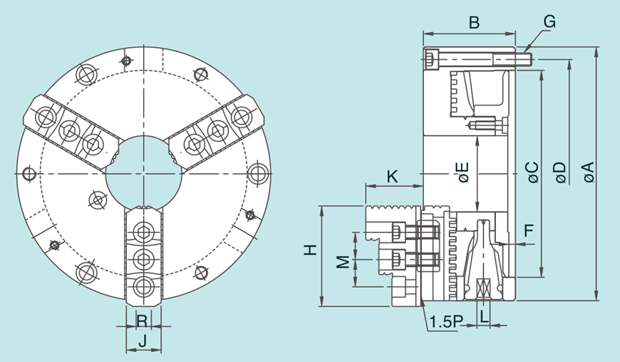
规格 / Specification  单位/UNIT:mm

型式/规格
MODEL/SPEC
最高转速
Max. RPM
外径夹持范围
O.D.Clamping Range
mm
内径夹持范围
I.D.Clamping Range
mm
净重
Weight
kg
NT-07 3200 Ø8-Ø235 Ø66-Ø235 13.1
NT-09 2800 Ø11-Ø280 Ø85-Ø280 21.2
NT-10 2400 Ø12-Ø330 Ø92-Ø330 30.5
NT-12 2100 Ø15-Ø370 Ø104-Ø370 46.1


型式/规格
MODEL/SPEC
A B C D E F G H J K L M R
NT-07 193 78 155 172 58 5 3-M10×1.5P 78 28 46 11 20 12
NT-09 233 85 190 210 70 5.5 3-M12×1.75P 92 32 52 12 25 14
NT-10 273 91 230 250 89 5.5 3-M12×1.75P 101.5 37 56 12 30 16
NT-12 310 104 260 285 105 7 3-M12×1.75P 116 47 67 14 30 21
保留技术更改的权利,恕不另行通知 Subject to technology changes without prior information
非标需求可定做 Non-standard requirements can be made

最新新闻

  • 东莞国际机床展览会

    展会及展位信息: 时间:2025.10.29-11.01 开放时间:09:00-18:00 地点: 广东现代国际展览中心 展位号:3A-08

    深入了解
  • 玉环国际机床展览会

    展会及展位信息: 时间:2025.10.17-10.20 开放时间:09:00-18:00 地点: 浙江省台州市玉环市玉环会展中心 展位号:W2-T26

    深入了解
  • 武汉国际机床展-中国国际机电产品博览会WME

    展会及展位信息: 时间:2025年10月11日-13日 开放时间:09:00-18:00 地点:武汉国际博览中心 展位号:B1-1306 & B1-1004

    深入了解