其他卡盘

产品展示

其他卡盘

4DACT 可调式普通型四爪钢壳夹头

DIN6350 4DACT 4-JAW ADJUSTMENT STEEL BODY SCROLL CHUCKS

点击产品图片放大

资料下载

在线询盘

产品详细介绍

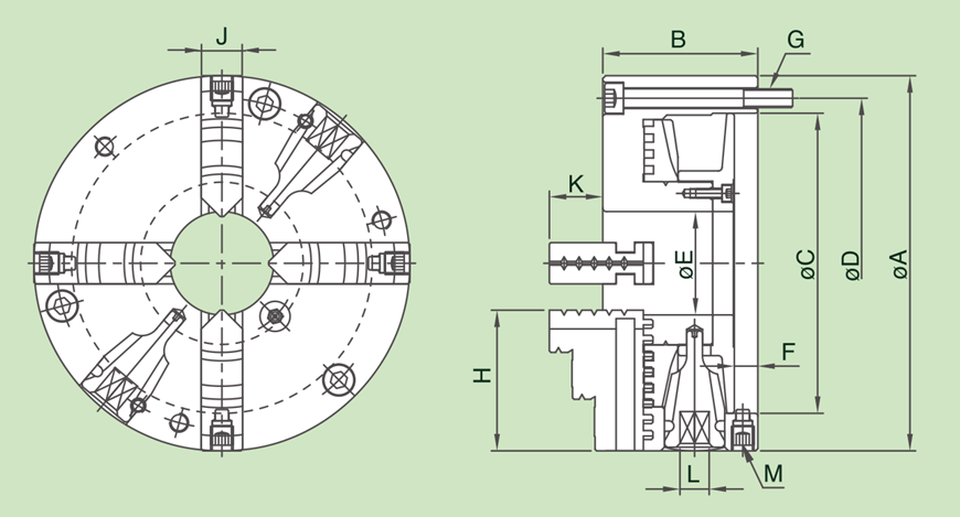
规格 / Specification  单位/UNIT:mm

型式/规格
MODEL/SPEC
最高转速
Max. RPM
外径夹持范围
O.D.Clamping Range
mm
内径夹持范围
I.D.Clamping Range
mm
4DACT-08 3500 Ø4-Ø197 Ø51184
4DACT-10 2600 Ø6-Ø267 Ø70252
4DACT-12 2200 Ø10-Ø325 Ø81308
4DACT-15 1600 Ø14-Ø428 Ø106410


型式/规格
MODEL/SPEC
A B C D E G F H J K M L
4DACT-08 200 82.5 160 176 55 3-M10×1.5P 12 75 22 28 4-M12×1.75P 11
4DACT-10 250 91 200 224 76 3-M12×1.75P 13 98 28 38.5 4-M12×1.75P 12
4DACT-12 315 103 260 286 103 3-M16×2P 14 110 30 44.5 4-M12×1.75P 14
4DACT-15 400 122 330 362 136 3-M16×2P 15 146 40 56 4-M12×1.75P 17
保留技术更改的权利,恕不另行通知 Subject to technology changes without prior information
非标需求可定做 Non-standard requirements can be made

最新新闻

  • 东莞国际机床展览会

    展会及展位信息: 时间:2025.10.29-11.01 开放时间:09:00-18:00 地点: 广东现代国际展览中心 展位号:3A-08

    深入了解
  • 玉环国际机床展览会

    展会及展位信息: 时间:2025.10.17-10.20 开放时间:09:00-18:00 地点: 浙江省台州市玉环市玉环会展中心 展位号:W2-T26

    深入了解
  • 武汉国际机床展-中国国际机电产品博览会WME

    展会及展位信息: 时间:2025年10月11日-13日 开放时间:09:00-18:00 地点:武汉国际博览中心 展位号:B1-1306 & B1-1004

    深入了解