其他卡盘

产品展示

其他卡盘

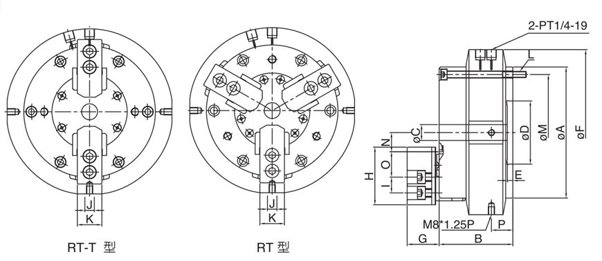
RT 回转气压夹盘

RT ROTARY AIR CHUCK FIXTURES

点击产品图片放大

资料下载

在线询盘

产品详细介绍

轻切削加工适用 Suitable for light cutting

回转式气压夹盘适用於分度盘,具可随分度盘主轴旋转功能,动力夹持加工物作角度分割或旋转切削。
It’s ideal for dividing or cutting work pieces by mounting the chuck on indexing table or rotary table. The distinctive feature is that the chuck rotates with the spindle of indexing table or rotary table.

气缸防锈处理:在潮湿及工作环境较差的情况,气缸内部经防锈处理,不会生锈或卡死。
防尘装置:工作中的铁屑及切削液不易进入夹盘内部的缸式,确保夹盘的使用寿命及精度保持。
前置式气缸:气缸与夹盘直结设计,确保夹持的稳定性,更方便於组装及操作。

Rustproof treated cylinder:
The cylinder won't get rusty and seized even in wet or high moisture working environment.
Dust and water proof cover:
Prevent metal chips or coolant from entering inside of chuck cylinder to maintain its accuracy and lead to longer service life.
Integral pneumatic cylinder:
Connect chuck and built-in cylinder to each other directly;thus enables operation stability. Moreover, it is more convenient for installation and operation since the use of draw tube and draw bar are no longer necessary.


规格 Spec
型号 Model
通孔直径
Thru hole dia.
mm
活塞面积
Piston Area
cm2
柱塞行程
Piston stroke
mm
爪行程直径
Jaw stroke Dia.
mm
RT-05 16 74 10 4.6
RT-06 20 120 13 5.5
RT-08 30 190 16 6.8
RT-10 43 280 19 8
RT-05T 16 74 10 4.6
RT-06T 20 120 13 5.5


规格 Spec
型号 Model
最高转速
Max RPM
最大设定压力
Max.Pressure
kgf/cm2(Mpa)
气压夹持力
Gripping Force
At Air Pressure 7kgf/cm2
Kgf(KN)
夹持范围
Gripping Range
mm
重量
Weight
kg
RT-05 51 7(0.7) 1340(13.1) Ø4-Ø136 9.3
RT-06 41 7(0.7) 2330(22.8) Ø25-Ø166 15.5
RT-08 33 7(0.7) 3730(36.5) Ø33-Ø215 28.5
RT-10 26 7(0.7) 5480(53.7) Ø43-Ø255 42.3
RT-05T 51 7(0.7) 1340(13.1) Ø4-Ø136 9
RT-06T 41 7(0.7) 2330(22.8) Ø25-Ø166 15


规格 Spec
型号 Model
A B C D E F G H I
RT-05 140 85 16 60 6 180 33 62 14
RT-06 170 93 20 80 7 210 40 73 20
RT-08 215 112 30 110 8 250 42 95 25
RT-10 255 120 43 140 8 290 46 110 30
RT-05T 140 85 16 60 6 180 33 62 14
RT-06T 170 93 20 80 7 210 40 73 20


规格 Spec
型号 Model
J K L M P N max N min O mx O  min
RT-05 10 25 6-M8×1.25P PCDØ118 27 26.93 24.62 20.05 6.55
RT-06 12 31 6-M8×1.25P PCDØ147 27 36.46 33.69 21.55 15.55
RT-08 14 35 6-M10×1.5P PCDØ185 28 44.92 41.52 29.55 17.55
RT-10 16 40 6-M10×1.5P PCDØ220 30.5 53.63 49.59 36.55 17.05
RT-05T 10 25 6-M8×1.25P PCDØ118 27 26.93 24.62 20.05 6.55
RT-06T 12 31 6-M8×1.25P PCDØ147 27 36.46 33.69 21.55 15.55


保留技术更改的权利,恕不另行通知 Subject to technology changes without prior information
非标需求可定做 Non-standard requirements can be made

最新新闻

  • 东莞国际机床展览会

    展会及展位信息: 时间:2025.10.29-11.01 开放时间:09:00-18:00 地点: 广东现代国际展览中心 展位号:3A-08

    深入了解
  • 玉环国际机床展览会

    展会及展位信息: 时间:2025.10.17-10.20 开放时间:09:00-18:00 地点: 浙江省台州市玉环市玉环会展中心 展位号:W2-T26

    深入了解
  • 武汉国际机床展-中国国际机电产品博览会WME

    展会及展位信息: 时间:2025年10月11日-13日 开放时间:09:00-18:00 地点:武汉国际博览中心 展位号:B1-1306 & B1-1004

    深入了解