其他卡盘

产品展示

其他卡盘

AP 大孔径中空气动夹头(一)

LARGE THRU-HOLE AIR CHUCK

点击产品图片放大

资料下载

在线询盘

产品详细介绍

超大通孔径气动夹头,内藏气压缸,适合管材加工。

专利注气系统,安装快速容易,无传统注气密封环损坏问题,可节省安装及维修成本。

Large through-hole 3-jaw power chuck with build in air cylinder.

Patented air supply system, it is easy to install and maintain. No abrasion issue of traditional sealed ring. Maintenance cost and time can be saved.

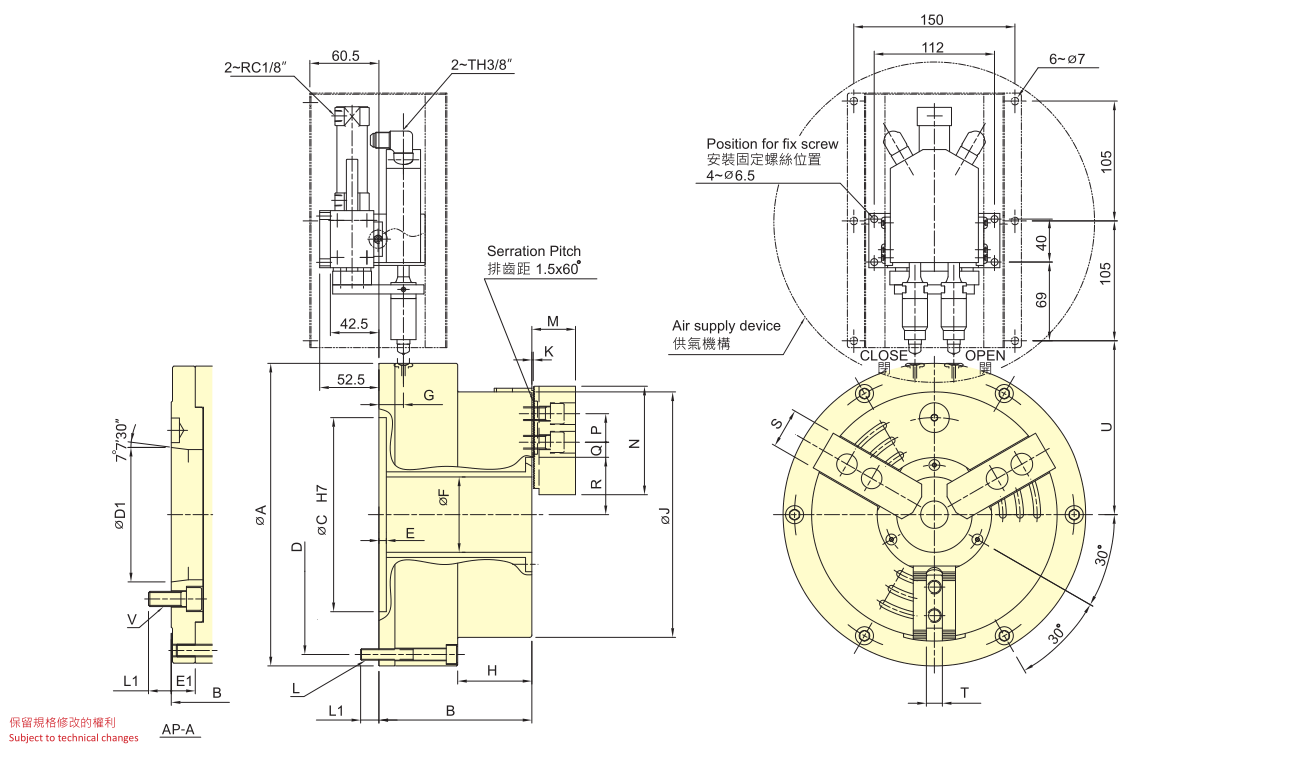
尺寸单位/Size unit: mm

型号

Model

通孔径

Thru-hole Dia.
(mm)

爪行程

Jaw strok (Dia.)
(mm)

夹持直径最大

Chucking Dia. Max.

(mm).

夹持直径最小

Chucking Dia. Min.

(mm)

最大使用压力

Max. pressure
MPa (kgf/cm2)

AP-52A6

52

5.9

170

15

0.6(6.1)

AP-66A6

66

7.6

215

24

0.6(6.1)

AP-86A8

86

8.9

268

43

0.6(6.1)

AP-115A8

115

10.6

330

55

0.6(6.1)


型号

Model

最大夹持力

Max. clamping force

 kN (kgf)

最高转速

Max. speed

min-1(r.p.m.)


I
kg‧m2


重量

Weight (kg)

重 量

Weight (kg)

空气消耗量

Air Consumption
(at 6kgf/cm2)

AP-52A6

40.4(4118)

4200

0.2

26

27

3.1

AP-66A6

51.0(5185)

3500

0.4

38

39

5.1

AP-86A8

76.0(7723)

3200

0.7

58

60

8.7

AP-115A8

80.0(8155)

3000

1.7

92

95

12


型号Model

A

B

C

D

D1

E

E1

F

G

H

J

K

L

L1

L1

AP-52A6

235

121/140

170

215

106.38

6.5

19

52

21.5

58.5

170

2

6~M10

15

18

AP-66A6

265

134/153

170

245

106.38

6.5

19

66

21.5

65

215

2

6~M10

16

18

AP-86A8

315

142/169

220

295

139.72

6.5

27

86

21.5

67

268

2

6~M10

16

24

AP-115A8

370

154/181

220

350

139.72

6.5

27

115

21.5

69

330

2

6~M10

16

24


型号Model

M

N

P

Q max.

Q min.

R max.

R min.

S

T

U

V

AP-52A6

37

73

20

21.2

9.2

38

35.1

31

12

145.5

6~M12

AP-66A6

38

95

25

23.7

8.7

50.2

46.4

35

14

159.5

6~M12

AP-86A8

43

110

30

32.2

12.7

62.2

57.8

40

16

184.5

6~M16

AP-115A8

51

130

30

44.7

14.7

77

71.7

50

21

212

6~M16

红色数据为AP-A型之寸法(The dimensions and the specifications of AP-A type are in the red data.)

保留技术更改的权利,恕不另行通知 Subject to technology changes without prior information
非标需求可定做 Non-standard requirements can be made


最新新闻

  • 东莞国际机床展览会

    展会及展位信息: 时间:2025.10.29-11.01 开放时间:09:00-18:00 地点: 广东现代国际展览中心 展位号:3A-08

    深入了解
  • 玉环国际机床展览会

    展会及展位信息: 时间:2025.10.17-10.20 开放时间:09:00-18:00 地点: 浙江省台州市玉环市玉环会展中心 展位号:W2-T26

    深入了解
  • 武汉国际机床展-中国国际机电产品博览会WME

    展会及展位信息: 时间:2025年10月11日-13日 开放时间:09:00-18:00 地点:武汉国际博览中心 展位号:B1-1306 & B1-1004

    深入了解