超大通孔径气动夹头,内藏气压缸.适合管材加工。
夹头内建有"压力检知"机构,能检知夹头内部压力遽降,确保操作安全。
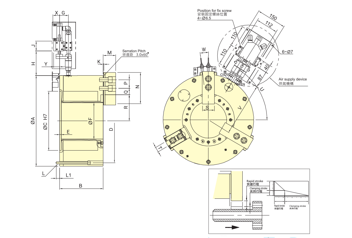
专利注气系统,安装快速容易,无传统注气密封环损耗问题,可节省安装及维修成本。
夹头内建有"夹持检知"机构,能避免夹爪于快速位移行程中夹持工件,进而导致内部零件损坏或工件飞脱所设计之机构。 (只适用于外径夹持)。
两段式行程,可节省夹持所需要时间。
注意:快速行程阶段无法提供足够之夹持力。
Large through-hole 3-jaw power chuck with build in air cylinder.
With build-in "pressure detection" device which can check the rapidly decreasing pressure within the chuck, guarantee to the security when operating.
Patented air supply system, it is easy to install and maintain. No abrasion issue of traditional sealed ring. Maintenance cost and time can be saved.
The build-in "clamping detection" device can avoid jaws clamping the workpiece during the rapid stroke stage. This mechanism can also prevent causing the damage of the internal parts or flying out of workpiece.(only for external clamping).
Extended jaw stroke design can shorten the processing time when gripping.
Notice: No clamping in rapid stroke period.

型号Model
通孔径
Thru-hole Dia.(mm)
爪行程(直径)
Jaw stroke
夹持直径
Chucking Dia.
夹持直径
Chucking Dia.
最大夹持力
Gripping Force
APS-185
185
26/14
460
127
110(11216)
(Dia.) (mm)
Max. (mm)
Min. (mm)
(at 0.6 Mpa) kN (kgf)
|
型号 Model |
空气消耗量(使用压力)
Liter Air Consumption |
最高回转数
Max. speed |
I kg‧m2 |
重量 Weight (kg) |
|---|---|---|---|---|
|
APS-185 |
22 |
1300 |
6.45 |
198 |
|
型号Model |
A |
B |
C |
D |
E |
F |
G |
H |
J |
K |
L |
L1 |
M |
N |
P |
|---|---|---|---|---|---|---|---|---|---|---|---|---|---|---|---|
|
APS-185 |
460 |
221 |
300 |
425 |
8 |
185 |
45 |
124 |
50 |
3.5 |
9~M12 |
17 |
63.7 |
165 |
43 |
型号Model
Q max.
Q min.
R max.
R min.
S
T
U
V
W
X
Y
APS-185
37
17
145
125
62
25.5
58
272
7°
38
30
保留技术更改的权利,恕不另行通知 Subject to technology changes without prior information
非标需求可定做 Non-standard requirements can be made
下一条:3MF薄型手动求心三爪夹头
上一条:AP 大孔径中空气动夹头(二)