软爪/硬爪/扇形爪

产品展示

软爪/硬爪/扇形爪

K51卡盘软爪

SOFT JAWS FOR K51 CHUCK

点击产品图片放大

资料下载

在线询盘

产品详细介绍

品牌:OMATEI

选型指导:
1,所用卡盘的品牌及型号
2,工件尺寸及需要夹持的高度
产品优势:
1,标准软爪材质为优质45#钢,强度好,可硬化。
2,精密齿距紧密贴合卡盘基爪,降低磨损。
3,可用于NTH及所有其他品牌相关型号的卡盘。
4,客制化非标卡爪可设计、定做、OEM代工。

Brand:OMATEI

Selection Guidance
1, Chuck brand and model name
2, Workpiece size and the gripping height
Advantage
1, For standard soft jaws, the material is high quality 45# steel, stronger and hardenable.
2, Fine serration pitch can tight fit with chuck master jaws, lower abrasion.
3, Applicable onto the related chuck models of SMW/Kitagawa/Soul/Howa/Samchully/Auto-strong/Tonfou/Chandox/Autogrip/NTH and so on well-known brand.
4, Customized and non-standard jaws and be designed and OEM.



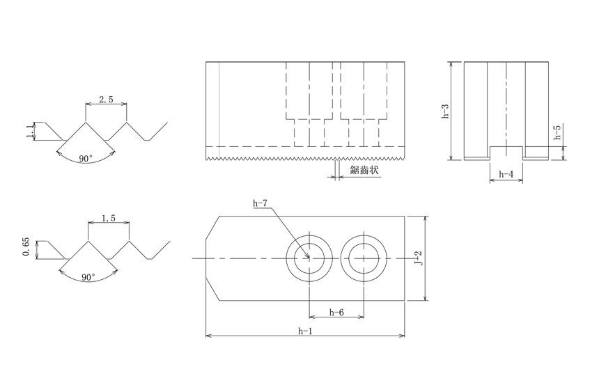
规格/尺寸

SPEC/SIZE

Length

h-1

Width

h-2

Height

h-3

键槽宽

Slot width

h-4

键槽深

Slot depth

h-5

中心孔距

Hole center

distance

h-6

螺丝

Screw

h-7

齿距装饰距

Serration pitch

CH-06(160)

62

35

38

11

4.5

20

M8

1.5×90°

CH-08(200)

80

40

45

13

4.5

24

M12

1.5×90°

CH-10(250)

100

45

52

15

4.5

28

M 12

1.5×90°

CH-12(320)

115

50

62

18

4.5

32

M 16

2.5×90°

CH-15(400)

140

50

75

20

6

45

M 16

2.5×90°

CH-20(500)

160

55

85

22

6

50

M 16

2.5×90°

CH-24(630)

190

60

100

26

6

55

M 20

2.5×90°

可选齿距:3.0*60°,Other option of serration pitch: 3.0*60°
保留技术更改的权利:Subject to technical changes

下一条:CT卡盘软爪

上一条:油压硬爪

最新新闻

  • 东莞国际机床展览会

    展会及展位信息: 时间:2025.10.29-11.01 开放时间:09:00-18:00 地点: 广东现代国际展览中心 展位号:3A-08

    深入了解
  • 玉环国际机床展览会

    展会及展位信息: 时间:2025.10.17-10.20 开放时间:09:00-18:00 地点: 浙江省台州市玉环市玉环会展中心 展位号:W2-T26

    深入了解
  • 武汉国际机床展-中国国际机电产品博览会WME

    展会及展位信息: 时间:2025年10月11日-13日 开放时间:09:00-18:00 地点:武汉国际博览中心 展位号:B1-1306 & B1-1004

    深入了解