NTH 筒夹/膜片夹头

产品展示

NTH 筒夹/膜片夹头

NPT211后拉式橡胶内涨夹头

点击产品图片放大

资料下载

在线询盘

产品详细介绍

品牌/Brand:NTH

NPT型内涨夹头是后拉式动作,装上挡料块绝对的定位于挡料块作轴向定位,因为简夹后拉,全面贴合夹头本体,定靠住止动装置,形成稳定牢固的夹持力,若夹持较短型工件,夹持力具备相同效率。

采用分片式简夹,简夹的锥面完全贴合与夹头本体,因此形成一个组合式的实体夹具,使得加工刚性,机械稳定性,夹持精度都得到很大的提高。

适用与CNC车,专用机,或其它的旋削机械,主要用途为车削,磨,铣等加工。

高同心度和重复精度0.01mm以内。

可增加安装气密检测装置。适合通孔夹持。


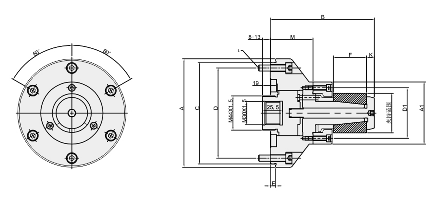
尺寸单位/Size unit: mm

型号Model A A1 B C(H6) D D1 E F M L K
NPT211-100 139 75 107  131 116 50(3-M6) 7 22 60 6-M8*35 10
NPT211-110 139 75 121  131 116 60(3-M6) 7 26 59 6-M8*35
10
NPT211-120 139 80 134  131 116 65(3-M5)
7 43 55 6-M8*35
11
NPT211-130
139 100 152  131 116 80(3-M6) 7 49 62 6-M8*35

NPT211-140
139 115 164  131 116 91(3-M6) 7 59 60 6-M8*35
15
NPT211-150
230 130 210  219 192 117(3-M8) 14 76 75 6-M10*50

 

型号

Model

夹爪行程
mm

夹持范围

mm

筒夹开合量
mm

容许油压缸推力

kgf

最高转速

RPM

最大夹持力

kgf

重量
kg

使用

筒夹

NPT211-100

5.5

22-28

-0.3~+0.4

816

7000

5712

5

HK-1000

NPT211-110

5.5

26-38

-0.3~+0.5

1020

6000

7140

6

HK-1100

NPT211-120

5.5

36-54

-0.4~+0.6

1836

5500

12852

7

HK-1200

NPT211-130

5.5

50-80

-0.4~+0.6

2244

5500

15708

8

HK-1300

NPT211-140
6 69-100 -0.4~+0.6 3060 5500 21420 10 HK-1400
NPT211-150
6 100-130 -0.5~+0.6 4080 5000 28560 30 HK-1500

保留技术更改的权利,恕不另行通知 Subject to technology changes without prior information

非标需求可定做 Non-standard requirements can be made

最新新闻

  • 东莞国际机床展览会

    展会及展位信息: 时间:2025.10.29-11.01 开放时间:09:00-18:00 地点: 广东现代国际展览中心 展位号:3A-08

    深入了解
  • 玉环国际机床展览会

    展会及展位信息: 时间:2025.10.17-10.20 开放时间:09:00-18:00 地点: 浙江省台州市玉环市玉环会展中心 展位号:W2-T26

    深入了解
  • 武汉国际机床展-中国国际机电产品博览会WME

    展会及展位信息: 时间:2025年10月11日-13日 开放时间:09:00-18:00 地点:武汉国际博览中心 展位号:B1-1306 & B1-1004

    深入了解