JP 3 JAW DIAPHRAGM POWER CHUCK
Click on product image magnification
Online inquiryBrand:NTH
JP SERIES HIGH SPEED DIAPHRAGM CHUCKIdeal for fragile parts, or thin-wall parts clamping.
JP/JPL Series Diaphragm Chuck performs its clamping movement by material deformation which features high repeatability and low maintenance requirements. Compared to regular wedge-hook power chucks, JP/JPL diaphragm chuck owns high repeatability of 0.005mm, and longer product life since JP/JPL has no clearance, no sliding parts to wear out. JP is designed for high speed turning machines. It incorporates balancing-weights to eliminate centrifugal force. JPL is specially designed for precision grinders. The chuck is with low profile and mass which enable your machines to have high performance and high chucking accuracy.


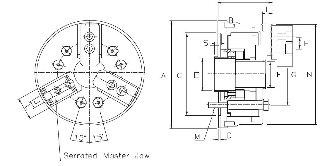
| Model | JP-05 | JP-06 | JP-08 | JP-10 | JP-06L | JP-08L |
|---|---|---|---|---|---|---|
| A | 147(5.79〞) | 182(7.17〞) | 232(9.13〞) | 267(10.51〞) | 167(6.57〞) | 217(8.54〞) |
| B | 68(2.68〞) | 87(3.42〞) | 98(3.86〞) | 105(4.13〞) | 65.5(2.58〞) | 71.5(2.82〞) |
| C(H6) | 110(4.33〞) | 140(5.51〞) | 170(6.69〞) | 220(8.66〞) | 140(5.51〞) | 170(6.69〞) |
| D | 4(0.16〞) | 4.5(0.16〞) | 4.5(0.16〞) | 5(0.20〞) | 5(0.20〞) | 5(0.20〞) |
| E | M40×P1.5 | M55×P2.0 | M60×P2.0 | M85×P2.0 | M55×P2.0 | M60×P2.0 |
| F | 33(1.30〞) | 44(1.73〞) | 50(1.97〞) | 75(2.95〞) | 44(1.73〞) | 52(2.05〞) |
| G(P.C.D) | 82.6(3.25〞) | 104.8(4.13〞) | 133.4(5.25〞) | 171.4(6.75〞) | 104.8(4.13〞) | 133.4(5.25〞) |
| H | 14(0.55〞) | 20(0.79〞) | 25(0.98〞) | 30(1.18〞) | 20(0.79〞) | 25(0.98〞) |
| I | 13(0.51〞) | 15(0.60〞) | 17(0.67〞) | 17(0.67〞) | 17.5(0.69〞) | 18.5(0.73〞) |
| J | 10(0.39〞) | 12(0.47〞) | 14(0.55〞) | 16(0.63〞) | 12(0.47〞) | 14(0.55〞) |
| L | 30(1.18〞) | 38(1.50〞) | 42(1.65〞) | 47(1.85〞) | 38(1.50〞) | 42(1.65〞) |
| M | M10×3 | M10×6 | M12×6 | M16×6 | M10×6 | M12×6 |
| N | 136(5.35〞) | 170(6.70〞) | 217(8.54〞) | 256(10.08〞) | 165(6.50〞) | 220(8.66〞) |
| S | 14(0.55〞) | 11(0.43〞) | 11(0.43〞) | |||
| Max rpm | 8000 | 7500 | 6500 | 5500 | 600 | 600 |
|
Max. Axial Force |
1750kgf (3850lbf) |
2250kgf (4950lbf) |
3500kgf (7700lbf) |
4750kgf (10450lbf) |
2250kgf (4950lbf) |
3500kgf (7700lbf) |
| Matching Chuck | 5〞 chuck | 6〞 chuck | 8〞 chuck | 10〞 chuck | 6〞 chuck | 8〞 chuck |
|
Adapter plate |
Plain back 110mm A2-4 |
Plain back 140mm A2-5 |
Plain back 170mm A2-6 |
Plain back 220mm A2-6/A2-8 |
Plain back 140mm A2-4/A2-5/A2-6 |
Plain back 170mm A2-6 |
| N.W. | 5.5kgs(12.1lbs) | 11.0kgs(24.2lbs) | 20.0kgs(44.0lbs) | 30.5kgs(67.1lbs) | 5.5kgs(12.1lbs) | 8.0kgs(17.6lbs) |
Subject to technology changes without prior information
Non-standard requirements can be made
Exhibition:MANUFACTURING INDONESIA 2025 Date:03. - 06. December 2025 Time:10:00 am. – 06:00 pm. Add: Balai Sidang Jakarta Convention Center,Jakarta,Indonesia Booth:A-150
Learn moreExhibition:METALEX 2025 Date:From 19 to 22 November, 2025 Time:10:00 am. – 06:00 pm. Add: BITEC International Trade & Exhibition Centre,Bangkok, Thailand Booth:H101-BD01
Learn moreExhibition:MSV 2025 International Engineering Fair Date: Tuesday, October 7, 2025 - Friday, October 10, 2025 Add: Brno Exhibition Centre, Brno, Czech Republic Booth:P-115
Learn more