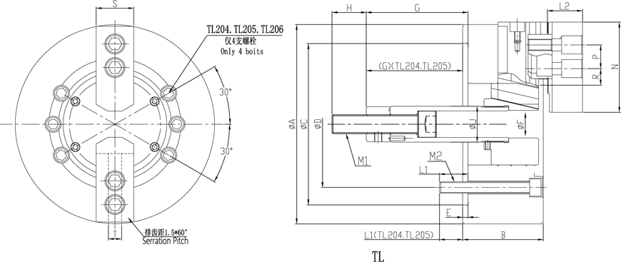
2-JAW SOLID POWER CHUCKS
Click on product image magnification
Online inquiryBrand:NTH
It‵s wedge-hook type 2 jaw closed center power chuck. Suitable for irregular workpiece.
Matching surfaces of all parts are hardened, ground and lubricated directly.
Construction of high rigidity and high clamping accuracy and high rotary speed.
Size unit: mm
| Spec/ Model |
Plunger stroke mm |
Jaw stroke Dia. mm |
Max RPM |
Max.pull force kgf(KN) |
Max gripping force KN |
|---|---|---|---|---|---|
| TL-204 | 15 | 6.9 | 6000 | 540(5.3) | 1500(14.7) |
| TL-205 | 15 | 6.9 | 5500 | 540(5.3) | 1700(16.7) |
| TL-206A5 | 20 | 9.2 | 5250 | 1220(12) | 3460(34) |
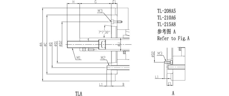
| TL-208A5 | 21 | 9.7 | 4750 | 1630(16) | 5100(50) |
| TL-208A6 | 21 | 9.7 | 4750 | 1630(16) | 5100(50) |
| TL-210A6 | 25 | 8.8 | 4000 | 1930(19) | 7300(71.5) |
| TL-210A8 | 25 | 8.8 | 4000 | 1930(19) | 7300(71.5) |
| TL-212A8 | 30 | 10.5 | 3360 | 2750(27) | 10600(103.9) |
| TL-215A8 | 35 | 16 | 3000 | 5600(54.9) | 16800(164.6) |
| TL-215A11 | 35 | 16 | 3000 | 5600(54.9) | 16800(164.6) |
| Spec/Model |
Max.Oil pressure kgf/cm2(Mpa) |
Weight Kg |
Weight Kg(with ap) |
Matching cylinder |
Gripping range mm |
|---|---|---|---|---|---|
| TL-204 | 19(1.9) | 4.1 |
|
S-65 | Ø5-Ø110 |
| TL-205 | 19(1.9) | 6.2 |
|
S-80 | Ø14-Ø135 |
| TL-206A5 | 17(1.7) | 13 | 14 | S-100 | Ø14-Ø165 |
| TL-208A5 | 16(1.6) | 24 | 28 | S-125 | Ø17-Ø210 |
| TL-208A6 | 16(1.6) | 24 | 27 | S-125 |
Ø17-Ø210 |
| TL-210A6 | 19(1.9) | 35 | 42 | S-125 | Ø22-Ø254 |
| TL-210A8 | 18(1.8) | 35 | 40 | S-125 |
Ø22-Ø254 |
| TL-212A8 | 18(1.8) | 59 | 63 | S-150 | Ø22-Ø304 |
| TL-215A8 | 19(1.9) | 100 | 114 | S-200 |
Ø50-Ø381 |
| TL-215A11 | 19(1.9) | 100 | 107 | S-200 |
Ø50-Ø381 |
| Spec/Model | Spindle Nose | A | B |
B(with ap) |
C(h6) | D | E | E1 | F | H | J | D1 | D2 |
|---|---|---|---|---|---|---|---|---|---|---|---|---|---|
| TL-204 | - | 110 | 52 |
|
60 | 80 | 6 | - | - | 25 | 26 | - | - |
| TL-205 | - | 135 | 55 |
|
80 | 100 | 7 | - | - | 35 | 28 | - | - |
| TL-206A5 | A5 | 165 | 74 | 84 | 140 | 104.8 | 5 | 15 | 21 | 36 | 34 | 82.56 | 116 |
| TL-208A5 | A5 | 210 | 85 | 103 | 170 | 133.4 | 5 | 23 | 25 | 36 | 38 | 82.56 | 104.8 |
| TL-208A6 | A6 | 210 | 85 | 97 | 170 | 133.4 | 5 | 17 | 25 | 36 | 38 | 106.38 | 150 |
| TL-210A6 | A6 | 254 | 89 | 109 | 220 | 171.4 | 5 | 25 | 34 | 36 | 45 | 106.38 | 133.4 |
| TL-210A8 | A8 | 254 | 89 | 102 | 220 | 171.4 | 5 | 18 | 34 | 36 | 45 | 139.72 | 190 |
| TL-212A8 | A8 | 304 | 106 | 118 | 220 | 171.4 | 6 | 18 | 34 | 36 | 50 | 139.72 | 190 |
| TL-215A8 | A8 | 381 | 114 | 141 | 300 | 235 | 6 | 32 | - | 55 | 60 | 139.72 | 171.4 |
| TL-215A11 | A11 | 381 | 114 | 130 | 300 | 235 | 6 | 22 | - | 55 | 50 | 196.87 | 260 |
| Spec/ Model | Gmax | Gmin |
Gmax(with ap) |
Gmin (with ap) |
Rmax | Rmin | L1 | L2 | M1 | M2 | M3 | N | P | S | T |
|---|---|---|---|---|---|---|---|---|---|---|---|---|---|---|---|
| TL-204 | 18 | 3 |
|
|
11.3 | 8.3 | 12 | 25 | M10x1.5 | 4-M8 | - | 52 | 14 | 25 | 10 |
| TL-205 | 9 | -6 |
|
|
13.5 | 6 | 14 | 32 | M12x1.75 | 4-M8 | - | 62 | 14 | 25 | 10 |
| TL-206A5 | 101.5 | 81.5 | 86.5 | 66.5 | 18 | 7.5 | 14 14 | 39 | M16x2 | 4-M10 | 4-M6 | 73 | 20 | 31 | 12 |
| TL-208A5 | 127 | 106 | 104 | 83 | 22.3 | 11.8 | 20 17 | 41 | M20x2.5 | 6-M12 | 6-M10 | 95 | 25 | 35 | 14 |
| TL-208A6 | 127 | 106 | 110 | 89 | 22.3 | 11.8 | 20 18 | 41 |
M20x2.5 |
6-M12 | 4-M6 | 95 | 25 | 35 | 14 |
| TL-210A6 | 158 | 133 | 133 | 108 | 30.8 | 11.3 | 18 18 | 46 |
M20x2.5 |
6-M16 | 6-M12 | 110 | 30 | 40 | 16 |
| TL-210A8 | 158 | 133 | 140 | 115 | 30.8 | 11.3 | 18 25 | 46 |
M20x2.5 |
6-M16 | 4-M8 | 110 | 30 | 40 | 16 |
| TL-212A8 | 163 | 133 | 145 | 115 | 48.8 | 12.3 | 22 25 | 54 |
M20x2.5 |
6-M16 | 4-M8 | 130 | 30 | 50 | 18 |
| TL-215A8 | 104 | 69 | 71 | 36 | 48.8 | 23.3 | 30 29 | 63 |
M30x3.5 |
6-M20 | 6-M16 | 165 | 43 | 62 | 25.5 |
| TL-215A11 | 104 | 69 | 82 | 47 | 48.8 | 23.3 | 30 33 | 63 |
M30x3.5 |
6-M20 | 4-M10 | 165 | 43 | 62 | 25.5 |
Subject to technology changes without prior information
Non-standard requirements can be made
Exhibition:MANUFACTURING INDONESIA 2025 Date:03. - 06. December 2025 Time:10:00 am. – 06:00 pm. Add: Balai Sidang Jakarta Convention Center,Jakarta,Indonesia Booth:A-150
Learn moreExhibition:METALEX 2025 Date:From 19 to 22 November, 2025 Time:10:00 am. – 06:00 pm. Add: BITEC International Trade & Exhibition Centre,Bangkok, Thailand Booth:H101-BD01
Learn moreExhibition:MSV 2025 International Engineering Fair Date: Tuesday, October 7, 2025 - Friday, October 10, 2025 Add: Brno Exhibition Centre, Brno, Czech Republic Booth:P-115
Learn more