Brand:NTH
It‵s a pin-arbor draw down type 3 jaw through hole power chuck.
Suitable for heavy duty machining.
High accuracy and high rotary speed and Strong gripping force.
Size unit: mm
| Spec/ Model |
Plunger stroke mm |
Jaw stroke Dia. mm |
Max chucking Dia. mm |
Min chucking Dia. mm |
Max.D.B.Pull kgf |
|---|---|---|---|---|---|
| 3AB-205 | 6 | 3 | 84 | 15 | 13.9(1420) |
| 3AB-206 | 10 | 5 | 105 | 20 | 17.9(1830) |
| 3AB-208 | 10 | 5 | 132 | 25 | 25.0(2550) |
| 3AB-210 | 10 | 5 | 163 | 34 | 35.0(3570) |
| 3AB-212 | 10 | 5 | 210 | 81 | 35.0(3570) |
| Spec/Model |
Max clamping force kgf |
Max RPM |
Inertia moment kg*m2 |
Weight kg |
Matched cylinders |
Max Pressure Mpa(kgf) |
|---|---|---|---|---|---|---|
| 3AB-205 | 39.7(4050) | 7000 | 0.012 | 6.8 | SNK-100 | 2.0(20) |
| 3AB-206 | 57.8(5900) | 6000 | 0.055 | 14.7 | SNK-100 | 2.6(26) |
| 3AB-208 | 80.0(8150) | 4500 | 0.14 | 25.5 | SNK-125 | 2.2(22) |
| 3AB-210 | 100.0(10100) | 3600 | 0.36 | 43.5 | SNK-125 | 3.1(3.1) |
| 3AB-212 | 100.0(10100) | 3600 | 0.68 | 63 | SNK-125 | 3.1(3.1) |
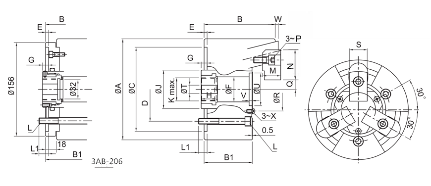
| Spec/Model | A | B | B1 | C(H6) | D | E | F | G max | G min | H | J | K | L | L1 |
|---|---|---|---|---|---|---|---|---|---|---|---|---|---|---|
| 3AB-205 | 135 | 84.5 | 63 | 110 | 82.6 | 4 | 35 | 16 | 10 | 26 | 50 | M28×1.5 | 3-M10 | 15 |
| 3AB-206 | 168 | 121 | 83 | 140 | 104.8 | 5 | 42 | 20 | 10 | 25 | 60 | M35×1.5 | 6-M10 | 16 |
| 3AB-208 | 210 | 137 | 92 | 170 | 133.4 | 5 | 52 | 21 | 11 | 31 | 80 | M48×2 | 3-M12 | 18 |
| 3AB-210 | 254 | 152 | 102 | 220 | 171.4 | 5 | 75 | 25 | 15 | 37 | 105 | M68×2 | 3-M16 | 23 |
| 3AB-212 | 304 | 157 | 102 |
220 |
171.4 | 5 | 100 | 25 | 15 | 37 | 135 | M92×2 | 3-M16 | 26 |
| Spec/Model | M | N | P | Q max | Q min | R | S | T | U | V | W max | W min | X |
|---|---|---|---|---|---|---|---|---|---|---|---|---|---|
| 3AB-204 | 17 | 32 | M6 | 10.75 | 9.25 | 46 | 20 | 10 | 38 | 4 | 3 | -3 | M4 |
| 3AB-205 | 20 | 41.5 | M8 | 13.25 | 11.75 | 55 | 24 | 10 | 45 | 5 | 3 | -3 | M5 |
| 3AB-206 | 30 | 50 | M10 | 15.75 | 13.25 | 72 | 30 | 17 | 58 | 6 | 5 | -5 | M5 |
| 3AB-208 | 34 | 63 | M12 | 16.25 | 13.75 | 82 | 35 | 17 | 68 | 6 | 5 | -5 | M6 |
| 3AB-210 | 39 | 74 | M14 | 20.75 | 18.25 | 107 | 40 | 17 | 93 | 6 | 5 | -5 | M8 |
| 3AB-212 | 44 | 74 | M14 | 44.25 | 41.75 | 130 | 40 | 17 | 114 | 6 | 5 | -5 | M10 |
Subject to technology changes without prior information
Non-standard requirements can be made
Next:3AT PULL LOCK POWER CHUCK
Previous:DPF 4 JAW PULL BACK POWER CHUCK
Exhibition:MANUFACTURING INDONESIA 2025 Date:03. - 06. December 2025 Time:10:00 am. – 06:00 pm. Add: Balai Sidang Jakarta Convention Center,Jakarta,Indonesia Booth:A-150
Learn moreExhibition:METALEX 2025 Date:From 19 to 22 November, 2025 Time:10:00 am. – 06:00 pm. Add: BITEC International Trade & Exhibition Centre,Bangkok, Thailand Booth:H101-BD01
Learn moreExhibition:MSV 2025 International Engineering Fair Date: Tuesday, October 7, 2025 - Friday, October 10, 2025 Add: Brno Exhibition Centre, Brno, Czech Republic Booth:P-115
Learn more