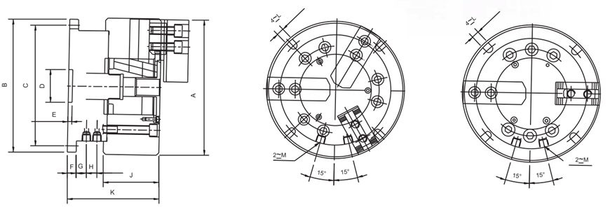
CLOSE CENTER STATIONARY 2/3-JAW POWER CHUCK
Click on product image magnification
Online inquiryBrand:NTH
It‵s a stationary chucks for
drilling, milling and other CNC machines. 2 jaw chuck and 3 jaw chuck
are available
Specification and size of matching chuck for model VP-200 is same
as the chuck model TL series.
Specification and size of matching chuck for model VP-300 is
same as the chuck model T series.
Size unit: mm
| Spec/Model |
Piston area c㎡ Extend |
Piston area c㎡ Retract |
Jaw stroke mm |
Max Pressure Mpa(Kgf/cm2) |
Weight Kg |
|---|---|---|---|---|---|
| VT-204 | 28 | 24.9 | 6.4 | 2.1(21) | 7.1 |
| VT-304 | 28 | 24.9 | 6.4 | 3.1(31) | 7.9 |
| VT-205 | 28 | 24.9 | 6.4 | 2.3(23) | 10.2 |
| VT-305 | 28 | 24.9 | 6.4 | 3.5(35) | 10.6 |
| VT-206 | 63.1 | 53.5 | 8.5 | 2.4(24) | 18.3 |
| VT-306 | 63.1 | 53.5 | 8.5 | 3.6(36) | 19.3 |
| VT-208 | 103.4 | 90.8 | 8.8 | 2.0(20) | 31.6 |
| VT-308 | 103.4 | 90.8 | 8.8 | 3.0(30) | 33.6 |
| VT-210 | 153.1 | 133.5 | 10.6 | 1.6(16) | 52.8 |
| VT-310 | 153.1 | 133.5 | 10.6 | 2.3(23) | 54.5 |
| VT-212 | 177 | 153 | 16 | 2.0(20) | 117 |
| VT-312 | 177 | 153 | 16 | 2.8(28) | 119 |
| VT-215 | 292 | 275 | 10.6 | 2.6(26) | 160 |
| VT-315 | 292 | 275 | 10.6 | 3.1(31) | 165 |
| Spec/Model | A | B | C | D H7 | E | F | G | H | J | K | L | M |
|---|---|---|---|---|---|---|---|---|---|---|---|---|
| VT-204 | 110 | 146 | 130 | 30 | 4.5 | 12 | 23 | 26 | 52 | 92 | 9 | PT1/4 |
| VT-304 | 110 | 146 | 130 | 30 | 4.5 | 12 | 23 | 26 | 52 | 92 | 9 | PT1/4 |
| VT-205 | 135 | 146 | 130 | 30 | 4.5 | 12 | 23 | 26 | 55 | 95 | 9 | PT1/4 |
| VT-305 | 135 | 146 | 130 | 30 | 4.5 | 12 | 23 | 26 | 55 | 95 | 9 | PT1/4 |
| VT-206 | 169 | 178 | 160 | 40 | 5 | 12 | 25 | 30 | 74 | 125 | 11 | PT1/4 |
| VT-306 | 169 | 178 | 160 | 40 | 5 | 12 | 25 | 30 | 74 | 125 | 11 | PT1/4 |
| VT-208 | 210 | 205 | 186 | 40 | 5 | 14 | 29 | 30 | 85 | 140 | 11 | PT3/8 |
| VT-308 | 210 | 205 | 186 | 40 | 5 | 14 | 29 | 30 | 85 | 140 | 11 | PT3/8 |
| VT-210 | 254 | 248 | 225 | 50 | 5 | 17 | 32 | 30 | 89 | 176 | 13 | PT3/8 |
| VT-310 | 254 | 248 | 225 | 50 | 5 | 17 | 32 | 30 | 89 | 176 | 13 | PT3/8 |
| VT-212 | 304 | 375 | 340 | 110 | 5 | 23 | 37 | 30 | 106 | 206 | 18 | PT3/8 |
| VT-312 | 304 | 375 | 340 | 110 | 5 | 23 | 37 | 30 | 106 | 206 | 18 | PT3/8 |
| VT-215 | 381 | 400 | 376 | 130 | 10 | 25 | 40 | 30 | 114 | 228 | 22 | PT3/8 |
| VT-315 | 381 | 400 | 376 | 130 | 10 | 25 | 40 | 30 | 114 | 228 | 22 | PT3/8 |
Subject to technology changes without prior information
Non-standard requirements can be made
Exhibition:MANUFACTURING INDONESIA 2025 Date:03. - 06. December 2025 Time:10:00 am. – 06:00 pm. Add: Balai Sidang Jakarta Convention Center,Jakarta,Indonesia Booth:A-150
Learn moreExhibition:METALEX 2025 Date:From 19 to 22 November, 2025 Time:10:00 am. – 06:00 pm. Add: BITEC International Trade & Exhibition Centre,Bangkok, Thailand Booth:H101-BD01
Learn moreExhibition:MSV 2025 International Engineering Fair Date: Tuesday, October 7, 2025 - Friday, October 10, 2025 Add: Brno Exhibition Centre, Brno, Czech Republic Booth:P-115
Learn more