2F 2 JAW CLOSED CENTER FINGER POWER CHUCK
Click on product image magnification
Online inquiryBrand:NTH
To prevent deformation of workpiece for gripping the end surface, suitable for thin workpiece.
The compensating mechanism of gripping that can clamp irregular surface workpieces.
It can go with the check device to inspect the clamping status.
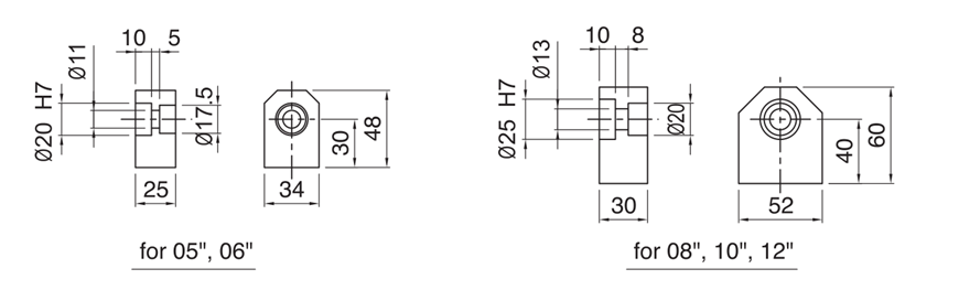
Size unit: mm
| Spec / Model |
Plunger stroke mm |
Jaw stroke Dia. mm |
Max chucking Dia. mm |
Min chucking Dia. mm |
Max.D.B.Pull KN(kgf) |
|---|---|---|---|---|---|
| 2F-05 | 12 | 8 | 53 | 25 | 5.0(510) |
| 2F-06 | 12 | 8 | 79 | 55 | 6.0(512) |
| 2F-08 | 12 | 8 | 106 | 75 | 12.0(1224) |
| 2F-10 | 12 | 8 | 150 | 119 | 12.0(1224) |
| 2F-12 | 12 | 8 | 200 | 169 | 12.0(1224) |
| Spec / Model |
Max clamping force KN(kgf) |
Max RPM |
Inertia kg*m2 |
Weight kg |
Matched cylinders |
Max Pressure Mpa(kgf) |
|---|---|---|---|---|---|---|
| 2F-05 | 4.0(408) | 4000 | 0.015 | 9 | S-100R/SNK-100 | 0.7(7) |
| 2F-06 | 5.0(510) | 4000 | 0.035 | 9.8 | S-100R/SNK-100 | 0.8(8) |
| 2F-08 | 11.0(1122) | 3500 | 0.12 | 20.3 | S-100R/SNK-100 | 1.7(17) |
| 2F-10 | 11.0(1122) | 3500 | 0.28 | 30.7 | S-100R/SNK-100 | 1.7(17) |
| 2F-12 | 11.0(1122) | 3000 | 0.52 | 41.2 | S-100R/SNK-100 | 1.7(17) |
Spec / Model
A
B
C
D
F
G Max
G Min
J
J1
K
2F-05
135
86
110
82.6
40
75
55
25
10
M12×1.75
2F-06
165
86
140
104.8
45
75
55
28
14
M16×2
2F-08
210
90
170
133.4
56
80
60
38
16
M20×2.5
2F-10
254
95
220
171.4
56
75
55
38
16
M20×2.5
2F-12
304
95
220
171.4
56
75
55
38
16
M20×2.5
Spec / Model
L
L1
M Max
M Min
N
P
Q
R
S
T
U
2F-05
M10
15
56
36
20
M10
42.5
27
4-M6
50
30°
2F-06
M10
15
56
36
20
M10
57.5
40
4-M8
64
50°
2F-08
M12
18
71
51
25
M12
77.5
53.5
6-M8
104
50°
2F-10
M16
24
71
51
25
M12
99.5
75.5
6-M8
140
50°
2F-12
M16
24
71
51
25
M12
124.5
100.5
6-M8
190
50°
Subject to technology changes without prior information
Non-standard requirements can be made
Next:TR TRACTION CHUCK
Exhibition:MANUFACTURING INDONESIA 2025 Date:03. - 06. December 2025 Time:10:00 am. – 06:00 pm. Add: Balai Sidang Jakarta Convention Center,Jakarta,Indonesia Booth:A-150
Learn moreExhibition:METALEX 2025 Date:From 19 to 22 November, 2025 Time:10:00 am. – 06:00 pm. Add: BITEC International Trade & Exhibition Centre,Bangkok, Thailand Booth:H101-BD01
Learn moreExhibition:MSV 2025 International Engineering Fair Date: Tuesday, October 7, 2025 - Friday, October 10, 2025 Add: Brno Exhibition Centre, Brno, Czech Republic Booth:P-115
Learn more