DPR 3 JAW PULL BACK POWER CHUCK
Click on product image magnification
Online inquiryBAND:NTH
DPR pull back power chuck, it pulls back while radial clamping the workpiece.
When the workpiece is clamped onto the basic position end, it can’t move up, it’s suitable for processing casting and forgings parts.
The cylindrical sliding structure is adopted, the repeating clamping accuracy and length fixing accuracy is excellent.
It can go with air detection device to check if the clamping is OK or not.

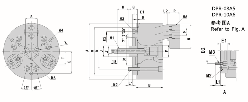
Model
Plunger stroke
(mm)
Jaw stroke(mm)
Max.Pull force
KN(kgf)
Max. Gripping force
KN(kgf)
Max. Speed
(r/min)
DPR-06A5
15
7.8
9(910)
25.0(2550)
3500
DPR-08A5
20
10.3
16(1630)
45.0(4590)
3000
DPR-08A6
20
10.3
16(1630)
45.0(4590)
3000
DPR-10A6
20
10.3
21(2140)
60.0(6120)
2500
DPR-10A8
20
10.3
21(2140)
60.0(6120)
2500
DPR-12A8
20
10.3
45(4590)
112.5(11470)
2100
DPR-15A11
20
10.3
53.9(5500)
134.7(13750)
1800
|
Model |
Gripping range (mm) |
Moment of inertial (kg.m²) |
Weight (kg) |
Matching cylinder |
Max. pressure MPa (kgf/cm²) |
|---|---|---|---|---|---|
|
DPR-06A5 |
22-165 |
0.05 |
16.8 |
S-100 |
2.5(25) |
|
DPR-08A5 |
28-210 |
0.14 |
28.9 |
S-125 |
2.2(22) |
|
DPR-08A6 |
28-210 |
0.14 |
27.1 |
S-125 |
2.2(22) |
|
DPR-10A6 |
35-254 |
0.36 |
53.5 |
S-125 |
1.9(19) |
|
DPR-10A8 |
35-254 |
0.36 |
51.5 |
S-125 |
1.9(19) |
| DPR-12A8 | 50-304 |
0.79 |
73 | S-150 | 2.9(29) |
| DPR-15A11 | 60-381 | 2.05 | 137 | S-200 | 2.0(20) |
|
Model |
A |
B |
C(H6) |
D |
D1 |
D2 |
E |
E1 |
F |
G max |
G min |
H |
J |
J1 |
K |
L1 |
|---|---|---|---|---|---|---|---|---|---|---|---|---|---|---|---|---|
|
DPR-06A5 |
165 |
85 |
140 |
104.8 |
82.56 |
116 |
5 |
15 |
35 |
30 |
15 |
35 |
32 |
13 |
55 |
13 |
|
DPR-08A5 |
210 |
100 |
170 |
133.4 |
82.56 |
104.8 |
5 |
23 |
45 |
27 |
7 |
38 |
37 |
16 |
75 |
17 |
|
DPR-08A6 |
210 |
100 |
170 |
133.4 |
106.38 |
150 |
5 |
17 |
45 |
27 |
7 |
38 |
37 |
16 |
75 |
17 |
|
DPR-10A6 |
254 |
110 |
220 |
171.4 |
106.38 |
133.4 |
5 |
25 |
55 |
31 |
11 |
41 |
48 |
20 |
85 |
19 |
|
DPR-10A8 |
254 |
110 |
220 |
171.4 |
139.72 |
190 |
5 |
18 |
55 |
31 |
11 |
41 |
48 |
20 |
85 |
19 |
|
DPR-12A8 |
304 | 125 | 220 | 171.4 | 139.72 | 190 | 5 | 18 | 65 | 50 | 30 | 50 | 55 | 22 | 105 | 20 |
| DPR-15A11 | 381 | 140 | 300 | 235 | 196.87 | 260 | 5 | 22 | 80 | 60 | 40 | 55 | 60 | 25 | 140 | 25 |
|
Model |
L2 min |
M1 |
M2 |
M3 |
M4 |
M5 |
M6 |
N |
P |
R |
S |
T |
X |
|---|---|---|---|---|---|---|---|---|---|---|---|---|---|
|
DPR-06A5 |
8 |
M16 |
6-M10 |
3-M6 |
6-M6 |
3-M5 |
6-M10 |
73 |
23 |
35 |
35 |
35 |
45 |
|
DPR-08A5 |
9 |
M20 |
6-M12 |
6-M10 |
6-M10 |
3-M6 |
6-M12 |
82 |
26 |
40 |
40 |
50 |
60 |
|
DPR-08A6 |
9 |
M20 |
6-M12 |
3-M6 |
6-M10 |
3-M6 |
6-M12 |
82 |
26 |
40 |
40 |
50 |
60 |
|
DPR-10A6 |
9 |
M24 |
6-M16 |
6-M12 |
6-M10 |
3-M6 |
6-M14 |
100 |
32 |
46 |
50 |
55 |
70 |
|
DPR-10A8 |
9 |
M24 |
6-M16 |
3-M8 |
6-M10 |
3-M6 |
6-M14 |
100 |
32 |
46 |
50 |
55 |
70 |
|
DPR-12A8 |
8 | M27 | 6-M16 | 3-M8 | 6-M10 | 3-M6 | 6-M16 | 120 | 36 | 51 | 60 | 70 | 76 |
| DPR-15A11 | 8 | M30 | 6-M20 | 3-M10 | 6-M12 | 3-M8 | 6-M16 | 165 | 40 | 55 | 70 | 95 | 100 |
Subject to technology changes without prior information
Non-standard requirements can be made
Exhibition:MANUFACTURING INDONESIA 2025 Date:03. - 06. December 2025 Time:10:00 am. – 06:00 pm. Add: Balai Sidang Jakarta Convention Center,Jakarta,Indonesia Booth:A-150
Learn moreExhibition:METALEX 2025 Date:From 19 to 22 November, 2025 Time:10:00 am. – 06:00 pm. Add: BITEC International Trade & Exhibition Centre,Bangkok, Thailand Booth:H101-BD01
Learn moreExhibition:MSV 2025 International Engineering Fair Date: Tuesday, October 7, 2025 - Friday, October 10, 2025 Add: Brno Exhibition Centre, Brno, Czech Republic Booth:P-115
Learn more