品牌/Brand:NTH
适用于铸造和锻造工件的自定心车削加工
工件夹紧并后拉,能夹持10度的锥体,卡爪可左右摇摆5度。
重复定位精度可达0.03mm
Suitable for self centering turning process for casting and forging workpiece
Clamping and drawing back the workpiece, it can clamp the parts with 10 degree taper, and the chuck jaws can swing 5 degree.
The accuracy for repeatibility position can meet 0.03mm
|
规格
Spec 型号 Model |
夹持外径 Clamping out dia mm |
夹持内径 Clamping inner dia mm |
柱塞行程 Piston stroke mm |
爪行程直径 Jaw stroke dia mm |
最高转速 Max RPM |
|---|---|---|---|---|---|
| FW-06 | 12.7-120 | 70-152 | 11.4 | 7.9 | 4000 |
| FW-08 | 16-152 | 76-203 | 14.2 | 9.5 | 3500 |
| FW-10 | 50-203 | 85-235 | 17.5 | 12.7 | 3200 |
| FW-12 | 63-241 | 127-305 | 17.5 | 12.7 | 2500 |
| FW-15 | 78-310 | 170-380 | 22.4 | 15.8 | 1800 |
| FW-18 | 90-390 | 245-455 | 22.4 | 15.8 | 1500 |
| FW-21 | 165-470 | 320-530 | 22.4 | 15.8 | 1000 |
|
规格
Spec 型号 Model |
容许油压缸推力 Max.D.B.Pull kgf |
最大夹持力 Max clamping force kgf |
适合油压缸 Matched cylinders |
重量 Weight kg |
|---|---|---|---|---|
| FW-06 | 23 | 70 | S-100R | 14.8 |
| FW-08 | 32 | 96 | S-125R | 23.7 |
| FW-10 | 40 | 123 | S-125R | 39.5 |
| FW-12 | 40 | 123 | S-150R | 58.5 |
| FW-15 | 54 | 165 | S-150R | 95.2 |
| FW-18 | 55 | 166 | S-200R | 145 |
| FW-21 | 56 | 167 | S-200R | 180 |
|
规格
Spec 型号 Model |
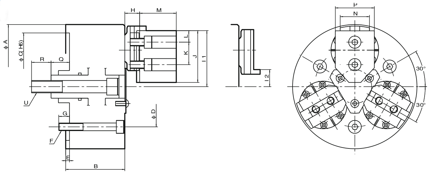
A | B | C | D | E | F | H | I1 | I2 |
|---|---|---|---|---|---|---|---|---|---|
| FW-06 | 162 | 77 | 140 | 104.8 | 5 | 3-M10 | 14.3 | 73 | 22.2 |
| FW-08 | 200 | 88 | 170 | 133.4 | 5 | 3-M12 | 19.3 | 89 | 25 |
| FW-10 | 254 | 105 | 220 | 171.4 | 5 | 3-M16 | 24.5 | 112.8 | 30.2 |
| FW-12 | 300 | 105 | 220 | 171.4 | 5 | 3-M16 | 24.5 | 133.3 | 50.7 |
| FW-15 | 381 | 120 | 300 | 235 | 6 | 3-M20 | 29 | 171.15 | 69.85 |
| FW-18 | 457 | 126.5 | 380 | 260 | 6 | 3-M24 | 29 | 209.65 | 108.35 |
| FW-21 | 533 | 126.5 | 380 | 330.2 | 6 | 3-M24 | 29 | 248 | 146.7 |
|
规格
Spec 型号 Model |
J | K | L | M | N | P | Q | R | U |
|---|---|---|---|---|---|---|---|---|---|
| FW-06 | 68 | 29.4 | 15 | 44 | 38.1 | 50 | 17.6-29 | 30 | M16 |
| FW-08 | 81 | 34 | 15 | 54 | 44.45 | 55 | 20-34 | 30 | M18 |
| FW-10 | 100 | 44.5 | 19 | 64 | 57 | 70 | 23.5-41 | 35 | M22 |
| FW-12 | 110 | 44.5 | 19 | 64 | 57 | 70 | 20-37.5 | 38 | M22 |
| FW-15 | 140 | 54 | 24 | 74 | 66.7 | 80 | 29.6-52 | 40 | M24 |
| FW-18 | 140 | 54 | 24 | 74 | 66.7 | 80 | 16.4-38.7 | 41 | M30 |
| FW-21 | 170 | 54 | 24 | 74 | 66.7 | 80 | 16.4-38.7 | 41 | M30 |
保留技术更改的权利,恕不另行通知 Subject to technology changes without prior information
非标需求可定做 Non-standard requirements can be made
下一条:FWD 3爪补偿型带顶心动力卡盘
上一条:FR摆动补偿型三爪夹头