品牌/Brand:NTH
最短的生爪更换时间,重复精度高。
夹头本体及内部零件均硬化及精密研磨,并直接润滑。
高刚性结构及高夹持精度。
如主爪与排齿没有完全齿合,主爪安全装置不复位。
shortest time for changing soft jaw,and high repeatability precision.
The chuck body and all parts are hardened and ground, it can be lubricated directly.
high rigidity construction and high clamping accuracy.
For safety system that master jaw will complete return when base jaw and serration match up properly.
|
规格
Spec 型号 Model |
楔心行程 Plunger stroke mm |
爪行程直径 Jaw stroke Dia. mm |
最大夹持直径 Max chucking Dia. mm |
最小夹持直径 Min chucking Dia. mm |
容许油压缸推力 Max.D.B.Pull kgf |
最大夹持力 Max clamping force kgf |
|---|---|---|---|---|---|---|
| FQ-08A6 | 16 | 7.5 | 210 | 23 | 45.0(4590) | 100(10200) |
| FQ-10A8 | 19 | 8.8 | 254 | 41 | 60.0(6118) | 135(13765) |
| FQ-12A8 | 23 | 10.6 | 315 | 47 | 81.0(8259) | 180(18354) |
|
规格
Spec 型号 Model |
最高转速 Max RPM |
惯性矩 I kg*m2 |
重量 Weight kg |
带法兰重量 Weight(Ad.) kg |
适合油压缸 Matched cylinders |
最大使用压力 Max pressure Mpa(kgf/cm2) |
|---|---|---|---|---|---|---|
| FQ-08A6 | 5000 | 0.15 | 24.5 | 26 | H-1778 | 3.1(31) |
| FQ-10A8 | 4500 | 0.41 | 44 | 46 | H-2085 | 2.8(28) |
| FQ-12A8 | 3500 | 0.96 | 73 | 75 | H-2511 | 2.4(25) |
|
规格
Spec 型号 Model |
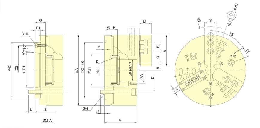
A | B | B | C | D | D1 | D2 | E | E1 | F | Gmax | Gmax | Gmin | Gmin | H | J |
|---|---|---|---|---|---|---|---|---|---|---|---|---|---|---|---|---|
| FQ-08A6 | 215 | 98 | 110 | 170 | 133.4 | 106.38 | 150 | 5 | 17 | 66 | 14.5 | 32 | -1.5 | 15.5 | 20 | 30 |
| FQ-10A8 | 254 | 119 | 132 | 220 | 171.4 | 139.72 | 190 | 5 | 18 | 81 | 8.5 | 26.5 | -10.5 | 7.5 | 39 | 45 |
| FQ-12A8 | 315 | 133 | 145 | 220 | 171.4 | 139.72 | 190 | 6 | 18 | 106 | 8.5 | 26.5 | -14.5 | 3.5 | 42 | 50 |
|
规格
Spec 型号 Model |
J1 | K max | L | L1 | L1 | M | N | P | Q | R max | R min | S | T | U | V | W |
|---|---|---|---|---|---|---|---|---|---|---|---|---|---|---|---|---|
| FQ-08A6 | 98 | M75×2 | M12 | 17 | 20 | 37 | 95 | 25 | 36 | 20.8~44.8 | 17.1~41.1 | 35 | 14 | M6 | 264 | 80 |
| FQ-10A8 | 115 | M90×2 | M16 | 23 | 25 | 42 | 110 | 30 | 40.5 | 21.1~52.8 | 16.7~48.2 | 40 | 16 | M8 | 312 | 100 |
| FQ-12A8 | 140 | M115×2 | M16 | 22 | 24 | 50 | 111 | 30 | 57 | 34.1~70.1 | 28.8~64.8 | 50 | 21 | M8 | 360 | 130 |
下一条:IAC自动分度卡盘
上一条:FWD 3爪补偿型带顶心动力卡盘