NTH 液压卡盘

产品展示

NTH 液压卡盘

BTS二爪三爪共用中空卡盘

2 jaw and 3 jaw compatible power chuck

点击产品图片放大

资料下载

在线询盘

产品详细介绍

品牌:NTH

1.  同一个卡盘,可实现两爪卡盘及三爪卡盘的功能。

2.  在夹持圆形工件切换为异形工件时,只须调整卡爪,无需更换卡盘。

3.  卡盘所有滑动面均经过表面硬化及研磨处理,以提高回转精度与使用寿命。

1.  The function of 2 jaw chuck and 3 jaw chuck can be used in one same chuck.

2.  When the round workpiece need change to irregular type, just change the chuck jaws, no need to change the chuck.

3. All chuck's sliding surfaces are hardened and ground to increase rotary accuracy and longer service life.


尺寸单位/Size Unit:mm

规格 Spec
型号 Model

通孔直径
Through hole dia.
(mm)

楔心行程
Plunger stroke
(mm)

爪行程直径
Jaw stroke (Dia)
(mm)

最大夹持直径
Max clamping dia
(mm)

最小夹持直径
Min clamping dia
(mm)

容许油压缸推力
(两爪)
Max.D.B.Pull
KN(kgf)

容许油压缸推力
(三爪)
Max.D.B.Pull
KN(kgf)

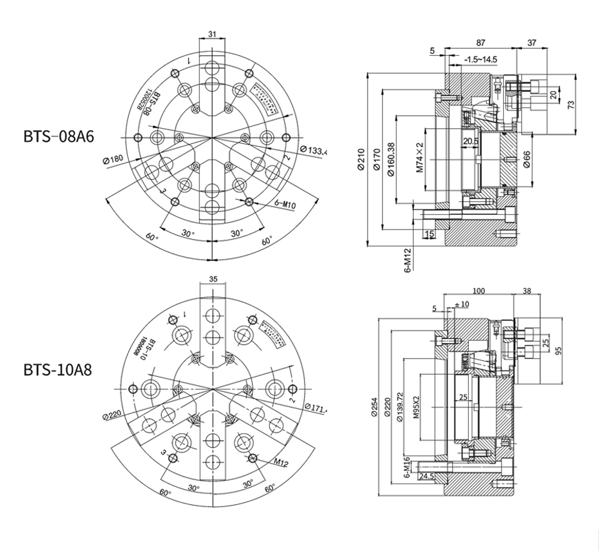
BTS-08A6

66

16

7.4

210

23

14.7(1470)

21.5(2200)

BTS-10A8 75 20 9.2 254 31 23.1(2360) 34.3(3500)


规格 Spec
型号 Model

最大夹持力
(两爪)
Max clamping force
KN(kgf)

最大夹持力
(三爪)
Max clamping force
KN(kgf)

最高转速
Max RPM

重量
Weight
kg

适合油压缸
Matched cylinders

最大使用压力
(两爪)
Max.pressure
Mpa(kgf/cm2)

最大使用压力
(三爪)
Max.pressure
Mpa(kgf/cm2)

BTS-08A6

37.9(3870)

56.8(5800)

4200

25

H-1552

1.2(12)

1.8(18)

BTS-10A8 57.2(5840) 85.8(8750) 3300 35 H-1875 1.4(14) 2.1(21)

保留技术更改的权利,恕不另行通知 Subject to technology changes without prior information
非标需求可定做 Non-standard requirements can be made

最新新闻

  • 东莞国际机床展览会

    展会及展位信息: 时间:2025.10.29-11.01 开放时间:09:00-18:00 地点: 广东现代国际展览中心 展位号:3A-08

    深入了解
  • 玉环国际机床展览会

    展会及展位信息: 时间:2025.10.17-10.20 开放时间:09:00-18:00 地点: 浙江省台州市玉环市玉环会展中心 展位号:W2-T26

    深入了解
  • 武汉国际机床展-中国国际机电产品博览会WME

    展会及展位信息: 时间:2025年10月11日-13日 开放时间:09:00-18:00 地点:武汉国际博览中心 展位号:B1-1306 & B1-1004

    深入了解