NTH 液压卡盘

产品展示

NTH 液压卡盘

BS 六爪中空动力卡盘

BS 6 jaw through hole power chuck

点击产品图片放大

资料下载

在线询盘

产品详细介绍

品牌:NTH

卡盘多点夹持,针对薄壁管形,环形工件,可改善工件夹持过程中的变形问题。

More contact point clamping, it can improve the deformation issue during clamping process for thin wall pipe or ring like workpiece.


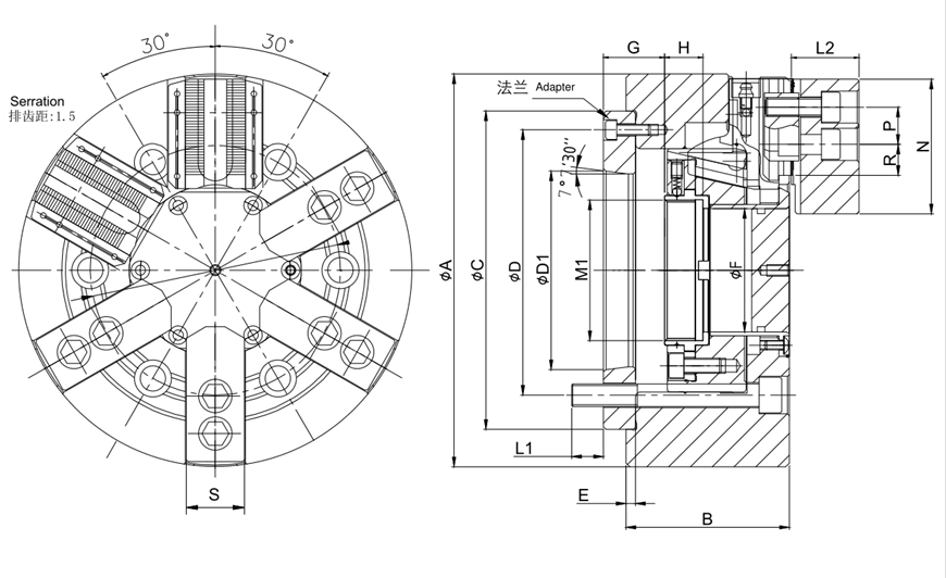
规格 Spec
型号 Model

楔心行程
Plunger stroke
(mm)

爪行程直径
Jaw stroke (Dia)
(mm)

最大夹持直径
Max clamping dia
(mm)

最小夹持直径
Min clamping dia
(mm)

容许油压缸推力

Max.D.B.Pull
KN(kgf)

BS-206 A5

12

5.6

168

15

17.1(1750)

BS-208 A6

16

7.4

210

13

34.3(3500)

BS-210 A8

19

8.8

254

46

34.3(3500)

BS-212 A8 30 10.5 315 37 42.6(4380)


规格 Spec
型号 Model

最大夹持力
Max clamping force
KN(kgf)

最高转速
Max RPM

惯性矩
I
kg*m2

重量
Weight
kg

适合油压缸
Matched cylinders

最大使用压力
Max.pressure
Mpa(kgf/cm2)

BS-206 A5

35.8(3650)

6000

0.06

15

H-1246

2.0(20)

BS-208 A6

85.8(8750)

5000

0.19

25

H-1552

2.8(28)

BS-210 A8

85.8(8750)

4200

0.35

42

H-1875

2.1(21)

BS-212 A8 80.7(8241) 3300 0.95 66 H-2091 2.1(21)


规格 Spec
型号 Model

A

B

C(H6)

D

D1

E

F

G max

G min

BS-206 A5

169

81

140

104.78

82.56

5

45

26

14

BS-208 A6

210

87

170

133.35

106.38

5.5

66

31.5

15.5

BS-210 A8

254

100

220

171.45

139.72

5.5

86

26.5

7.5

BS-212 A8 320 113 300 235 196.869 6 91 37 7


规格 Spec
型号 Model

H

L1

L2

M1

N

P

R max

R min

S

BS-206 A5

19

18

30

M55*2.0

62

14

19.8

7.8

25

BS-208 A6

20.5

17

36

M75*2.0

73

20

22.8

9.3

31

BS-210 A8

25

24.5

37

M95*2.0

95

25

29.8

14.8

35

BS-212 A8 28 22 42 M130*2.0 110 30 29.8 14.3 40
保留技术更改的权利,恕不另行通知 Subject to technology changes without prior information

非标需求可定做 Non-standard requirements can be made




最新新闻

  • 东莞国际机床展览会

    展会及展位信息: 时间:2025.10.29-11.01 开放时间:09:00-18:00 地点: 广东现代国际展览中心 展位号:3A-08

    深入了解
  • 玉环国际机床展览会

    展会及展位信息: 时间:2025.10.17-10.20 开放时间:09:00-18:00 地点: 浙江省台州市玉环市玉环会展中心 展位号:W2-T26

    深入了解
  • 武汉国际机床展-中国国际机电产品博览会WME

    展会及展位信息: 时间:2025年10月11日-13日 开放时间:09:00-18:00 地点:武汉国际博览中心 展位号:B1-1306 & B1-1004

    深入了解