NTH 液压卡盘

产品展示

NTH 液压卡盘

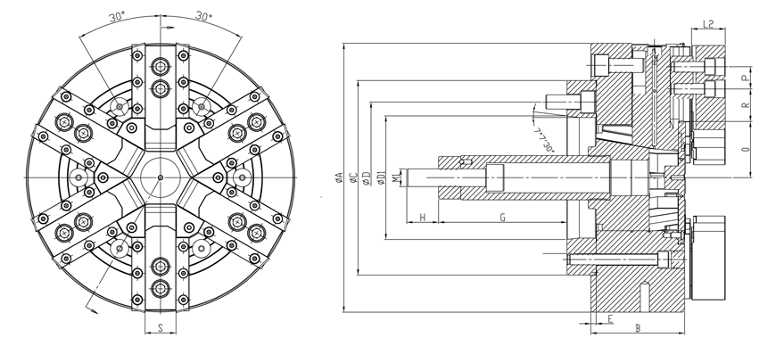
TS-R 六爪中实动力卡盘

TS-R 6 jaw closed center power chuck

点击产品图片放大

资料下载

在线询盘

产品详细介绍

卡盘多点夹持,针对薄壁管形,环形工件,可改善工件夹持过程中的变形问题。

卡盘具有防尘功能。

More contact point clamping, it can improve the deformation issue during clamping process for thin wall pipe or ring like workpiece.

Chips proof function.

规格 Spec
型号 Model

楔心行程
Plunger stroke
(mm)

爪行程直径
Jaw stroke (Dia)
(mm)

最大夹持直径
Max clamping dia
(mm)

最小夹持直径
Min clamping dia
(mm)

容许油压缸推力

Max.D.B.Pull
KN(kgf)

TS-212R A8

30

10.5

304

32

53(5448)

TS-215R A11

35

12.3

381

50

82(8429)


规格 Spec
型号 Model

最大夹持力
Max clamping force
KN(kgf)

最高转速
Max RPM

惯性矩
I
kg*m2

重量
Weight
kg

适合油压缸
Matched cylinders

最大使用压力
Max.pressure
Mpa(kgf/cm2)

TS-212R A8

142(14597)

3000

0.95

67

S-150

2.1(21)

TS-215R A11

248(25495)

3000

1.95

116

S-200

2.1(21)


规格 Spec
型号 Model

A

B

C(H6)

D

D1

E

G max

G min

TS-212R A8

304

106

220

185

139.719

6

145

115

TS-215R A11

381

116

300

235

196.869

6

82

47


规格 Spec
型号 Model

H

L2

M1

N

P

O max
O min

R max

R min

S

TS-212R A8

36

38

M20*2.5

95

25

74.3 9

46

9

35

TS-215R A11

35

50

M30*3.5

129

30

93 87

56

12

50

保留技术更改的权利,恕不另行通知 Subject to technology changes without prior information

非标需求可定做 Non-standard requirements can be made




最新新闻

  • 东莞国际机床展览会

    展会及展位信息: 时间:2025.10.29-11.01 开放时间:09:00-18:00 地点: 广东现代国际展览中心 展位号:3A-08

    深入了解
  • 玉环国际机床展览会

    展会及展位信息: 时间:2025.10.17-10.20 开放时间:09:00-18:00 地点: 浙江省台州市玉环市玉环会展中心 展位号:W2-T26

    深入了解
  • 武汉国际机床展-中国国际机电产品博览会WME

    展会及展位信息: 时间:2025年10月11日-13日 开放时间:09:00-18:00 地点:武汉国际博览中心 展位号:B1-1306 & B1-1004

    深入了解