SOFT/HARDENED/PIE JAWS

SOFT/HARDENED/PIE JAWS

NCP SOFT JAWS FOR NTH SK-SERIES SCROLL CHUCK

NCP SOFT JAWS FOR NTH SK-SERIES SCROLL CHUCK

Click on product image magnification

Download

Online inquiry

Products in detail

Brand:OMATEI

Where used:
1, it’s applicable for NTH SK-series manual chucks
2, Non standard spec. can be made

Advantage
1, As the standard soft jaws, the material is high quality 45# steel, stronger and hardenable.
2, The mounting surface is ground precisely and it can match the master jaws tightly with lower abrasion.


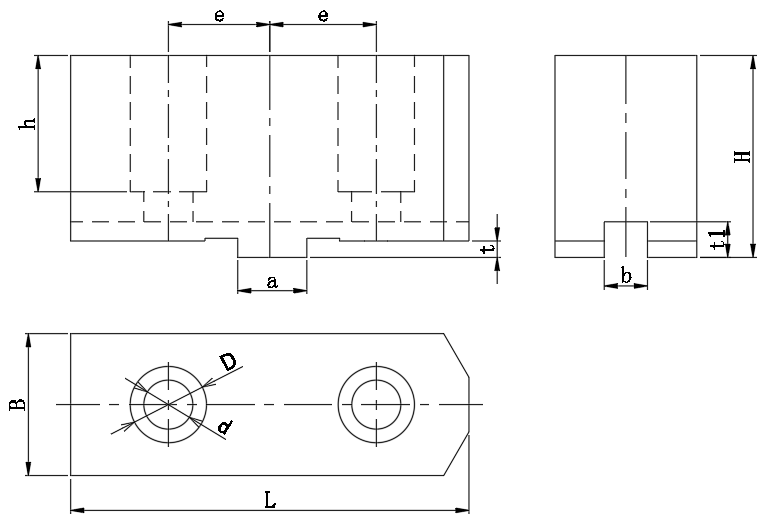
UNIT: mm

MODEL/SPEC L B H h D d a e b t t1 G
NCP-04 52 19 30 21 11 6.5 9.53 12 7.94 2.5 5.5 M6*1.0P
NCP-05 62 24 35 24 14 9 12.68 16 7.94 3 7.2 M8*1.25P
NCP-06 73 26 37 25 17 11 12.68 19.05 7.94 3 7.2 M10*1.5P
NCP-07 95 31 48 34 17 11 12.68 22.2 7.94 3 7.2 M10*1.5P
NCP-08 95 31 48 34 17 11 12.68 22.2 7.94 3 7.2 M10*1.5P
NCP-09 110 37 48 34 17 11 12.68 22.2 7.94 3 7.2 M10*1.5P
NCP-10 110 37 48 34 19 13 19.03 27 12.7 3 7.2 M12*1.75P
NCP-12 125 42 54 38 19 13 19.03 31.75 12.7 3 7.2 M12*1.75P
NCP-14 125 42 54 38 19 13 19.03 31.75 12.7 3 7.2 M12*1.75P
NCP-16 160 50 70 48 25 17 19.03 38.1 12.7 6 11.5 M16*2.0P

Subject to the technical changes.

The customized can be made.

News

  • MANUFACTURING INDONESIA 2025

    Exhibition:MANUFACTURING INDONESIA 2025 Date:03. - 06. December 2025 Time:10:00 am. – 06:00 pm. Add: Balai Sidang Jakarta Convention Center,Jakarta,Indonesia Booth:A-150

    Learn more
  • METALEX 2025

    Exhibition:METALEX 2025 Date:From 19 to 22 November, 2025 Time:10:00 am. – 06:00 pm. Add: BITEC International Trade & Exhibition Centre,Bangkok, Thailand Booth:H101-BD01

    Learn more
  • MSV 2025

    Exhibition:MSV 2025 International Engineering Fair Date: Tuesday, October 7, 2025 - Friday, October 10, 2025 Add: Brno Exhibition Centre, Brno, Czech Republic Booth:P-115

    Learn more