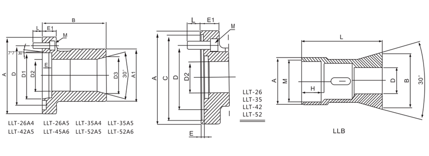
LLT PULL BACK COLLET CHUCK
Click on product image magnification
Online inquiryBrand:NTH
Pull back collet chuck
Its applicable for various CNC machines.
Easy installation, the installation size is compatible with the related hydraulic chucks.
The bar workpiece can be input through the collet chuck hole.
The collet is optional for different size and shape workpiece.
| Model | A | A1 | B | C(H6) | D | D1 | D2 | D3 | E | E1 | L | M |
|---|---|---|---|---|---|---|---|---|---|---|---|---|
| LLT-26 | 120 | 120 | 110 | 110 | 82.6 | 40 | 48 | 4 | 25 | 17 | 3-M10*25 | |
| LLT-35 | 120 | 83 | 110 | 110 | 82.6 | 49 | 58 | 4 | 25 | 18 | 3-M10*25 | |
| LLT-42 | 155 | 90 | 115 | 140 | 104.8 | 56 | 65 | 5 | 25 | 19 | 4-M10*25 | |
| LLT-52 | 155 | 106 | 125 | 140 | 104.8 | 65 | 73 | 5 | 25 | 20 | 4*M10*25 | |
| LLT-26A4 | 112 | 73 | 110 | 82.6 | 63.51 | 40 | 48 | 17 | 25 | 21 | 3-M10*30 | |
| LLT-26A5 | 135 | 73 | 110 | 82.6 | 82.56 | 40 | 48 | 17 | 25 | 22 | 3-M10*30 | |
| LLT-35A4 | 112 | 83 | 110 | 82.6 | 63.51 | 49 | 58 | 17 | 25 | 23 | 3-M10*30 | |
| LLT-35A5 | 135 | 83 | 110 | 82.6 | 82.56 | 49 | 58 | 17 | 25 | 24 | 3-M10*30 | |
| LLT-42A5 | 135 | 90 | 115 | 104.8 | 82.56 | 56 | 65 | 17 | 25 | 25 | 4-M10*30 | |
| LLT-42A6 | 165 | 90 | 115 | 133.4 | 106.38 | 56 | 65 | 17 | 30 | 26 | 4-M12*30 | |
| LLT-52A5 | 135 | 106 | 125 | 104.8 | 82.56 | 65 | 73 | 17 | 25 | 27 | 4-M10*30 | |
| LLT-52A6 | 165 | 106 | 125 | 133.4 | 106.38 | 65 | 73 | 17 | 30 | 28 | 4-M12*30 |
|
Model |
Round D mm |
Hexagonal D mm |
Square |
Allowed max. push force kgf |
Max. Gripping force kgf |
Max. Speed RPM |
Inertia moment kg.m² |
Max operating pressure MPA |
Weight |
Matched Collet |
Matched cylinder |
|---|---|---|---|---|---|---|---|---|---|---|---|
|
LLT-26 |
3-26 |
4-22 |
4-18 |
1840 |
3980 |
7000 |
0.037 |
2.6 |
4.2 |
LLB-26 |
H-0928 |
|
LLT-35 |
3-35 |
6-32 |
6-26 |
2040 |
4480 |
6000 |
0.057 |
2.4 |
6.5 |
LLB-35 |
H-1246 |
|
LLT-42 |
3-42 |
6-36 |
6-29 |
2550 |
5600 |
6000 |
0.061 |
2.9 |
6.9 |
LLB-42 |
H-1246 |
|
LLT-42 |
5-52 |
8-45 |
7-36 |
2860 |
6220 |
5500 |
0.093 |
2.4 |
14.3 |
LLB-52 |
H-1552 |
| Model | A(g6) | B |
Round D max |
Hex D max |
square D max |
H | L | M |
|---|---|---|---|---|---|---|---|---|
| LLB-26 | 40 | 49 | 26 | 22 | 18 | 27 | 95 | M33*1.5 |
| LLB-35 | 49 | 59 | 35 | 32 | 26 | 27 | 95 | M42*1.5 |
| LLB-42 | 56 | 66 | 42 | 42 | 29 | 27 | 100 | M50*2 |
| LLB-52 | 65 | 74 | 52 | 52 | 36 | 27 | 100 | M55*2 |
Subject to technology changes without prior information
Non-standard requirements can be made
Next:RUBBER FLEX COLLET
Previous:LL-A COLLET CHUCK 2
Exhibition:MANUFACTURING INDONESIA 2025 Date:03. - 06. December 2025 Time:10:00 am. – 06:00 pm. Add: Balai Sidang Jakarta Convention Center,Jakarta,Indonesia Booth:A-150
Learn moreExhibition:METALEX 2025 Date:From 19 to 22 November, 2025 Time:10:00 am. – 06:00 pm. Add: BITEC International Trade & Exhibition Centre,Bangkok, Thailand Booth:H101-BD01
Learn moreExhibition:MSV 2025 International Engineering Fair Date: Tuesday, October 7, 2025 - Friday, October 10, 2025 Add: Brno Exhibition Centre, Brno, Czech Republic Booth:P-115
Learn more