旋转工作台

产品展示

旋转工作台

万能型倾斜式分度盘

UNIVERSAL TILTING DIVIDING TABLE

点击产品图片放大

资料下载

在线询盘

产品详细介绍

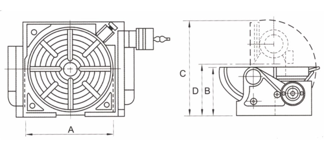
Unit:mm

型号
Model
分割等分
Index no.
中心孔
Center Hole
A B C D 齿数比
Gear ratio
重量
N.W. Kg
HUT-250 24 MT#3 254 17 326 172 90︰1 81
HUT-300 24 MT#3 305 172 366 192 90︰1 97
HUT-350 24 MT#3 355 172 306 212 90︰1 118

下一条:可调倾斜式角度盘

上一条:多功能尾座

最新新闻

  • 东莞国际机床展览会

    展会及展位信息: 时间:2025.10.29-11.01 开放时间:09:00-18:00 地点: 广东现代国际展览中心 展位号:3A-08

    深入了解
  • 玉环国际机床展览会

    展会及展位信息: 时间:2025.10.17-10.20 开放时间:09:00-18:00 地点: 浙江省台州市玉环市玉环会展中心 展位号:W2-T26

    深入了解
  • 武汉国际机床展-中国国际机电产品博览会WME

    展会及展位信息: 时间:2025年10月11日-13日 开放时间:09:00-18:00 地点:武汉国际博览中心 展位号:B1-1306 & B1-1004

    深入了解