修爪器/成型圈

产品展示

修爪器/成型圈

油压软爪修爪器(成型圈)

JAW BORING RING

点击产品图片放大

资料下载

在线询盘

产品详细介绍

FEATURE
To Suit for CNC lathe
For adjusting the high accuracy of chuck during machining process.
The operation process as following:
1. Set the jaws to correct position. 2. Adjust the jaw boring ring to fit the bolt holes.
3. Lock the chuck to clamp the jaw boring ring. 4. Machining the required size.
4. Unlock the chuck. 6. If these steps are operated correctly, the clamping accuracy will be very precise.

三夹顺着(旋涡状态)缓缓回转夹紧可任意调整外夹,内张所需尺寸。
(偏心制止帽梢)逆向锁紧,活动行程大。
不须再钻孔功牙,利用生爪之螺丝孔插入制止帽梢。
本体材质经热处理后研磨,硬度高,强韧耐久使用。
成型圈适用5″、6″、8″、10″、12″、15″ 五种尺寸动力夹盘。

特点
1、握持增强,提高真圆度、圆心度、圆筒度等精度,不会产生喇叭口状及离心震动,影響精度,有良好的控制性效果。
2、外夹内张二者可使用,可根据所需任意调整尺寸,操作方便快捷,省时省力,有效使用;
3、旧的夹头使用成型圈后,可有效提高精度及握持力,可恢复同新品一样。

使用说明
使用成型圈,不但能做到外夹,内张与穿通成形3种方式的成形,也可夹在工作物件时在同样的状态成形,所以芯振摆少,把握力也就提升。(如图1、2、3)使用成型圈。与夹头一成形时,无芯振摆现象,把握力可达100%,可提高精度(如图4)。使用硬爪夹持时,接触面不良会产生喇叭口状,持握力不良会产生离心振动,影响精度,危险增加(如图5)


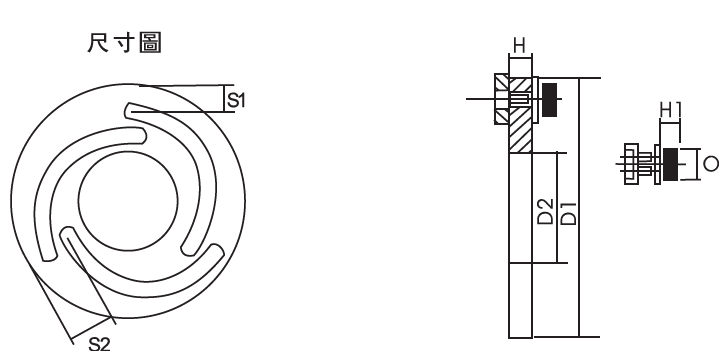
尺寸表 / Size table

型式

MODEL

H

D1

D2

S1

S2

G

H1

O

净重

N.W.(KG)

JB-05

12

140

60

12

28

10

9

13.5

1.2

JB-06

12

168

80

12

32

10

9

16.5

1.5

JB-08

12

218

115

17

36

10

9

18.5

2.4

JB-10

12

258

150

15

40

10

9

18.5

3.1

JB-12T

15

316

188

21

50

10

9

24.5

5.4

JB-12NT

15

316

188

21

50

10

9

21.5

5.4

JB-15

20

380

230

23

52

12

16

31

22

其他规格:JB-21,JB-24,JB-32,JB-40,JB-63,JB-79需要非标定制,

For other spec like JB-21,JB-24,JB-32,JB-40,JB-63,JB-79 need customized order.

保留技术更改的权利:Subject to technical changes




最新新闻

  • 东莞国际机床展览会

    展会及展位信息: 时间:2025.10.29-11.01 开放时间:09:00-18:00 地点: 广东现代国际展览中心 展位号:3A-08

    深入了解
  • 玉环国际机床展览会

    展会及展位信息: 时间:2025.10.17-10.20 开放时间:09:00-18:00 地点: 浙江省台州市玉环市玉环会展中心 展位号:W2-T26

    深入了解
  • 武汉国际机床展-中国国际机电产品博览会WME

    展会及展位信息: 时间:2025年10月11日-13日 开放时间:09:00-18:00 地点:武汉国际博览中心 展位号:B1-1306 & B1-1004

    深入了解