品牌:OMATEI
选型指导:
1,所用卡盘的品牌及型号
产品优势:
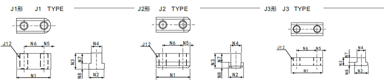
1,标准T型块材质为优质钢材,硬化研磨加工。
2,精密尺寸,贴合卡盘基爪,降低磨损。
3,可用于NTH及所有其他品牌相关型号的卡盘。
4,客制化非标卡爪可设计、定做、OEM代工。
Brand:OMATEI
Selection Guidance
1, Chuck brand and model name
Advantage
1, For standard T-nuts, the material is high quality steel, hardened and ground.
2, Precision size can tight fit with chuck master jaws, lower abrasion.
3, Applicable onto the related chuck models of SMW/Kitagawa/Soul/Howa/Samchully/Auto-strong/Tonfou/Chandox/Autogrip/NTH and so on well-known brand.
4, Customized and non-standard jaws and be designed and OEM.
|
Chuck number |
Size | N1 | N2 | N3 | N4 | N5 | N6 | N7 | N8 | J12 |
质量KG(1个)
Weight
|
Jaw nut
type
|
|---|---|---|---|---|---|---|---|---|---|---|---|---|
| H01MA | 4 | 25.5 | 15 | 16.5 | 10 | 5.5 | 14 | 11 | 5.5 | M8 | 0.027 | J1 |
| H01MA | 5 | 30.5 | 15 | 16.5 | 10 | 5.5 | 19 | 11 | 5.5 | M8 | 0.034 | J1 |
| H01MA | 6 | 37 | 17 | 21.5 | 12 | 8 | 20 | 14 | 7.5 | M10 | 0.061 | J1 |
| H01MA | 8 | 46 | 20 | 23.5 | 14 | 10 | 25 | 15 | 8.5 | M12 | 0.095 | J1 |
| H01MA | 10 | 51 | 23 | 23.5 | 16 | 10 | 30 | 15 | 8.5 | M12 | 0.14 | J1 |
| H01MA | 12 | 53 | 28 | 33 | 18 | 11 | 30 | 19 | 14 | M14 | 0.262 | J1 |
| H01MA | 15 | 82 | 34 | 40 | 26 | 16 | 50 | 23 | 17 | M20 | 0.56 | J1 |
| H037M | 4 | 29 | 16 | 16.5 | 11 | 6.5 | 16 | 10 | 6.5 | M8 | 0.036 | J1 |
| H037M | 8 | 45 | 22 | 26.5 | 16 | 10 | 25 | 18 | 8.5 | M12 | 0.12 | J1 |
| H037M | 10 | 52 | 24 | 27.5 | 18 | 11 | 30 | 18 | 9.5 | M14 | 0.161 | J1 |
| H037M | 12 | 60 | 27 | 29 | 21 | 12 | 35 | 18.5 | 10.5 | M16 | 0.242 | J1 |
| H037M | 15 | 74 | 34 | 40 | 26 | 16 | 42 | 23 | 17 | M20 | 0.53 | J1 |
| H05M | 12 | 65 | 27 | 29 | 21 | 12 | 40 | 18.5 | 10.5 | M16 | 0.252 | J1 |
| H3KT | 6 | 36 | 17 | 18.5 | 12 | 8 | 20 | 11 | 7.5 | M10 | 0.054 | J2 |
| H3KT | 8 | 46.5 | 20 | 20.5 | 14 | 10.5 | 25 | 12 | 8.5 | M12 | 0.092 | J2 |
| H3KT | 10 | 51 | 22.5 | 21.5 | 16 | 11 | 30 | 13 | 8.5 | M12 | 0.126 | J2 |
| H3KT | 12 | 55.5 | 29.5 | 27.5 | 21 | 12 | 30 | 16 | 11.5 | M16 | 0.211 | J2 |
| H063M H064M | 6 | 46.8 | 20 | 11 | 12.5 | 8.7 | 29.36 | 6.1 | 4.9 | M10 | 0.5 | J3 |
| H063M H064M | 8 | 53.3 | 22.25 | 13.3 | 14.1 | 9.6 | 34.13 | 7.5 | 5.8 | M12 | 0.075 | J3 |
| H063M H064M | 10.12 | 68.4 | 28.3 | 17.6 | 18.9 | 12 | 44.45 | 10.3 | 7.3 | M16 | 0.16 | J3 |
|
Chuck
number
|
Size | ||||||||||
|---|---|---|---|---|---|---|---|---|---|---|---|
| H01MA | 4 | H022M5 | H024M5 | H012D4 | |||||||
| H01MA | 6 | H022M6 | H023M8 | H024M6 | H027M6 | H034M6 | H047M6 | H037M6 | H05M6 | H032M8 | H012D6 |
| H01MA | 15 | H01MA18 | H01MA21 | H01MA24 | |||||||
| H037M | 4 | H027M4 | H027M5 | H037M5 | H032M6 | ||||||
| H037M | 8 | H022M8 | H023M10 | H024M8 | H027M8 | H034M8 | H047M8 | H05M8 | H032M10 | H012D8 | |
| H037M | 10 | H022M10 | H023M12 | H024M10 | H027M10 | H034M10 | H047M10 | H05M10 | H032M12 | H012D10 | |
| H037M | 12 | H027M12 | H034M12 | H047M12 | |||||||
| H037M | 15 | H027M15 | H034M15 | H047M15 | |||||||
| H05M | 12 | H022M12 | H023M15 | H024M12 |