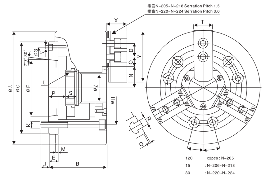
N-200A型夾頭是依 ASA B5.9 A型主軸標準而設計。
單位 : mm
|
型式 規格 |
通孔直徑 (mm) |
柱塞行程 (mm) |
爪行程直徑 (mm) |
最大 容許拉力 (kgf) |
最大夾持力 (kgf) |
最大 使用油壓力 (kgf / cm2) |
最高轉速 (r.p.m.) |
|---|---|---|---|---|---|---|---|
| N-205A4 | Ø33 | 10 | 5.4 | 1784 | 3671 | 28.5 | 7000 |
| N-205A5 | Ø33 | 10 | 5.4 | 1784 | 3671 | 28.5 | 7000 |
| N-206A4 | Ø45 | 12 | 5.5 | 2243 | 5812 | 28.5 | 6000 |
| N-206A5 | Ø45 | 12 | 5.5 | 2243 | 5812 | 28.5 | 6000 |
| N-206A6 | Ø45 | 12 | 5.5 | 2243 | 5812 | 28.5 | 6000 |
| N-208A5 | Ø52 | 16 | 7.4 | 3558 | 9075 | 26.5 | 5000 |
| N-208A6 | Ø52 | 16 | 7.4 | 3558 | 9075 | 26.5 | 5000 |
| N-208A8 | Ø52 | 16 | 7.4 | 3558 | 9075 | 26.5 | 5000 |
| N-210A6 | Ø75 | 19 | 8.8 | 4385 | 11319 | 27.5 | 4200 |
| N-210A8 | Ø75 | 19 | 8.8 | 4385 | 11319 | 27.5 | 4200 |
| N-210A11 | Ø75 | 19 | 8.8 | 4385 | 11319 | 27.5 | 4200 |
| N-212A6 | Ø91 | 23 | 10.6 | 5812 | 14990 | 27.5 | 3300 |
| N-212A8 | Ø91 | 23 | 10.6 | 5812 | 14990 | 27.5 | 3300 |
| N-212A11 | Ø91 | 23 | 10.6 | 5812 | 14990 | 27.5 | 3300 |
| N-215A8 | Ø117.5 | 23 | 10.6 | 7240 | 18355 | 23.5 | 2500 |
| N-215A11 | Ø117.5 | 23 | 10.6 | 7240 | 18355 | 23.5 | 2500 |
| N-215A15 | Ø117.5 | 23 | 10.6 | 7240 | 18355 | 23.5 | 2500 |
| N-218A8 | Ø117.5 | 23 | 10.6 | 7240 | 18355 | 23.5 | 2000 |
| N-218A11 | Ø117.5 | 23 | 10.6 | 7240 | 18355 | 23.5 | 2000 |
| N-218A15 | Ø117.5 | 23 | 10.6 | 7240 | 18355 | 23.5 | 2000 |
| N-220A11 | Ø180 | 23 | 10.6 | 9177 | 23861 | 30.6 | 1800 |
| N-220A15 | Ø180 | 23 | 10.6 | 9177 | 23861 | 30.6 | 1800 |
| N-224A11 | Ø205 | 26 | 12 | 9177 | 23861 | 26.5 | 1400 |
| N-224A15 | Ø205 | 26 | 12 | 9177 | 23861 | 26.5 | 1400 |
| N-224A20 | Ø205 | 26 | 12 | 9177 | 23861 | 26.5 | 1400 |
| N-232A11 | Ø230 | 34 | 18 | 10197 | 24472 | 29.5 | 1200 |
| N-232A15 | Ø230 | 34 | 18 | 10197 | 24472 | 29.5 | 1200 |
| N-232A20 | Ø230 | 34 | 18 | 10197 | 24472 | 29.5 | 1200 |
|
型式 規格 |
重量 (kg) |
慣性矩 I(kg‧m2) |
適合 油壓缸 |
適合硬爪 | 適合生爪 |
外徑挾持範圍 (mm) |
|---|---|---|---|---|---|---|
| N-205A4 | 7.8 | 0.02 | M1036 | HJ05 | HC05 | Ø6-Ø135 |
| N-205A5 | 9 | 0.023 | M1036 | HJ05 | HC05 | Ø6-Ø135 |
| N-206A4 | 15.5 | 0.065 | M1246 | HJ06 | HC06 | Ø15-Ø169 |
| N-206A5 | 14.7 | 0.062 | M1246 | HJ06 | HC06 | Ø15-Ø169 |
| N-206A6 | 17.3 | 0.073 | M1246 | HJ06 | HC06 | Ø15-Ø169 |
| N-208A5 | 25.8 | 0.19 | M1552 | HJ08 | HC08 | Ø20-Ø210 |
| N-208A6 | 25 | 0.184 | M1552 | HJ08 | HC08 | Ø20-Ø210 |
| N-208A8 | 29.3 | 0.217 | M1552 | HJ08 | HC08 | Ø20-Ø210 |
| N-210A6 | 41 | 0.37 | M1875 | HJ10 | HC10 | Ø25-Ø254 |
| N-210A8 | 38 | 0.34 | M1875 | HJ10 | HC10 | Ø25-Ø254 |
| N-210A11 | 48.4 | 0.436 | M1875 | HJ10 | HC10 | Ø25-Ø254 |
| N-212A6 | 62.5 | 0.809 | M2091 | HJ12 | HC12 | Ø30-Ø304 |
| N-212A8 | 59.5 | 0.77 | M2091 | HJ12 | HC12 | Ø30-Ø304 |
| N-212A11 | 69.9 | 0.912 | M2091 | HJ12 | HC12 | Ø30-Ø304 |
| N-215A8 | 125 | 2.255 | M2511 | HJ15 | HC15 | Ø50-Ø381 |
| N-215A11 | 118 | 2.241 | M2511 | HJ15 | HC15 | Ø50-Ø381 |
| N-215A15 | 138 | 2.822 | M2511 | HJ15 | HC15 | Ø50-Ø381 |
| N-218A8 | 146 | 3.961 | M2511 | HJ15 | HC15 | Ø50-Ø450 |
| N-218A11 | 138 | 3.744 | M2511 | HJ15 | HC15 | Ø50-Ø450 |
| N-218A15 | 191 | 5.183 | M2511 | HJ15 | HC-15 | Ø50-Ø450 |
| N-220A11 | 215 | 7.355 | ML2816 | HJ24-1 | HC24-1 | Ø120-Ø510 |
| N-220A15 | 202 | 6.91 | ML2816 | HJ24-1 | HC24-1 | Ø120-Ø510 |
| N-224A11 | 332 | 18.199 | ML3320 | HJ24-1 | HC24-1 | Ø150-Ø610 |
| N-224A15 | 317 | 17.376 | ML3320 | HJ24-1 | HC24-1 | Ø150-Ø610 |
| N-224A20 | 286 | 15.677 | ML3320 | HJ24-1 | HC24-1 | Ø150-Ø610 |
| N-232A11 | 530 | 43 | ML3320 | HJ24-1 | HC24-1 | Ø210-Ø800 |
| N-232A15 | 515 | 43 | ML3320 | HJ24-1 | HC24-1 | Ø210-Ø800 |
| N-232A20 | 485 | 42 | ML3320 | HJ24-1 | HC24-1 | Ø210-Ø800 |
型式
尺寸
A
B
C(H6)
D
E
F
G
H
J
K
L
M
Nmax.
Omax.
Omin.
N-205A4
135
71
110
14
15
63.513
96
82.55
15.5
3-M10
33
4
26.5
19.75
7.75
N-205A5
135
88
110
14
32
82.563
82.55
104.78
14
3-M10
33
4
26.5
19.75
7.75
N-206A4
169
96
140
20
20
63.513
104.78
82.55
16
6-M10
45
5
32
22.75
9.25
N-206A5
169
91
140
20
15
82.563
116
104.78
16
6-M10
45
5
32
22.75
9.25
N-206A6
169
111
140
20
35
106.38
104.78
133.35
16
6-M10
45
5
32
22.75
9.25
N-208A5
210
109
170
25
23
82.563
133.35
104.78
13
6-M12
52
5
38.7
29.75
11.75
N-208A6
210
103
170
25
17
106.38
150
133.35
18
6-M12
52
5
38.7
29.75
11.75
N-208A8
210
126
170
25
40
139.72
133.35
171.45
24
6-M12
52
5
38.7
29.75
11.75
N-210A6
254
120
220
30
25
106.38
171.45
133.35
18
6-M16
75
5
51
33.75
14.25
N-210A8
254
113
220
30
18
139.72
190
171.45
24
6-M16
75
5
51
33.75
14.25
N-210A11
254
145
220
30
50
196.87
171.45
235
28
6-M16
75
5
51
33.75
14.25
N-212A6
304
129
220
30
25
106.38
171.45
133.35
18
6-M16
91
6
61.3
45.75
15.75
N-212A8
304
122
220
30
18
139.72
190
171.45
25
6-M16
91
6
61.3
45.75
15.75
N-212A11
304
154
220
30
50
196.87
171.45
235
28
6-M16
91
6
61.3
45.75
15.75
N-215A8
381
160
300
43
33
139.72
235
171.45
24
6-M20
117.5
6
82
45.25
15.25
N-215A11
381
149
300
43
22
196.87
260
235
28
6-M20
117.5
6
82
45.25
15.25
N-215A15
381
184
300
43
57
285.78
235
330.2
24
6-M20
117.5
6
82
45.25
15.25
N-218A8
450
160
300
43
33
139.72
235
171.45
24
6-M20
117.5
6
82
79.75
15.25
N-218A11
450
149
300
43
22
196.87
260
235
28
6-M20
117.5
6
82
79.75
15.25
N-218A15
450
184
300
43
57
285.78
235
330.2
24
6-M20
117.5
6
82
79.75
15.25
N-220A11
510
169
380
60
41
196.87
330.2
235
30
6-M24
180
6
112.5
60.5
24.5
N-220A15
510
155
380
60
27
285.78
330.2
330.2
33
6-M24
180
6
112.5
60.5
24.5
N-224A11
610
186
520
60
45
196.87
463.6
235
28
6-M24
205
6
139.9
87.5
24.5
N-224A15
610
183
520
60
42
285.78
463.6
330.2
33
6-M24
205
6
139.9
87.5
24.5
N-224A20
610
166
520
60
25
412.78
463.6
463.6
35
6-M24
205
6
139.9
87.5
24.5
N-232A11
800
189
520
60
45
196.87
463.6
235
28
6-M24
230
6
162
153.5
24.5
N-232A15
800
186
520
60
42
285.78
469.6
330.2
32.5
6-M24
230
6
162
153.5
24.5
N-232A20
800
169
520
60
25
412.78
463.6
463.6
35
6-M24
230
6
162
153.5
24.5
型式
尺寸
Pmax.
Pmin.
Q
R
S
T
Umax.
v
w
X
Y
參考圖
N-205A4
16
6
2
10
20
25
M40x1.5
3-M6
45
31
54
Fig-1
N-205A5
33
23
2
10
20
25
M40x1.5
6-M10
45
31
54
Fig-3
N-206A4
26
14
2
12
19
31
M55x2
6-M10
60
37
73
Fig-2
N-206A5
26
14
2
12
19
31
M55x2
3-M6
60
37
73
Fig-1
N-206A6
46
34
2
12
19
31
M55x2
6-M12
60
37
73
Fig-3
N-208A5
37.5
21.5
2
14
20.5
35
M60x2
6-M10
66
38
95
Fig-2
N-208A6
31.5
15.5
2
14
20.5
35
M60x2
3-M6
66
38
95
Fig-1
N-208A8
54.5
38.5
2
14
20.5
35
M60x2
6-M16
66
38
95
Fig-3
N-210A6
33.5
14.5
2
16
25
40
M85x2
6-M12
94
43
110
Fig-2
N-210A8
26.5
7.5
2
16
25
40
M85x2
3-M8
94
43
110
Fig-1
N-210A11
58.5
39.5
2
16
25
40
M85x2
6-M20
94
43
110
Fig-3
N-212A6
33
10
2
21
28
50
M100x2
6-M12
108
51
130
Fig-2
N-212A8
26
3
2
21
28
50
M100x2
3-M8
108
51
130
Fig-1
N-212A11
58
35
2
21
28
50
M100x2
6-M20
108
51
130
Fig-3
N-215A8
40
17
5
22
43
62
M130x2
6-M16
139
66
165
Fig-2
N-215A11
29
6
5
22
43
62
M130x2
3-M20
139
66
165
Fig-1
N-215A15
64
41
5
22
43
62
M130x2
6-M24
139
66
165
Fig-3
N-218A8
40
17
5
22
43
62
M130x2
6-M16
139
66
165
Fig-2
N-218A11
29
6
5
22
43
62
M130x2
3-M10
139
66
165
Fig-1
N-218A15
64
41
5
22
43
62
M130x2
6-M24
139
66
165
Fig-3
N-220A11
52
29
5
25
38
65
M190x3
6-M20
206
73
180
Fig-2
N-220A15
38
15
5
25
38
65
M190x3
3-M12
206
73
180
Fig-1
N-224A11
61
35
5
25
38
65
M215x3
6-M20
230
73
180
Fig-2
N-224A15
58
32
5
25
38
65
M215x3
6-M24
230
73
180
Fig-2
N-224A20
41
15
5
25
38
65
M215x3
3-M10
230
73
180
Fig-1
N-232A11
61
27
5
25
38
64
M250x3
6-M20
262
73
180
Fig-2
N-232A15
58
24
5
25
38
64
M250x3
6-M24
262
73
180
Fig-2
N-232A20
41
7
5
25
38
64
M250x3
3-M10
262
73
180
Fig-1