單位 : mm
|
型式 規格 |
通孔直徑 (mm) |
柱塞行程 (mm) |
爪行程直徑 (mm) |
最大 容許拉力 (kgf) |
最大夾持力 (kgf) |
最大使用油压力 (kgf/cm2) |
最高轉速 (r.p.m.) |
|---|---|---|---|---|---|---|---|
| NB-306A5 | Ø52 | 12 | 5.4 | 2243 | 5812 | 18.4 | 6000 |
| NB-208A6 | Ø66 | 16 | 7.4 | 3558 | 9075 | 20.5 | 5000 |
| NB-210A8 | Ø78 | 19 | 8.8 | 4385 | 11319 | 27.5 | 4200 |
| NB-310A8 | Ø81 | 19 | 8.8 | 4976 | 12848 | 31.5 | 4500 |
| NB-212A8 | Ø122 | 23 | 10.6 | 5812 | 14990 | 20.5 | 3200 |
| NB-212A11 | Ø122 | 23 | 10.6 | 5812 | 14990 | 20.5 | 3200 |
| NB-215A15 | Ø142 | 23 | 10.6 | 7240 | 18355 | 25.5 | 2500 |
| NB-218A15 | Ø166.5 | 23 | 10.6 | 7240 | 18355 | 25.5 | 2000 |
|
型式 規格 |
重量 (kg) |
慣性矩 I(kg‧m2) |
適合 油壓缸 |
適合硬爪 | 適合生爪 |
外徑挾持範圍 (mm) |
|---|---|---|---|---|---|---|
| NB-306A5 | 14 | 0.06 | M1552 | HJ06 | HC06 | Ø20-Ø170 |
| NB-208A6 | 24 | 0.14 | M1868 | HJ08 | HC08 | Ø26-Ø210 |
| NB-210A8 | 37.4 | 0.4 | M1878 | HJ10 | HC10 | Ø36-Ø254 |
| NB-310A8 | 36.4 | 0.33 | MK1881 | HJ10 | HC10 | Ø37-Ø254 |
| NB-212A8 | 72.2 | 1.04 | M2511 | HJ12 | HC12 | Ø59-Ø315 |
| NB-212A11 | 65 | 0.95 | M2511 | HJ12 | HC12 | Ø59-Ø315 |
| NB-215A15 | 130 | 3 | M2816 | HJ15 | HC15 | Ø59-Ø405 |
| NB-218A15 | 161 | 4.77 | M2816 | HJ15 | HC15 | Ø78-Ø457 |
|
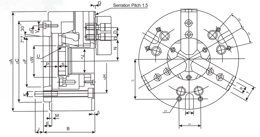
型式 尺寸 |
A | B | C(H6) | D | E | F | G | H | J | K | L | M | Nmax. | Omax. | Omin. |
|---|---|---|---|---|---|---|---|---|---|---|---|---|---|---|---|
| NB-306A5 | 170 | 91 | 140 | 20 | 15 | 82.563 | 116 | 104.78 | 14.5 | 6xM10 | 52 | 5 | 37 | 18.25 | 9.25 |
| NB-208A6 | 210 | 103 | 170 | 25 | 17 | 106.38 | 150 | 133.35 | 19.5 | 6xM12 | 66 | 5 | 45.7 | 23.75 | 11.75 |
| NB-210A8 | 254 | 113 | 220 | 30 | 18 | 139.72 | 190 | 171.45 | 24 | 6xM16 | 78 | 5 | 53 | 33.75 | 14.25 |
| NB-310A8 | 254 | 113 | 220 | 30 | 18 | 139.72 | 190 | 171.45 | 24 | 6xM16 | 81 | 5 | 54 | 32.25 | 14.25 |
| NB-212A8 | 315 | 145 | 300 | 30 | 33 | 139.72 | 235 | 171.45 | 24 | 6xM20 | 122 | 6 | 79.5 | 33.75 | 11.25 |
| NB-212A11 | 315 | 134 | 300 | 30 | 22 | 196.87 | 260 | 235 | 28 | 6xM20 | 122 | 6 | 79.5 | 33.75 | 11.25 |
| NB-215A15 | 405 | 154 | 380 | 43 | 27 | 285.78 | 330.2 | 330.2 | 33 | 6xM24 | 142 | 6 | 93.5 | 45.25 | 15.25 |
| NB-218A15 | 457 | 154 | 380 | 43 | 27 | 285.78 | 330.2 | 330.2 | 33 | 6xM24 | 166.5 | 6 | 102 | 63.25 | 18.25 |
|
型式 尺寸 |
Pmax. | Pmin. | Q | R | S | T | Umax. | V | W | X | X2 | X3 | X4 | 參考值 |
|---|---|---|---|---|---|---|---|---|---|---|---|---|---|---|
| NB-306A5 | 26 | 14 | 2 | 12 | 20 | 31 | M60x2 | 3xM6 | 65 | 16 | 36 | 65 | M8 | Fig-1 |
| NB-208A6 | 31.5 | 15.5 | 2 | 14 | 20 | 35 | M75x2 | 3xM6 | 80 | 16 | 45 | 80 | M8 | Fig-1 |
| NB-210A8 | 26.5 | 7.5 | 2 | 16 | 25 | 40 | M87x2 | 3xM8 | 94 | 16 | 60 | 102 | M10 | Fig-1 |
| NB-310A8 | 26.5 | 7.5 | 2 | 16 | 25 | 40 | M90x2 | 3xM8 | 97 | 16 | 60 | 102 | M10 | Fig-1 |
| NB-212A8 | 53 | 30 | 2 | 21 | 28 | 50 | M135x2 | 6xM16 | 143 | 20 | 60 | 138 | M10 | Fig-2 |
| NB-212A11 | 42 | 19 | 2 | 21 | 28 | 50 | M135x2 | 3xM10 | 143 | 20 | 60 | 138 | M10 | Fig-2 |
| NB-215A15 | 34 | 11 | 5 | 22 | 43 | 62 | M155x2 | 3xM12 | 164 | 20 | 80 | 160 | M12 | Fig-1 |
| NB-218A15 | 34 | 11 | 5 | 22 | 43 | 62 | M180x3 | 3xM12 | 189 | 20 | 100 | 160 | M12 |
Fig-1
|