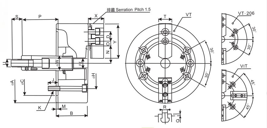
單位 : mm
|
型式 規格 |
爪數 |
柱塞行程 (mm) |
爪行程直徑 (mm) |
最大 容許拉力 (kgf) |
最大夾持力 (kgf) |
最大使用油压力 (kgf/cm2) |
最高轉速 (r.p.m.) |
|---|---|---|---|---|---|---|---|
| VT-206 | 2 | 20 | 9.2 | 1224 | 3569 | 17.3 | 5200 |
| VT-208 | 2 | 21 | 9.7 | 1683 | 5098 | 16.3 | 4500 |
| VT-210 | 2 | 25 | 8.8 | 1988 | 7342 | 19.4 | 4000 |
| VT-212 | 2 | 30 | 10.5 | 2804 | 10605 | 18.4 | 3300 |
| VIT-212 | 4 | 30 | 10.5 | 4181 | 15907 | 27.5 | 2800 |
| VT-215 | 2 | 35 | 16 | 5557 | 16927 | 21.7 | 3000 |
| VIT-218 | 4 | 35 | 16 | 8362 | 25391 | 32.6 | 2300 |
|
型式 規格 |
重量 (kg) |
慣性矩 I(kg‧m2) |
適合 油壓缸 |
適合硬爪 | 適合生爪 |
外徑挾持範圍 (mm) |
|---|---|---|---|---|---|---|
| VT-206 | 12 | 0.045 | MS105C | HJ06 | HC06 | Ø18-Ø165 |
| VT-208 | 22 | 0.13 | MS125C | HJ08 | HC08 | Ø26-Ø210 |
| VT-210 | 33.5 | 0.29 | MS125C | HJ10 | HC10 | Ø26-Ø254 |
| VT-212 | 59 | 0.7 | MS150C | HJ12-1 | HC12-1 | Ø26-Ø304 |
| VIT-212 | 63.4 | 0.74 | MS150C | HJ12-1 | HC12-1 | Ø26-Ø304 |
| VT-215 | 100.6 | 1.7 | MS200C | HJ15-1 | HC15-1 | Ø68-Ø381 |
| VIT-218 | 119 | 2.975 | MS200C | HJ15-1 | HC15-1 | Ø130-Ø450 |
|
型式 尺寸 |
A | B | C | D | H | J | K | L | M | Nmax. | Omax. | Omin. |
|---|---|---|---|---|---|---|---|---|---|---|---|---|
| VT-206 | 165 | 74 | 140 | 20 | 104.78 | 14 | 4-M10x70 | 21 | 5 | 38.7 | 14.75 | 7.25 |
| VT-208 | 210 | 85 | 170 | 25 | 133.35 | 20 | 6-M12x85 | 25 | 5 | 46.85 | 22.25 | 10.25 |
| VT-210 | 254 | 89 | 220 | 30 | 171.45 | 18 | 6-M16x85 | 34 | 5 | 51.1 | 30.75 | 11.25 |
| VT-212 | 304 | 106 | 220 | 30 | 171.45 | 24 | 6-M16x105 | 34 | 6 | 61 | 48.75 | 12.75 |
| VIT-212 | 304 | 106 | 220 | 30 | 171.45 | 23 | 4-M16x105 | 34 | 6 | 61 | 48.75 | 12.75 |
| VT-215 | 381 | 114 | 300 | 43 | 235 | 29 | 6-M20x115 | – | 6 | 77.5 | 50.25 | 23.25 |
| VIT-218 | 450 | 114 | 300 | 43 | 235 | 29 | 4-M20x115 | – | 6 | 108 | 50.25 | 23.25 |
|
型式 尺寸 |
Pmax. | Pmin. | Q | R | S | T | Umax. | W | X | Y |
|---|---|---|---|---|---|---|---|---|---|---|
| VT-206 | 104.6 | 84.6 | 4 | 12 | 36 | 31 | M16x2.0 | 34 | 39 | 73 |
| VT-208 | 132 | 111 | 5 | 14 | 36 | 35 | M20x2.5 | 38 | 41 | 95 |
| VT-210 | 158 | 133 | 5 | 16 | 36 | 40 | M20x2.5 | 45 | 46 | 110 |
| VT-212 | 163 | 133 | 5 | 18 | 36 | 50 | M20x2.5 | 50 | 54 | 130 |
| VIT-212 | 163 | 133 | 5 | 18 | 36 | 50 | M20x2.5 | 50 | 54 | 130 |
| VT-215 | 104 | 69 | 2 | 25.5 | 55 | 50 | M30x3.5 | 60 | 63 | 165 |
| VIT-218 | 90 | 57 | 2 | 25.5 | 55 | 50 | M30x3.5 | 60 | 63 | 165 |