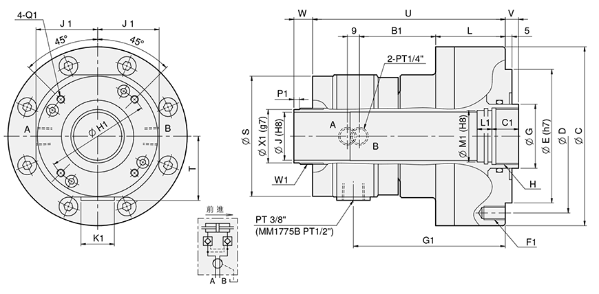
單位 : mm
|
型式 規格 |
活塞直徑 (mm) |
活塞面積 (cm2) 推側/拉側 |
最大 拉桿出力 KN(kgf) 推側/拉側 |
活塞行程 (mm) |
最大 使用油壓力 (kgf / cm2) |
最高轉速 (r.p.m.) |
慣性矩I (kg‧m2 ) |
重量 (kg) |
總流量 L/min |
|---|---|---|---|---|---|---|---|---|---|
| MM0933B | 90 | 50.3/47 | 19.1(1947)/17.8(1815) | 10 | 4.0(40.8) | 8000 | 0.012 | 5.9 | 0.8 |
| MM1036B | 100 | 64 / 60 |
23.8(2427)/22.3(2274) |
5 | 4.0(40.8) | 8000 | 0.013 | 7 | 0.8 |
| MM1036B15 | 100 | 64/60 | 23.8(2427)/22.3(2274) | 15 | 4.0(40.8) | 8000 | 0.014 | 7.4 | 0.8 |
| MM1246B | 125 | 100 / 89 |
38(3875)/33(3365) |
15 | 4.0(40.8) | 7000 | 0.027 | 11.8 | 3.0 |
|
MM1552B |
155 | 161/150 | 60(6118)/56(5710) | 22 | 4.0(40.8) | 6200 | 0.046 | 16 | 3.0 |
| MM1775B | 170 | 169/154.5 | 63.5(6475)/(5914) | 25 | 4.0(40.8) | 4200 | 0.081 | 22 | 4.5 |
|
型式 尺寸 |
C | D | E | G | H | J | L | S | T | U | Vmax. | Vmin. | Wmax. | Wmin. |
|---|---|---|---|---|---|---|---|---|---|---|---|---|---|---|
| MM0933B | 120 | 100 | 80 | 46 | M40x1.5 | 33 | 59 | 90 | 48 | 152 | 10 | 0 | 30 | 20 |
| MM1036B | 134 | 115 | 100 | 48 | M42x1.5 | 36 | 52 | 90 | 48 | 144 | 10 | 5 | 17 | 12 |
| MM1036B15 | 134 | 115 | 100 | 48 | M42x1.5 | 36 | 66 | 90 | 48 | 158 | 15 | 0 | 30 | 15 |
| MM1246B | 155 | 130 | 100 | 65 | M55x2.0 | 46 | 76 | 117 | 61 | 179 | 15 | 0 | 40 | 25 |
|
MM1552B |
190 | 170 | 130 | 70 | M60x2.0 | 52 | 84 | 135 | 68 | 189 | 22 | 0 | 47 | 25 |
| MM1775B | 212 | 190 | 160 | 95 | M85x2.0 | 75 | 95 | 164 | 82.5 | 208 | 25 | 0 | 50 | 25 |
|
型式 尺寸 |
B1 | C1 | F1 | G1 | H1 | J1 | L1 | M1 | Q1 | W1 | P1 | X1 |
|---|---|---|---|---|---|---|---|---|---|---|---|---|
| MM0933B | 58 | 25 | 6-M8x15 | 121.5 | 76 | 46 | 10 | 36 | M4x9L | M39x1.5 | 5 | 37 |
| MM1036B | 57 | 20 | 6-M10x15 | 113.5 | 76 | 46 | 10 | 38 | M4x9L | M42x1.5 | 2 | 40 |
| MM1036B15 | 57 | 25 | 6-M10x15 | 127.5 | 76 | 46 | 15 | 38 | M4x9L | M42x1.5 | 3 | 40 |
| MM1246B | 59.5 | 30 | 12-M10x20 | 140 | 98 | 59 | 15 | 50 | M5x6L | M52x1.5 | 9 | 50 |
|
MM1552B |
62.5 | 30 | 12-M10x20 | 150 | 110 | 68 | 15 | 55 | M6x6L | M58x1.5 | 9 | 56 |
| MM1775B | 64 | 35 | 12-M10x20 | 163.5 | 155 | 82.5 | 15 | 80 | M6x10L | M84x2.0 | 9 | 81 |
下一条:MS 中實迴轉油壓缸(含逆止閥)