亿川产品 其他产品

产品展示

亿川产品 其他产品

F66 鋁輪圈夾頭

High speed and light weight type strong finger chuck for aluminum wheel

点击产品图片放大

资料下载

在线询盘

产品详细介绍

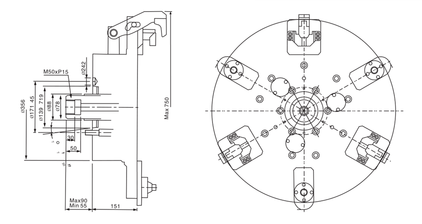
F66型鋁輪圈夾頭採用高級合金鋼材質,所有滑動面經表面硬化及研磨處理,以提高迴轉度及耐久性。

配合件直接安裝並符合DIN, BS, ISO, ASA, B5-9, A型之主軸標準。

單位 : mm

型式
規格
適合鋼圈
尺寸
夾頭外徑
(mm)
適合主軸 最大容
許拉力
(kgf)
最大夾持力
(kn)
最大使用
油壓力Mpa
(kgf/cm2)
最高轉速
(r.p.m.)
重量
(不包含治具)
(kg)
適合
油壓缸
F66A8 19"-24" 660 A2-8 3000 3300 2.9(29.5) 1500 182 MS125C35


最新新闻

  • 东莞国际机床展览会

    展会及展位信息: 时间:2025.10.29-11.01 开放时间:09:00-18:00 地点: 广东现代国际展览中心 展位号:3A-08

    深入了解
  • 玉环国际机床展览会

    展会及展位信息: 时间:2025.10.17-10.20 开放时间:09:00-18:00 地点: 浙江省台州市玉环市玉环会展中心 展位号:W2-T26

    深入了解
  • 武汉国际机床展-中国国际机电产品博览会WME

    展会及展位信息: 时间:2025年10月11日-13日 开放时间:09:00-18:00 地点:武汉国际博览中心 展位号:B1-1306 & B1-1004

    深入了解