Vertical and vertical horizontal stationary power chuck
Click on product image magnification
Online inquiryFor vertical lathe, milling machine and drilling process.
Through hole design for clamping long bore workpiece, both vertical and horizontal production.
Unit : mm
| Model/size |
Piston Dia. (mm) |
Eff. piston area (cm2 ) extend / retract |
Max tube power (kgf) Extend / Retract |
Piston Stroke (mm) |
Max Hydraulic pressure (kgf / cm2) |
Weight (kg) |
For Chucks |
|---|---|---|---|---|---|---|---|
| DV-6 | Ø115 | 104 / 78.5 | 1900 / 1400 | 20 | 20 | 12 | V-206 |
| DV-8 | Ø155 | 187 / 148.6 | 3600 / 2800 | 21 | 20 | 21 | V-208, V-210, V-212 |
| DN-8 | Ø155 | 148.6 / 148.6 | 2800 / 2800 | 17 | 20 | 28.5 | N-208 |
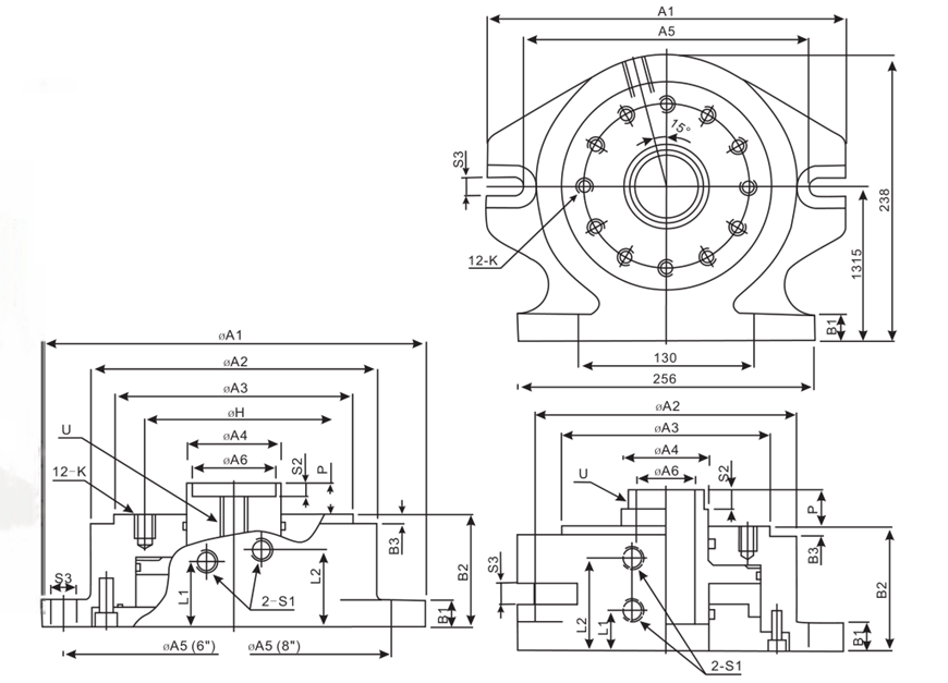
| Model/size | A1 | A2 | A3 | A4 | A5 | A6 | B1 | B2 | B3 | H |
|---|---|---|---|---|---|---|---|---|---|---|
| DV-6 | Ø220 | 168 | 140 | 55 | Ø220 | 49 | 16 | 65.5 | 5.5 | 104.78 |
| DV-8 | Ø290 | 210 | 170 | 70 | 242 | 58 | 24 | 86 | 5.5 | 133.35 |
| DN-8 | Ø293 | 213 | 170 | 70 | 242 | 52 | 24 | 100 | 5.5 | 133.35 |
| Model/size | K | L1 | L2 | Pmax. | Pmin. | S1 | S2 | S3 | U | Illutration |
|---|---|---|---|---|---|---|---|---|---|---|
| DV-6 | 12-M10x16L | 38 | 45 | 18 | -2 | PT 1/4" | 7.6 | 2-Ø15 | M16xP2.0 | Fig-1 |
| DV-8 | 12-M12x18L | 23 | 65 | 20 | -1 | PT 1/4" | 5.5 | 2-16 | M16xP2.0 | Fig-1 |
| DN-8 | 12-M12x18L | 32.5 | 74.5 | 30.4 | 13.4 | PT 1/4" | 16 | 4-17 | M60xP2.0 | Fig-2 |
Next:VRA NON-THROUGH HOLE POWER CHUCK FOR VERTICAL LATHE
Previous:V(40-79)
Exhibition:MANUFACTURING INDONESIA 2025 Date:03. - 06. December 2025 Time:10:00 am. – 06:00 pm. Add: Balai Sidang Jakarta Convention Center,Jakarta,Indonesia Booth:A-150
Learn moreExhibition:METALEX 2025 Date:From 19 to 22 November, 2025 Time:10:00 am. – 06:00 pm. Add: BITEC International Trade & Exhibition Centre,Bangkok, Thailand Booth:H101-BD01
Learn moreExhibition:MSV 2025 International Engineering Fair Date: Tuesday, October 7, 2025 - Friday, October 10, 2025 Add: Brno Exhibition Centre, Brno, Czech Republic Booth:P-115
Learn more