Hydraulic cylinders coolant collector
Click on product image magnification
Online inquiryHydraulic cylinders coolant collectors. Compact and light weight, they feature bore sizes up to 20% large than Conventional Cylinders. Precision finished piston bores and cool running rotary unions are included for years of trouble-free performance
The proximity switches are extra option.
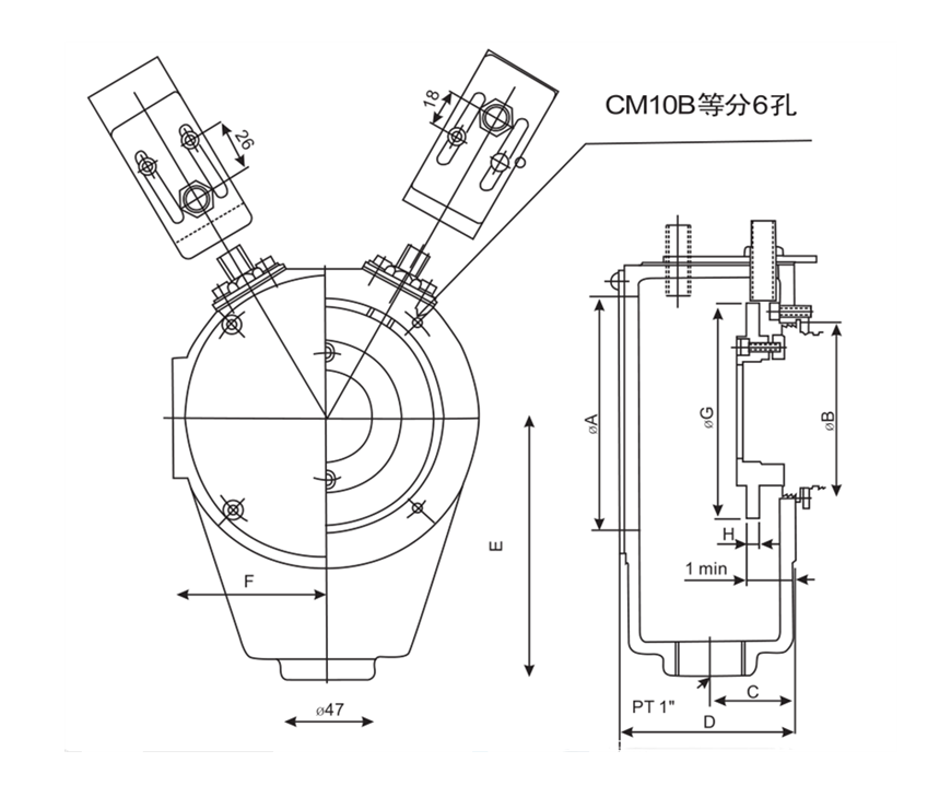
Unit : mm
| Model/Size | A | B | C | D | E | F | G | J | L max | L min | N |
|---|---|---|---|---|---|---|---|---|---|---|---|
| CM09B | 82.5 | 30 | 35 | 71.5 | 106 | 55.5 | 77 | 5 | 47.5 | 17.5 | 30 |
| CM10B1 | 8.25 | 40 | 35 | 71.5 | 106 | 55.5 | 107 | 5 | 47.5 | 17.5 | 30 |
| CM12B | 117.5 | 48 | 42 | 85.5 | 142 | 74 | 107 | 5 | 60.5 | 17.5 | 30 |
| CM15B8 | 117.5 | 80 | 42 | 85.5 | 142 | 74 | 107 | 5 | 60.5 | 17.5 | 30 |
| CM18B | 155 | 80 | 42.5 | 86.5 | 184 | 94 | 147 | 5 | 58.5 | 17.5 | 30 |
| CM18BK | 155 | 95 | 42.5 | 86.5 | 184 | 94 | 147 | 5 | 60.5 | 19.5 | 30 |
| CM20B | 155 | 95 | 42.5 | 86.5 | 184 | 94 | 147 | 5 | 60.5 | 17.5 | 30 |
| CM25B | 200 | 120 | 44 | 89.5 | 230 | 117 | 192 | 12 | 60 | 21 | 27 |
| CM28B | 254 | 170 | 52 | 103 | 285 | 147 | 240 | 8 | 74.5 | 20.5 | 20 |
| CM33B | 300 | 208 | 52 | 101.5 | 330 | ─ | 285 | 8 | 74.5 | 20.5 | 20 |
| Model/size | P | S | T | M | H1 | K1 | Q1 | Illutration | Matched cylinder |
Weight (kg) |
|---|---|---|---|---|---|---|---|---|---|---|
| CM09B | 67 | 90 | 105 | PT 3/4" | 76 | 44 | 4-M4 | Fig2 | M0928 | 0.85 |
| CM10B1 | 75 | ─ | 105 | PT 3/4" | 88 | 44 | 6-M5 | Fig1 | M1036 | 1 |
| CM12B | 87 | ─ | 130 | PT 1" | 98 | 47 | 4-M5 | Fig1 | M1236,M1246,MK1246,MM1246A | 1.6 |
| CM15B8 | 98 | ─ | 130 | PT 1" | 110 | 47 | 4-M6 | Fig1 | M1546,M1552,MK1452 | 1.6 |
| CM18B | 123 | ─ | 150 | PT 1" | 155 | 47 | 4-M6 | Fig1 | M1868,M1875 | 2 |
| CM18BK | 126 | 175 | 150 | PT 1" | 166 | 47 | 4-M6 | Fig2 | MK1881 | 2 |
| CM20B | 140 | ─ | 150 | PT 1" | 165 | 47 | 4-M6 | Fig1 | M2091 | 2.1 |
| CM25B | 179 | ─ | 180 | PT 1" | 206 | 47 | 4-M6 | Fig1 | M2511 | 2.4 |
| CM28B | 222.6 | 278 | 260 | PT 1-1/4" | 256 | 85 | 4-M6 | Fig2 | ML2816 | 4.2 |
| CM33B | 262.6 | 328 | 259 | PT 1-1/4" | 308 | 70 | 4-M6 | Fig2 | ML3320 | 7.2 |
Exhibition:MANUFACTURING INDONESIA 2025 Date:03. - 06. December 2025 Time:10:00 am. – 06:00 pm. Add: Balai Sidang Jakarta Convention Center,Jakarta,Indonesia Booth:A-150
Learn moreExhibition:METALEX 2025 Date:From 19 to 22 November, 2025 Time:10:00 am. – 06:00 pm. Add: BITEC International Trade & Exhibition Centre,Bangkok, Thailand Booth:H101-BD01
Learn moreExhibition:MSV 2025 International Engineering Fair Date: Tuesday, October 7, 2025 - Friday, October 10, 2025 Add: Brno Exhibition Centre, Brno, Czech Republic Booth:P-115
Learn more