High speed and compact through-hole rotary hydraulic cylinder
Click on product image magnification
Online inquiryCompact hydraulic cylinder design with light weight can reduce the spindle loading while running in high speed.
Built-in check valve in safety auto lock and pressure relief valve in case of power failure occur which prevents the workpiece from flying out.
New model developed for rear locking installation.
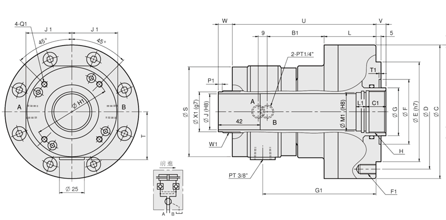
Unti: mm
| Model |
Piston Dia (mm) |
Piston Area Push Side/Pull Side |
Max.Draw Bar Force Push Side/Pull Side |
Piston Stroke (mm) |
Max. Operating Pressure Mpa(kgf / cm2) |
Max. Speed (r.p.m.) |
Moment OF Inertia I (kg‧m2 ) |
Weight (kg) |
Total Leakage L/min |
|---|---|---|---|---|---|---|---|---|---|
| MM0933B | 90 | 50.3/47 | 19.1(1947)/17.8(1815) | 10 | 4.0(40.8) | 8000 | 0.012 | 5.9 | 0.8 |
| MM1036B | 100 | 64 / 60 |
23.8(2427)/22.3(2274) |
5 | 4.0(40.8) | 8000 | 0.013 | 7 | 0.8 |
| MM1036B15 | 100 | 64/60 | 23.8(2427)/22.3(2274) | 15 | 4.0(40.8) | 8000 | 0.014 | 7.4 | 0.8 |
| MM1246B | 125 | 100 / 89 |
38(3875)/33(3365) |
15 | 4.0(40.8) | 7000 | 0.027 | 11.8 | 3.0 |
|
MM1552B |
155 | 161/150 | 60(6118)/56(5710) | 22 | 4.0(40.8) | 6200 | 0.046 | 16 | 3.0 |
| MM1775B | 170 | 169/154.5 | 63.5(6475)/(5914) | 25 | 4.0(40.8) | 4200 | 0.081 | 22 | 4.5 |
|
型式 尺寸 |
C | D | E | G | H | J | L | S | T | U | Vmax. | Vmin. | Wmax. | Wmin. |
|---|---|---|---|---|---|---|---|---|---|---|---|---|---|---|
| MM0933B | 120 | 100 | 80 | 46 | M40x1.5 | 33 | 59 | 90 | 48 | 152 | 10 | 0 | 30 | 20 |
| MM1036B | 134 | 115 | 100 | 48 | M42x1.5 | 36 | 52 | 90 | 48 | 144 | 10 | 5 | 17 | 12 |
| MM1036B15 | 134 | 115 | 100 | 48 | M42x1.5 | 36 | 66 | 90 | 48 | 158 | 15 | 0 | 30 | 15 |
| MM1246B | 155 | 130 | 100 | 65 | M55x2.0 | 46 | 76 | 117 | 61 | 179 | 15 | 0 | 40 | 25 |
|
MM1552B |
190 | 170 | 130 | 70 | M60x2.0 | 52 | 84 | 135 | 68 | 189 | 22 | 0 | 47 | 25 |
| MM1775B | 212 | 190 | 160 | 95 | M85x2.0 | 75 | 95 | 164 | 82.5 | 208 | 25 | 0 | 50 | 25 |
|
型式 尺寸 |
B1 | C1 | F1 | G1 | H1 | J1 | L1 | M1 | Q1 | W1 | P1 | X1 |
|---|---|---|---|---|---|---|---|---|---|---|---|---|
| MM0933B | 58 | 25 | 6-M8x15 | 121.5 | 76 | 46 | 10 | 36 | M4x9L | M39x1.5 | 5 | 37 |
| MM1036B | 57 | 20 | 6-M10x15 | 113.5 | 76 | 46 | 10 | 38 | M4x9L | M42x1.5 | 2 | 40 |
| MM1036B15 | 57 | 25 | 6-M10x15 | 127.5 | 76 | 46 | 15 | 38 | M4x9L | M42x1.5 | 3 | 40 |
| MM1246B | 59.5 | 30 | 12-M10x20 | 140 | 98 | 59 | 15 | 50 | M5x6L | M52x1.5 | 9 | 50 |
|
MM1552B |
62.5 | 30 | 12-M10x20 | 150 | 110 | 68 | 15 | 55 | M6x6L | M58x1.5 | 9 | 56 |
| MM1775B | 64 | 35 | 12-M10x20 | 163.5 | 155 | 82.5 | 15 | 80 | M6x10L | M84x2.0 | 9 | 81 |
Exhibition:SIMTOS 2026 Date:Apr. 13(Mon.) - 17(Fri.), 2026 (5 days) Add:KINTEX (Korea International Exhibition Center) Booth:02C420
Learn moreExhibition:BIEMH SPAIN 2026 Date:From 2 to 6 March, 2026 Add: Exhibition Center of Bilbao, Spain Booth:P3,B-51A
Learn moreExhibition:MANUFACTURING INDONESIA 2025 Date:03. - 06. December 2025 Time:10:00 am. – 06:00 pm. Add: Balai Sidang Jakarta Convention Center,Jakarta,Indonesia Booth:A-150
Learn more