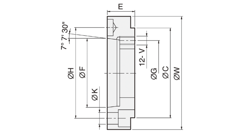
Mounting adapter on short taper spindle noses DIN55026
Click on product image magnification
Online inquirySuitable for the short taper spindle nose DIN55026
Unti : mm
| Model/size | Spindle nose type | C | F | H | K | E | For chucks |
|---|---|---|---|---|---|---|---|
| N0205-0J4 | A4 | 110 | 63.513 | 82.55 | 3-11 | 15 | N-205 |
| N0205-0J42 | A4 | 110 | 63.513 | 82.55 | 4-11 | 15 | NT-205 |
| N0206-0J5 | A5 | 140 | 82.563 | 104.78 | 6-11 | 15 | N-206, NB-306, V-206 |
| N0206-0J52 | A5 | 140 | 82.563 | 104.78 |
6-11 |
15 | NT-206, VT-206 |
| N0206-0J54 | A5 | 140 | 82.563 | 104.78 | 4-11 | 15 | NIT-206 |
| N0208-0J6 | A6 | 170 | 106.375 | 133.35 | 6-13 | 17 | N-208, NB-208, V-208 |
| N0208-0J62 | A6 | 170 | 106.375 | 133.35 | 6-13 | 17 | NT-208, VT-208 |
| N0208-0J64 | A6 | 170 | 106.375 | 133.35 | 4-13 | 17 | NIT-208 |
| NHT0208-0J6 | A6 | 170 | 106.375 | 133.35 | 6-13 | 17 | NHT-208 |
| N0210-0J8 | A8 | 220 | 139.719 | 171.45 | 6-17 | 18 | N-210, N-212, NB-210, V-210, V-212 |
| N0210-0J82 | A8 | 220 | 139.719 | 171.45 | 6-17 | 18 | NT-210, NT-212, VT-210, VT-212 |
| N0210-0J84 | A8 | 220 | 139.719 | 171.45 | 4-17 | 18 | NIT-210, NIT-212, VIT-212 |
| N0215-0J11 | A11 | 300 | 196.869 | 235 | 6-21 | 22 | N-215, N-218, NB-212, V-215, V-218 |
| N0215-0J112 | A11 | 300 | 196.869 | 235 | 6-21 | 22 | NT-215, VT-215 |
| N0215-0J114 | A11 | 300 | 196.869 | 235 | 4-21 | 22 | NIT-215, VIT-218 |
| V0224-0J15 | A15 | 380 | 285.775 | 330.2 | 6-25 | 27 |
N-220, V-221, V-224, V-232, NB-215, NB-218 |
| V0224-0J154 | A15 | 380 | 285.775 | 330.2 | 8-25 | 27 | VIT-224, VIT-232 |
| N0224-0J20 | A20 | 520 | 412.775 | 463.6 | 6-25 |
N-224, N-232, V-240, V-250 |

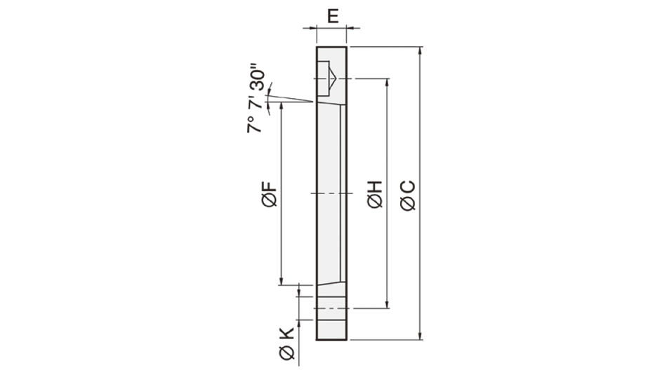
Unit : mm
| Model/ Size | Spindle nose type | C | F | H | K | G | V | E | For chucks |
|---|---|---|---|---|---|---|---|---|---|
| N0206-0J4 | A4 | 140 | 63.513 | 82.55 | 11 | 104.78 | M10 | 20 | N-206, NT-206, NIT-206, |
| N0206-0J4 | A4 | 140 | 63.513 | 82.55 | 11 | 104.78 | M10 | 20 | NB-306, V-206, VT-206 |
| N0208-0J5 | A5 | 170 | 82.563 | 104.78 | 11 | 133.35 | M12 | 23 | N-208, NT-208, NIT-208, |
| N0208-0J5 | A5 | 170 | 82.563 | 104.78 | 11 | 133.35 | M12 | 23 | NHT-208 ,NB-208, V-208, |
| N0208-0J5 | A5 | 170 | 82.563 | 104.78 | 11 | 133.35 | M12 | 23 | VY-208 |
| N0210-0J6 | A6 | 220 | 106.375 | 133.35 | 13 | 171.45 | M16 | 25 | N-210, NT-210, NIT-210, |
| N0210-0J6 | A6 | 220 | 106.375 | 133.35 | 13 | 171.45 | M16 | 25 | N-212, NT-212, NIT-212, |
| N0210-0J6 | A6 | 220 | 106.375 | 133.35 | 13 | 171.45 | M16 | 25 | V-210, VT-210, V-212, |
| N0210-0J6 | A6 | 220 | 106.375 | 133.35 | 13 | 171.45 | M16 | 25 | VT-212, VIT-212 |
| N0215-0J8 | A8 | 300 | 139.719 | 171.45 | 17 | 235 | M20 | 33 | N-215, NT-215, NIT-215, |
| N0215-0J8 | A8 | 300 | 139.719 | 171.45 | 17 | 235 | M20 | 33 | N-218, NB-212, V-215, |
| N0215-0J8 | A8 | 300 | 139.719 | 171.45 | 17 | 235 | M20 | 33 | VT-215, V-218, VIT-218 |
| N0220-0J11 | A11 | 380 | 196.869 | 235 | 21 | 330.2 | M24 | 41 | N-220, VIT-232, NB-215, |
| N0220-0J11 | A11 | 380 | 196.869 | 235 | 21 | 330.2 | M24 | 41 | NB-218 |
| N0224-0J11 | A11 | 520 | 196.869 | 235 | 21 | 463.6 | M24 | 45 | N-224, N-232, V-240, V-250 |
| N0224-0J15 | A15 | 520 | 285.775 | 330.2 | 25 | 463.6 | M24 | 42 | N-224, N-232, V-240, V-250 |
| V0224-0J8 | A8 | 380 | 139.719 | 171.45 | 17 | 330.2 | M24 | 33 | V-221, V-224, V-232 |
| V0224-0J11 | A11 | 380 | 196.869 | 235 | 21 | 330.2 | M24 | 27 | V-221, V-224, V-232 |
| V0263-0J20 | A20 | 720 | 412.775 | 463.6 | 27 | 647.6 | M30 | 50 | VIT-263, VE-263, VE-279 |

Unit: mm
| Model / Size | Spindle nose type | C | F | H | K | G | V | W | E | For chucks |
|---|---|---|---|---|---|---|---|---|---|---|
| N0205-0J5 | A5 | 110 | 82.563 | 104.78 | 11 | 82.55 | M10 | 128 | 32 | N-205, NT-205 |
| N0206-0J6 | A6 | 140 | 106.375 | 133.35 | 13 | 104.78 | M10 | 168 | 35 |
N-206, NT-206, NB-306, |
| N0206-0J7 | A7 | 140 | 106.375 | 133.35 | 13 | 104.78 | M11 | 168 | 35 | V-206, VT-206 |
| N0208-0J8 | A8 | 170 | 139.719 | 171.45 | 17 | 133.35 | M12 | 208 | 40 |
N-208, NT-208, NIT-208, |
| N0208-0J9 | A9 | 170 | 139.719 | 171.45 | 17 | 133.35 | M13 | 208 | 40 |
NB-208, V-208, VT-208 |
| N0212-0J11 | A11 | 220 | 196.869 | 235 | 21 | 171.45 | M16 | 278 | 50 |
N-210, NT-210, NIT-210, |
| N0212-0J12 | A12 | 220 | 196.869 | 235 | 21 | 171.45 | M17 | 278 | 50 |
N-212, NT-212, NIT-212, |
| N0212-0J13 | A13 | 220 | 196.869 | 235 | 21 | 171.45 | M18 | 278 | 50 |
NB-210, V-210, VT-210, |
| N0212-0J14 | A14 | 220 | 196.869 | 235 | 21 | 171.45 | M19 | 278 | 50 |
V-212, VT-212, VIT-212 |
| N0215-0J15 | A15 | 300 | 285.775 | 330.2 | 25 | 235 | M20 | 378 | 57 |
N-215, NT-215, NIT-215, |
| N0215-0J16 | A16 | 300 | 285.775 | 330.2 | 25 | 235 | M21 | 378 | 57 |
N-218, NB-212, V-215, |
| N0215-0J17 | A17 | 300 | 285.775 | 330.2 | 25 | 235 | M22 | 378 | 57 |
VT-215, V-218, VIT-218 |
| V0224-0J20 | A20 | 380 | 412.775 | 463.6 | 26 | 330.2 | M24 | 520 | 58 |
N-220, V-221, V-224, |
| V0224-0J21 | A21 | 380 | 412.775 | 463.6 | 26 | 330.2 | M25 | 520 | 58 | V-232 |
Exhibition:MANUFACTURING INDONESIA 2025 Date:03. - 06. December 2025 Time:10:00 am. – 06:00 pm. Add: Balai Sidang Jakarta Convention Center,Jakarta,Indonesia Booth:A-150
Learn moreExhibition:METALEX 2025 Date:From 19 to 22 November, 2025 Time:10:00 am. – 06:00 pm. Add: BITEC International Trade & Exhibition Centre,Bangkok, Thailand Booth:H101-BD01
Learn moreExhibition:MSV 2025 International Engineering Fair Date: Tuesday, October 7, 2025 - Friday, October 10, 2025 Add: Brno Exhibition Centre, Brno, Czech Republic Booth:P-115
Learn more