其他卡盘

产品展示

其他卡盘

NBK 强力超薄型夹盘

NBK POWERFUL TYPE SUPER THIN CHUCKS

点击产品图片放大

资料下载

在线询盘

产品详细介绍

强力超薄型夹盘之特色:
1、把手和盘面成30°角,旋转操作更便利。
2、薄型设计,可增加机械加工之容许长度。
3、外径成凸缘设计,装卸容易。
4、强力型设计可共用生爪。

SUPER THIN CHUCKS
1.The handle with an angle of 30 degrees is more convenient for operations.
2.The“super thin thickness”design of chucks increase the“allowable distance” of machining opertions.
3.Chuck flange makes loading and unloading operation simpler and more convenient.
4.Hard jaws and Soft jaws can be used alternatively.

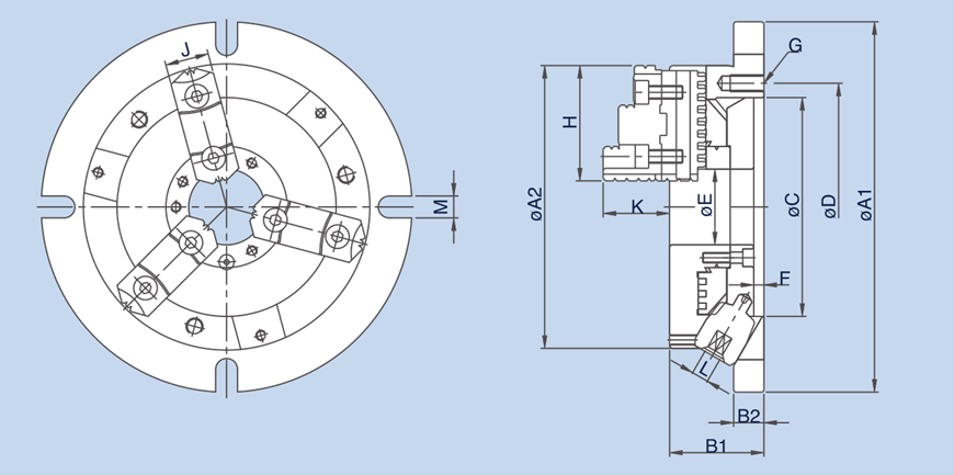
规格 / Specification   单位/UNIT:mm

型式/规格
MODEL/SPEC
外径夹持范围
O.D.Clamping Range
mm
内径夹持范围
I.D.Clamping Range
mm
净重
Weight
kg
NBK-06 Ø8-Ø160 Ø48-Ø150 10.6
NBK-08 Ø11-Ø200 Ø62-Ø190 18.1
NBK-10 Ø12-Ø250 Ø72-Ø240 27.9
NBK-12 Ø15-Ø300 Ø86-Ø290 42.9


型式/规格
MODEL/SPEC
A1 A2 B1 B2 C D E F G H J K L M
NBK-06 220 170 58 18 130 147 45 6 3-M10x1.5P 68 26 40 10 13
NBK-08 270 210 65 20 155 172 60 6 3-M10x1.5P 82 28 43 11 13
NBK-10 315 255 73 20 190 210 80 6 3-M12x1.75P 93 32 52 12 16
NBK-12 370 305 80 22 250 285 105 5 3-M12x1.75P 118 40 59 14 18
保留技术更改的权利,恕不另行通知 Subject to technology changes without prior information
非标需求可定做 Non-standard requirements can be made

最新新闻

  • 东莞国际机床展览会

    展会及展位信息: 时间:2025.10.29-11.01 开放时间:09:00-18:00 地点: 广东现代国际展览中心 展位号:3A-08

    深入了解
  • 玉环国际机床展览会

    展会及展位信息: 时间:2025.10.17-10.20 开放时间:09:00-18:00 地点: 浙江省台州市玉环市玉环会展中心 展位号:W2-T26

    深入了解
  • 武汉国际机床展-中国国际机电产品博览会WME

    展会及展位信息: 时间:2025年10月11日-13日 开放时间:09:00-18:00 地点:武汉国际博览中心 展位号:B1-1306 & B1-1004

    深入了解