其他卡盘

产品展示

其他卡盘

MC 方型超薄夹盘

MC SUPER THIN SQUARE CHUCKS

点击产品图片放大

资料下载

在线询盘

产品详细介绍

MC 附硬爪
1.MC均为定寸研磨方式;任何相同规格之方型盘W,X,Y,Z各点之高度公差为0.05mm以内。
2.MC规格均可替换生爪,作不规则形状之加工,以替代中心机大量治具,更经济、方便。
3.硬爪重复夹持之精度公差为0.02mm以内。
4.侧边平行校正后,硬爪夹持之平行公差为0.05mm以内。

MC SQUARE SHUCKS
1.MC chucks are precisely ground,the tolerances of W,X,Y,Z among chucks are with in 0.05mm.
2.Soft jaws can be used alternatively for machining special shaped work pieces,to substitute for designing and making a lot of jings for this purpose.
3.The repetitive gripping accuracy with the hard jaws are with in 0.02mm.
4.Parallel gripping accuracy with hard jaws can be controlled with in 0.05mm after aligning sides of chucks.

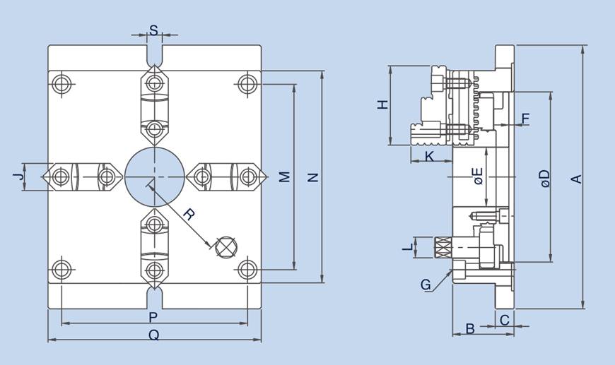
规格 / Specification   单位/UNIT:mm

型式/规格
MODEL/SPEC
外径夹持范围
O.D.Clamping Range
mm
内径夹持范围
I.D.Clamping Range
mm
净重
Weight
kg
MC-06 Ø4-Ø128 Ø55-Ø128 11.4
MC-08 Ø5-Ø162 Ø65-Ø162 18.6
MC-10 Ø6-Ø200 Ø72-Ø200 31.6
MC-12 Ø10-Ø265 Ø90-Ø265 56.6


型式/规格
MODEL/SPEC
A B C D E F G H J K L M N P Q R S
MC-06 215 57 18 130 40 5.5 4-M10x1.5P 68 26 39 14 144 165 144 165 66 18
MC-08 250 65 20 160 55 6 4-M12x1.75P 82 28 43 17 174 200 174 200 83 18
MC-10 310 72 22 200 70 6 4-M14x2P 93 32 50 21 218 250 218 250 104 18
MC-12 380 82 25 260 100 7 4-M16x2P 118 40 56 23 274 310 274 310 135 22


保留技术更改的权利,恕不另行通知 Subject to technology changes without prior information
非标需求可定做 Non-standard requirements can be made

最新新闻

  • 东莞国际机床展览会

    展会及展位信息: 时间:2025.10.29-11.01 开放时间:09:00-18:00 地点: 广东现代国际展览中心 展位号:3A-08

    深入了解
  • 玉环国际机床展览会

    展会及展位信息: 时间:2025.10.17-10.20 开放时间:09:00-18:00 地点: 浙江省台州市玉环市玉环会展中心 展位号:W2-T26

    深入了解
  • 武汉国际机床展-中国国际机电产品博览会WME

    展会及展位信息: 时间:2025年10月11日-13日 开放时间:09:00-18:00 地点:武汉国际博览中心 展位号:B1-1306 & B1-1004

    深入了解