其他卡盘

产品展示

其他卡盘

SE 超薄型夹盘

SE SUPER THIN CHUCKS

点击产品图片放大

资料下载

在线询盘

产品详细介绍

超薄型夹盘之特色:
1.轻、薄、短小的设计,适用于工件量测夹持。
2.直接转动旋盘,免于使用板手旋转干涉。
3.钢制本体,耐用性甚佳。
4.夹爪正反夹持两用设计,操作方便。
5.2"最小工件夹持0.8mm.

SUPER THIN CHUCKS
1.By the compactness comes from "Light Thin,Short,Small" designing concept; the chucks are the most fitting to hold work pieces for measuring.By the compactness comes from"Light, Thin and Small" designing concept,the chucks are most fitting to hold workpieces for measuring.
2.Just rotate the chuck knob directly for gripping and loosening,a handle is not necessary to be used.Rotating the chuck knob directly for gripping and loosening, the handle is not necessary to be used.
3.Chuck body is made of very durable steel.The chuck body is made of very durable steel.
4.Jaws can be reversibly used; gripping of various sizes becomes much convenient.Jaws can be reversibly used. Gripping for various sizes becomes much convenient.
5.2" chucks can even grip up to the smallest size of 0.8mmThe 2"model chuck can even grip the small OD size of 0.8mm.



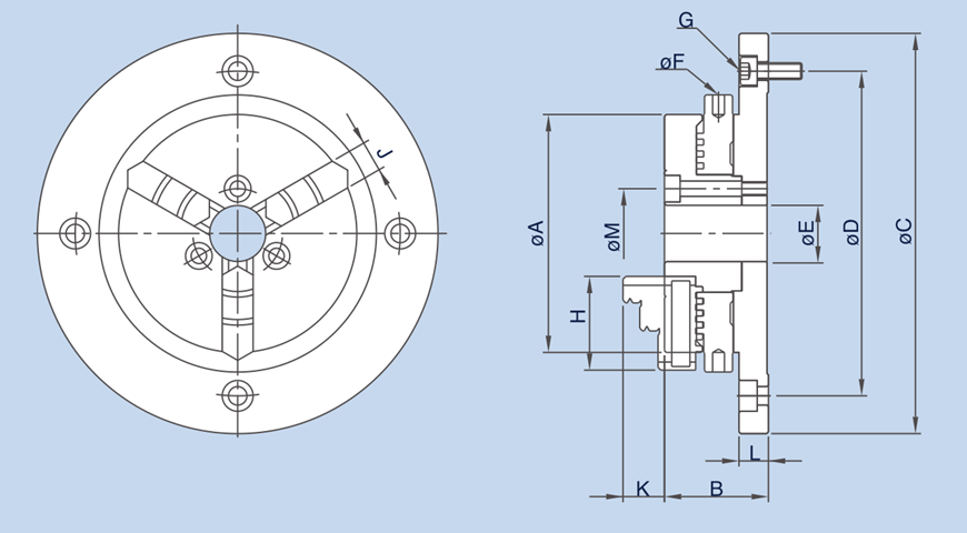
规格 / Specification  单位/UNIT:mm

型式/规格
MODEL/SPEC
外径夹持范围
O.D.Clamping Range
mm
内径夹持范围
I.D.Clamping Range
mm
净重
Weight
kg
SE-02 Ø0.8-Ø63 Ø23-Ø58 1.2
SE-03 Ø1-Ø81 Ø31-Ø70 2.9
SE-04 Ø1-Ø100 Ø36-Ø90 4.3
SE-05 Ø1.5-Ø116 Ø43-Ø106 6.2
SE-06 Ø1.5-Ø160 Ø52-Ø148 11.1


型式/规格
MODEL/SPEC
A B C D E F G H J K L M
SE-02 63 28 118 100 16 4 4-M5x0.8P 27 8 13 8 26
SE-03 85 37 143 116 20 4 4-M6x1P 35 11 15 10.5 32
SE-04 110 39 168 140 26 5 4-M6x1P 42 14 19 10 40
SE-05 130 45 202 168 32 6 4-M8x1.25P 50 16 21 11.5 49
SE-06 160 52 248 208 50 8 4-M10x1.5P 65 19 26 15 70
保留技术更改的权利,恕不另行通知 Subject to technology changes without prior information
非标需求可定做 Non-standard requirements can be made

最新新闻

  • 东莞国际机床展览会

    展会及展位信息: 时间:2025.10.29-11.01 开放时间:09:00-18:00 地点: 广东现代国际展览中心 展位号:3A-08

    深入了解
  • 玉环国际机床展览会

    展会及展位信息: 时间:2025.10.17-10.20 开放时间:09:00-18:00 地点: 浙江省台州市玉环市玉环会展中心 展位号:W2-T26

    深入了解
  • 武汉国际机床展-中国国际机电产品博览会WME

    展会及展位信息: 时间:2025年10月11日-13日 开放时间:09:00-18:00 地点:武汉国际博览中心 展位号:B1-1306 & B1-1004

    深入了解