软爪/硬爪/扇形爪

产品展示

软爪/硬爪/扇形爪

CP强力生爪

SOFT JAWS FOR SCROLL CHUCK

点击产品图片放大

资料下载

在线询盘

产品详细介绍

品牌:OMATEI

选型指导:
1,所用卡盘的品牌及型号
2,工件尺寸及需要夹持的高度

产品优势:
1,标准软爪材质为优质45#钢,强度好,可硬化。
2,精密齿距紧密贴合卡盘基爪,降低磨损。
3,可用于NTH及所有其他品牌相关型号的卡盘。
4,客制化非标卡爪可设计、定做、OEM代工。

Brand:OMATEI

Selection Guidance
1, Chuck brand and model name
2, Workpiece size and the gripping height

Advantage
1, For standard soft jaws, the material is high quality 45# steel, stronger and hardenable.
2, Fine serration pitch can tight fit with chuck master jaws, lower abrasion.
3, Applicable onto the related chuck models of SMW/Kitagawa/Soul/Howa/Samchully/Auto-strong/Tonfou/Chandox/Autogrip/NTH and so on well-known brand.
4, Customized and non-standard jaws and be designed and OEM.



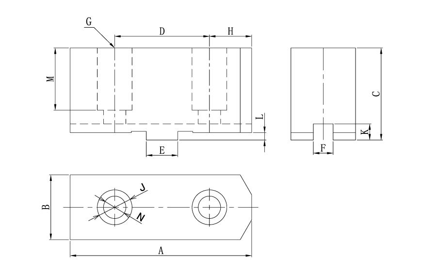
规格/Specification   单位/Unit:mm

型号

SPEC.MODEL

Length

A

Width

B

Height

C

中心孔距

Hole center distance

D

键槽宽

Slot width

E

键槽深

Slot depth

F

螺丝

Screw

G

H

J

K

L

M

N

毛重

G.W.(Kg/set)

CP-04

52

19

30

24

9.53

7.94

M6×1.0P

14

11

5.5

2.5

21

7

0.45

CP-05

62

24

35

32

12.68

7.94

M8×1.25P

15

14

6.5

3

24

9

0.9

CP-06

73

26

37

38.1

12.68

7.94

M8×1.25P

17

14

6.5

3

25

9

1.2

CP-07

CP-08

95

31

48

44.45

12.68

7.94

M10×1.5P

25.3

17

6.8

3

34

11

2.65

CP-09

CP-10

110

37

48

53.98

19.03

12.7

M12×1.75P

28

19

7.2

3

34

13

3.8

CP-12

125

42

54

63.5

19.03

12.7

M12×1.75P

31

19

7.2

3

38

13

5.3

CP-14

CP-16

160

50

70

76.2

19.03

12.7

M16×2.0P

42

25

11.5

6

48

17

11.5

CP-20

160

55

80

76.2

19.03

12.7

M20×2.5P

42

32

11.5

6

58

21

15.5

CP-25 160 75 80 76.2 19.03 12.7 M20×2.5P
42 32 11.5 6 58 21 21.2

HE-2486

155

59

86

76.2

19.03

12.7

M20

32

11

6

66

21

17.2

保留技术更改的权利:Subject to technical changes


下一条:NCP强力生爪

上一条:尼龙软爪

最新新闻

  • 东莞国际机床展览会

    展会及展位信息: 时间:2025.10.29-11.01 开放时间:09:00-18:00 地点: 广东现代国际展览中心 展位号:3A-08

    深入了解
  • 玉环国际机床展览会

    展会及展位信息: 时间:2025.10.17-10.20 开放时间:09:00-18:00 地点: 浙江省台州市玉环市玉环会展中心 展位号:W2-T26

    深入了解
  • 武汉国际机床展-中国国际机电产品博览会WME

    展会及展位信息: 时间:2025年10月11日-13日 开放时间:09:00-18:00 地点:武汉国际博览中心 展位号:B1-1306 & B1-1004

    深入了解