软爪/硬爪/扇形爪

产品展示

软爪/硬爪/扇形爪

NCP强力生爪

NCP soft jaws for NTH SK series scroll chuck

点击产品图片放大

资料下载

在线询盘

产品详细介绍

品牌:OMATEI

产品应用:
1,适用NTH品牌的SK系列手动卡盘
2
,非标尺寸可订制

产品优势:
1,标准软爪材质为优质45#钢,强度好,可硬化。
2
,软爪安装处经研磨加工,贴合卡盘基爪,降低磨损。
Brand:OMATEI

Where used
1, it’s applicable for NTH brand SK series manual chuck
2, Non standard spec can be made

Advantage
1, For standard soft jaws, the material is high quality 45# steel, stronger and hardenable.
2, The mounting place is ground and it can match the master jaws tightly, lower abrasion.


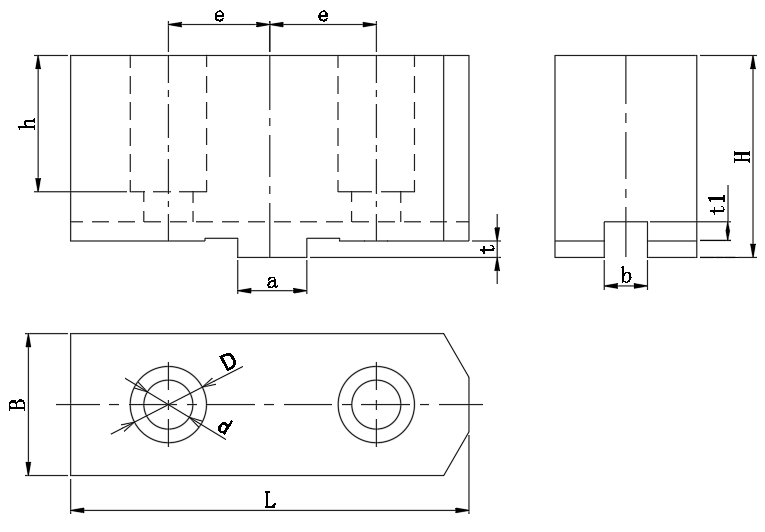
单位/UNIT: mm

型式/规格
MODEL/SPEC
L B H h D d a e b t t1 G
NCP-04 52 19 30 21 11 6.5 9.53 12 7.94 2.5 5.5 M6*1.0P
NCP-05 62 24 35 24 14 9 12.68 16 7.94 3 7.2 M8*1.25P
NCP-06 73 26 37 25 17 11 12.68 19.05 7.94 3 7.2 M10*1.5P
NCP-07 95 31 48 34 17 11 12.68 22.2 7.94 3 7.2 M10*1.5P
NCP-08 95 31 48 34 17 11 12.68 22.2 7.94 3 7.2 M10*1.5P
NCP-09 110 37 48 34 17 11 12.68 22.2 7.94 3 7.2 M10*1.5P
NCP-10 110 37 48 34 19 13 19.03 27 12.7 3 7.2 M12*1.75P
NCP-12 125 42 54 38 19 13 19.03 31.75 12.7 3 7.2 M12*1.75P
NCP-14 125 42 54 38 19 13 19.03 31.75 12.7 3 7.2 M12*1.75P
NCP-16 160 50 70 48 25 17 19.03 38.1 12.7 6 11.5 M16*2.0P

最新新闻

  • 东莞国际机床展览会

    展会及展位信息: 时间:2025.10.29-11.01 开放时间:09:00-18:00 地点: 广东现代国际展览中心 展位号:3A-08

    深入了解
  • 玉环国际机床展览会

    展会及展位信息: 时间:2025.10.17-10.20 开放时间:09:00-18:00 地点: 浙江省台州市玉环市玉环会展中心 展位号:W2-T26

    深入了解
  • 武汉国际机床展-中国国际机电产品博览会WME

    展会及展位信息: 时间:2025年10月11日-13日 开放时间:09:00-18:00 地点:武汉国际博览中心 展位号:B1-1306 & B1-1004

    深入了解