品牌/Brand:NTH
JAP 100 回转缸内藏气压膜片夹头
精密膜片夹头内藏高性能气压回转缸
夹头具中心通孔,可配合自动送料或中心出水工作
夹头高度密封设计,防尘防水防切削液
无滑动件磨损,超长精度寿命
高转速工作条件需安装于机台后校正动平衡
前置式安装,无须安装回转缸及夹头拉管
夹持力可由工作气压精密微调,适合夹持薄形工件或脆弱工件。单边厚度1.0mm薄件可以夹持
依据工件设计爪型,可进行外径夹持或内径反张
Repeatability is within 0.005mm.
Air cylinder is integrated: no rotary cylinder or draw tube is required.
Real front-mounting design allows easy installation.
Highly-sealed chuck body helps protect cutting chips, dust or coolant fluid from entering.
Gentle and precise clamping: suitable for fragile parts clamping.
O.D. clamping / I.D. expanding chuck possible by changing different jaw pads.
产品简介 Introduction
JAP100精密气压膜片夹头采用专利膜片夹盘技术,适合各式精密工件的夹持加工,提供极高的夹持精度。此外,JAP100精密气压膜片夹头的夹持力能以输入气压精密微调,因此亦广泛应用于薄环工件、薄管工件或是各式质地硬脆工件的夹持加工,能大幅降低工件受持力破坏或变形。
JAP100精密气压膜片夹头内藏高性能气压回转缸,转速可达4000RPM。与一般膜片夹头比较,客户选用JAP100气压膜片夹头可以节省安装回转缸,给气钢管或拉管等组件,大幅简化其安装步骤及时间。客户不需要任何原厂的支援即能完成JAP100气压膜片夹头的安装及精度调校,并快速投入加工作业。
JAP100精密气压膜片夹头的应用范围广泛,可以搭配精密数控车床,精密研磨床,检验设备,或是各式精密加工专用机械工作。目前已成功的应用于精密机械零件,精密电子零件、光学零件、单用零件、医疗零件、精密陶瓷等多种精密零件的夹持加工,为使用者带来极大的效益。
NTH JAP100 Cylinder-Integrated Pneumatic Diaphragm Chuck provides you with a high accuracy yet hassle-free diaphragm chucking solution, saving you from the trouble of installing rotary cylinders, tailor making any draw tubes or air feeders. And with its real front-mounting design, the installation is revolutionarily easier than ever.
应用范例 Application
光碟机/硬碟机主轴组精修加工
精密轴套搪磨加工
数位相机薄铝零件车削加工
微小引擎的缸套及活塞精密加工
高速钻孔机主轴转子/轴套加工
精密陶瓷夹持
超薄铝管加工,单边厚度1.0mm以下
电子产品铝薄壳五轴雷射加工
其他精密零件、薄型工件的外夹或内张夹持加工
至今已有超过1000组销售JAP100精密气压膜片夹头的记录,有为国内外客户解决过各式精密夹持,困难夹持的成功经验。我们以累积多年的经验与自有精密加工设备为客户设计夹具并制作夹爪,提供客户完整的困难夹持解决方案,欢迎您与我们联系,与我们讨论您的需求与夹持困难,我们工程人员竭诚为您提供咨询服务。
Precision bushings.
DVD spindle motor assembly.
Bearing collars, bearing rings.
Parts of cameras' lens module, thickness less than 0.7mm.
PCB drill bits.
Cylinder sleeve of air hand tools.
Thin-wall parts. Fragile parts.
Piston and cylinder of mini engines.
JAP100夹头专用夹爪 JAP100 diaphragm jaw pad
使用高品质的合金钢为材料,硬化至HRC50或半硬化至HRC40(可以车削).
交货速度快:常规尺寸能在10日内交货,订制品能在20日内交货
承制各厂牌膜片弹性夹爪 The diaphragm jaw pad can be customized
除了JAP100膜片夹头专用夹爪外,亦承制各厂牌精密模片夹头的弹性夹爪。
夹爪的外型与尺寸依据客户的加工件设计与制作,可选择高硬化或半硬化(可车削)的夹爪。
我们的交货速度快,能在确认订单后20天内制作完成。

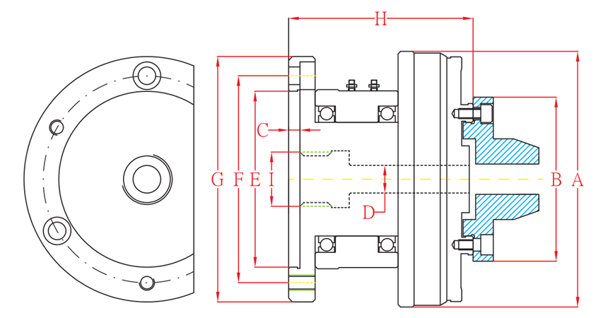
JAP100产品尺寸性能规格 JAP100 series pneumatic collet chuck spec.
| 型号/ Model | JAP104 | JAP105 | JAP106 |
|---|---|---|---|
| A | 101(3.98〞) | 137(5.37〞) | 166(6.54〞) |
| B | 60(2.36〞) | 70(2.76〞) | 100(3.94〞) |
| C | 4.0(0.16〞) | 3.5(0.14〞) | 5.5(0.22〞) |
| D | 10(0.39〞) | 12(0.47〞) | 42(1.65〞) |
| E | 70(2.76〞) | 100(3.94〞) | 130(5.12〞) |
| F(P.C.D) | 82(3.23〞) | 115(4.53〞) | 147(5.79〞) |
| G | 97(3.82〞) | 135(5.31〞) | 167(6.57〞) |
| H | 73(2.87〞) | 90(3.54〞) | 107(4.21〞) |
|
安装螺丝孔
Mounting bolts
|
4H-M6(前锁Front) |
3H-M8(前锁Front) 3H-M8(后锁Rear) |
3H-M10(前锁Front) 3H-M10(后锁Rear) |
|
最高转速
Max RPM
|
4000 | 3400 | 2400 |
|
工作气压
Air Pressure
|
0.5-7kg/cm²(7-100psi) | 0.5-7kg/cm²(7-100psi) | 0.5-7kg/cm²(7-100psi) |
|
夹爪行程(直径)
Jaw Stroke (Dia)
|
0.20mm(0.008〞) | 0.20mm(0.008〞) | 0.20mm(0.008〞) |
|
通孔
Through Hole
|
10mm(0.39〞) | 14mm(0.57〞) | 14mm(1.65〞) |
|
非通孔最大夹径
Non thru Max Clamping
|
42mm(1.65〞) | 50mm(1.93〞) | 78mm(3.07〞) |
|
产品净重
N.W.
|
2.8kgs(6.2lbs) | 6.0kgs(13.2lbs) | 9.5kgs(20.9lbs) |
JAP100专用夹爪尺寸表 JAP100 diaphragm jaw pad spec.
|
型号 MODEL |
A | B | C | D | F | G | H |
爪分割
Jaw split
|
适用夹头 Where used |
| JD-60 | 65mm | 52mm | 45mm | 32mm | 12mm | 4.0mm | 4.5mm | 6 | JAP104 |
| JD-60 | (2.56〞) | (2.05〞) | (1.77〞) | (1.26〞) | (0.47〞) | (0.16〞) | (0.18〞) | 6 | JAP104 |
| JD-70 | 75mm | 60mm | 50mm | 37mm | 14mm | 5.0mm | 5.0mm | 6 | JAP105 |
| JD-70 | (2.95〞) | (2.36〞) | (1.97〞) | (1.46〞) | (0.55〞) | (0.20〞) | (0.20〞) | 6 | JAP105 |
| JD-100 | 105mm | 90mm | 80.2mm | 65mm | 14mm | 5.5mm | 5.0mm | 8 | JAP106 |
| JD-100 | (4.13〞) | (3.54〞) | (3.16〞) | (2.56〞) | (0.55〞) | (0.22〞) | (0.20〞) | 8 | JAP106 |
下一条:JDS系列立式膜片夹头
上一条:没有了