NTH 筒夹/膜片夹头

产品展示

NTH 筒夹/膜片夹头

JDS系列立式膜片夹头

JDS SERIES DIAPHRAGM STATIONARY CHUCK

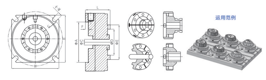
点击产品图片放大

资料下载

在线询盘

产品详细介绍

品牌/Brand:NTH

Omatei JDS 系列,是为高精度的铣削加工而设计,结构精巧,安装简易且精度稳定,适用于CNC加工中心及精雕机进行批量化生产作业。重复夹持精度高,并且稳定,能够大量降低换模时间,极大地提高生产效率。

产品特性:

为周定式不可回转,内置气缸直接驱动。采用膜片弹性技术,重复精度3μ以下。

永久性精密寿命高密封性设计,防水防尘能力。

轻松控制两端同心度、平行度。多段尺寸可分次加工、降低设备成本。

产品适用性:

适用CNC铣钻床 非标夹具等运用,可做联排多工位夹具使用。

适用于微电子产品、光学零件、医疗零件、轻薄高精密度工件的机加工。

精密元件的检测。

PRODUCT FEATURES
Fixed, non-rotating, directly driven by the built-in cylinder Employing diaphragm elasticitytechnology, with a repeatability of below 3uPermanent service life in precision; designed with high sealing performance and waterproofand dustproof capabilitiesAllowing easy control over the concentricity and parallelism at both ends Allowing separatesize processing over multiple sections to reduce equipment costsReplacing CNC multi-section simultaneous processing with single-action grinding machineAllowing fine-tunning with three-point clamping forceAPPLICATIONSSuitable for non-standard fixtures for CNC milling and drilling machines; may be used asrow-type multi-station fixtures
Suitable for machining of microelectronics products, optical parts, medical parts, thin andhigh-precision workpieces
Detection of precision components

单位Unit:mm

型号/Model
规格/Spec
工作压力
Kg/cm2
使用夹爪
Diaphragm
夹持行程
Opening/Closing Stroke
A C D E F G H L M
JDS4-60 2-7 JD-60 0.1 70 10 45 60 5 120 100 42.7 7
JDS5-70 2-7 JD-70 0.3 100 15 50 70 5 170 150 49.2 9
JDS6-100
2-7 JD-100 0.3 150 35 80 100 5 195 177 54.2 11
JDS8-150 2-7 JD-150 0.3 180 65 120 150 5 245 220 59.8 13
保留技术更改的权利,恕不另行通知 Subject to technology changes without prior information
非标需求可定做 Non-standard requirements can be made

最新新闻

  • 东莞国际机床展览会

    展会及展位信息: 时间:2025.10.29-11.01 开放时间:09:00-18:00 地点: 广东现代国际展览中心 展位号:3A-08

    深入了解
  • 玉环国际机床展览会

    展会及展位信息: 时间:2025.10.17-10.20 开放时间:09:00-18:00 地点: 浙江省台州市玉环市玉环会展中心 展位号:W2-T26

    深入了解
  • 武汉国际机床展-中国国际机电产品博览会WME

    展会及展位信息: 时间:2025年10月11日-13日 开放时间:09:00-18:00 地点:武汉国际博览中心 展位号:B1-1306 & B1-1004

    深入了解