NTH 筒夹/膜片夹头

产品展示

NTH 筒夹/膜片夹头

JAB 回转缸内藏气压筒夹夹头

JAB PNEUMATIC COLLET CHUCK

点击产品图片放大

资料下载

在线询盘

产品详细介绍

品牌/Brand:NTH

此夹头可使用内涨或外夹两种配置

夹头本体为热处理钢一体成型
轴承负荷,转速高,寿命长,温度低
双向作动力,强制开启筒夹,决不卡料
压力中断时,夹头呈夹持状态
可由前端安装,减小连接板厚度
筒夹不后缩,可正常控制工作长度
本体回转精度小于0.01mm

适用于:NC车床、普车、研磨机、分度盘、第4轴、第5轴。

Applicable to CNC/lathe/grinder/rotary table/the 4th axis/the 5th axis.
The collet has two types of inside expansion and outside clamping.
No loading on bear,So high rotary speed,lower temperature,long working service time.
Safety designation,when the air pressure is interrupted,the chuck still be clamping status.
It could be front mounting,So the adapter can be compacted.
The collet clamping type is pushing forward,So the workpiece length can be controlled.
The collet chuck's body accuracy is with in 0.01mm.

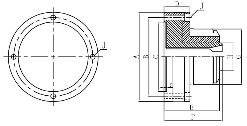
单位/Unit:mm

型号/Model
规格/Spec
活塞行程
Piston Stroke mm
最大扭力
Max.Torque N.M
空压压力
Air Pressure
Kgf/cm2
最高转速
Max.RPM
适配筒夹
Collet type
最大夹持外径
Max.Clamping
Dia.
重量
Weight
Kgs
JAB-15 4 3 3--8 4000 YB-15 15 3.2
JAB-25 4 3 3--8 4000 YB-25(5C) 25 9.5
JAB-40 4 4.5 3--8 4000 CC16 40 13.5
JAB-60 4 7.8 3--8 3000 CC20 60 20.35
JAB-80 4 35 3--8 1500 193E 80 32

型号/Model
规格/Spec
A B C D E F G H J
JAB-15 100 84 70 40 82 85 71 30 4*M6
JAB-25 167 147 130 48 103 108 104 52 4*M8
JAB-40 187 168 150 50 118 122 133 72 4*M8
JAB-60 220 203 170 55 125 130 168 100 4*M8
JAB-80 247 226 200 69 144.25 153 200 145 6*M10
注:夹持扭力是以6kgf/cm2夹持20mm圆棒测得

The clamping torque is come by the testing of using 6kgf/cm2 to clamp  the dia.20mm round bar

保留技术更改的权利,恕不另行通知 Subject to technology changes without prior information
非标需求可定做 Non-standard requirements can be made


最新新闻

  • 东莞国际机床展览会

    展会及展位信息: 时间:2025.10.29-11.01 开放时间:09:00-18:00 地点: 广东现代国际展览中心 展位号:3A-08

    深入了解
  • 玉环国际机床展览会

    展会及展位信息: 时间:2025.10.17-10.20 开放时间:09:00-18:00 地点: 浙江省台州市玉环市玉环会展中心 展位号:W2-T26

    深入了解
  • 武汉国际机床展-中国国际机电产品博览会WME

    展会及展位信息: 时间:2025年10月11日-13日 开放时间:09:00-18:00 地点:武汉国际博览中心 展位号:B1-1306 & B1-1004

    深入了解